CLC[AA]円盤突き合わせタイプ
磁石の吸引・反発を利用した非接触タイプのカップリングで、歯車やベルトといった従来からの動力伝達に対して、作動音がない、摩擦による消耗・発熱がないなどすぐれた優位性がある上、着脱、心出しが容易でトルクリミッタ機能、隔壁伝達も可能です。AAタイプは、突き合わせ軸タイプのベーシックな構造です。
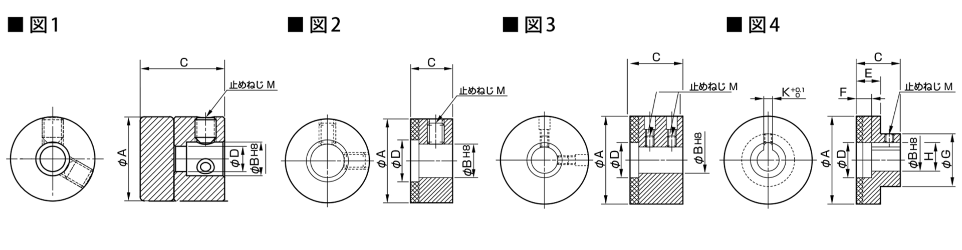
【仕様・寸法】
| セット 型式 | 伝達トルク [N・m](at.20℃) | 最高回転速度[min-1] | 慣性 モーメント [kg・m2] | 参照図形 | A [mm] | B [mm] | C [mm] | D [mm] | E [mm] | F [mm] | G [mm] | H [mm] | K [mm] | M 呼び | セット質量[kg] | セット価格[円] | ||
|---|---|---|---|---|---|---|---|---|---|---|---|---|---|---|---|---|---|---|
| エアギャップ | ||||||||||||||||||
| 1mm | 5mm | 10mm | ||||||||||||||||
| CLC-1010AA-02 | 0.035 | 0.007 | - | 3000 | 2.0×10-7 | 図1 | 10 | 4 | 10 | (3) | - | - | - | - | - | M2.5 | 0.012 | ー |
| CLC-2020AA-08 | 0.320 | 0.031 | 0.003 | 3000 | 4.0×10-6 | 図2 | 20 | 8 | 14 | 10 | - | - | - | - | - | M4 | 0.06 | ー |
| CLC-2525AA-08 | 0.727 | 0.111 | 0.014 | 3000 | 1.0×10-5 | 図2 | 25 | 10 | 19 | 12 | - | - | - | - | - | M4 | 0.12 | ー |
| CLC-3030AA-08 | 1.370 | 0.281 | 0.044 | 3000 | 2.4×10-5 | 図2 | 30 | 12 | 19 | 14 | - | - | - | - | - | M4 | 0.18 | ー |
| CLC-3535AA-08 | 2.215 | 0.568 | 0.112 | 3000 | 5.2×10-5 | 図3 | 35 | 12 | 24 | 16 | - | - | - | - | - | M4 | 0.30 | ー |
| CLC-4040AA-08 | 3.510 | 1.046 | 0.244 | 3000 | 8.8×10-5 | 図3 | 40 | 12 | 24 | 16 | - | - | - | - | - | M4 | 0.40 | ー |
| CLC-5050AA-08 | 6.450 | 2.454 | 0.751 | 2500 | 1.52×10-4 | 図4 | 50 | 12 | 24 | 20 | 14 | 9 | 30 | 13.8 | 4 | M4 | 0.46 | ー |
| CLC-6060AA-08 | 9.930 | 4.480 | 1.648 | 2100 | 3.20×10-4 | 図4 | 60 | 15 | 29 | 26 | 14 | 9 | 40 | 17.3 | 5 | M5 | 0.78 | ー |
| CLC-7070AA-08 | 15.480 | 7.390 | 3.125 | 1800 | 5.60×10-4 | 図4 | 70 | 15 | 29 | 26 | 14 | 9 | 40 | 17.3 | 5 | M5 | 1.00 | ー |