CLC[BB・BC]円盤×円筒タイプ
磁石の吸引・反発を利用した非接触タイプのカップリングで、歯車やベルトといった従来からの動力伝達に対して、作動音がない、摩擦による消耗・発熱がないなどすぐれた優位性がある上、着脱、心出しが容易でトルクリミッタ機能、隔壁伝達も可能です。EEタイプは、円筒平行軸タイプの構造です
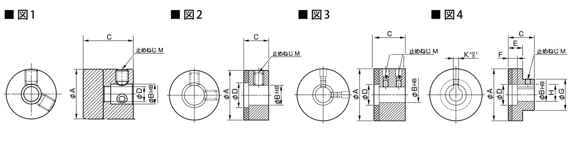
【仕様・寸法】
| セット 型式 | 組み合わせ | 伝達トルク [N・m](at.20℃) | 最高回転速度[min-1] | 慣性 モーメント [kg・m2] | 参照図形 | A [mm] | B [mm] | C [mm] | D [mm] | E [mm] | G [mm] | M 呼び | セット質量[kg] | セット価格[円] | ||
|---|---|---|---|---|---|---|---|---|---|---|---|---|---|---|---|---|
| エアギャップ | ||||||||||||||||
| 0.5mm | 1mm | 2mm | ||||||||||||||
| CLC-2222BB-08 | 円筒×円筒 | 0.197 | 0.155 | 0.097 | 3000 | 8.0×10-6 | 図1 | 22 | 10 | 25 | 17.2 | 17.5 | - | M4 | 0.10 | - |
| CLC-2626BB-08 | 円筒×円筒 | 0.163 | 0.132 | 0.087 | 3000 | 1.2×10-5 | 図1 | 26 | 12 | 25 | 20.2 | 14 | - | M4 | 0.12 | - |
| CLC-3535BB-08 | 円筒×円筒 | 0.576 | 0.495 | 0.366 | 3000 | 6.2×10-5 | 図1 | 35 | 15 | 32 | 29.3 | 22 | - | M5 | 0.34 | - |
| CLC-3535BB-12 | 円筒×円筒 | 0.507 | 0.403 | 0.256 | 3000 | 6.2×10-5 | 図1 | 35 | 15 | 32 | 28.2 | 22 | - | M5 | 0.34 | - |
| CLC-5555BB-12 | 円筒×円筒 | 1.790 | 1.530 | 1.150 | 2200 | 4.2×10-4 | 図1 | 55 | 25 | 38 | 46.2 | 25 | - | M8 | 0.97 | - |
| CLC-2247BC-08 | 円筒×円盤 | 0.339 | 0.274 | 0.175 | 2600 | 4.0×10-5 | 図1 | 22 | 10 | 25 | 17.2 | 17.5 | - | M4 | 0.20 | - |
| 円筒×円盤 | 0.339 | 0.274 | 0.175 | 2600 | 4.0×10-5 | 図2 | 47 | 10 | 19 | 12 | 9 | 24 | M4 | 0.20 | - | |
| CLC-3560BC-12 | 円筒×円盤 | 0.746 | 0.611 | 0.390 | 2100 | 1.25×10-4 | 図1 | 35 | 15 | 32 | 28.2 | 22 | - | M5 | 0.39 | - |
| 円筒×円盤 | 0.746 | 0.611 | 0.390 | 2100 | 1.25×10-4 | 図2 | 60 | 15 | 19 | 16 | 9 | 30 | M5 | 0.39 | - | |