SFF[DS]タイプ
送り軸用途のサーボモータ駆動の仕様・寸法から、許容トルク、対応軸径などを設定、各社最新のサーボモータにベストマッチします。モデルは、組み立て作業性の良いクランプ方式と、信頼性の高いくさび締結方式をラインアップ。許容トルクは従来品を大幅に上回ります。フレキシブルなダブルエレメントタイプです。
【仕様】
| 型式 | 許容トルク [N・m] | 許容誤差 | 最高回転速度 [min-1] |
ねじりばね定数 [N・m/rad] |
軸方向ばね定数 [N/mm] |
慣性モーメント [kg・m2] |
質量 [kg] | 価格 [円] | ||
|---|---|---|---|---|---|---|---|---|---|---|
| 偏心 [mm] | 偏角 [°] | 軸方向 [mm] | ||||||||
| SFF-040DS-□B-□B-8N | 8 | 0.10 | 1 (片側) | ±0.4 | 14000 | 7500 | 87 | 0.04×10-3 | 0.22 | 21600 |
| SFF-040DS-□B-□B-12N | 12 | 0.10 | 1 (片側) | ±0.4 | 14000 | 7500 | 87 | 0.04×10-3 | 0.22 | 21600 |
| SFF-050DS-□B-□B-25N | 25 | 0.20 | 1 (片側) | ±0.6 | 14000 | 16000 | 72.5 | 0.13×10-3 | 0.46 | 25410 |
| SFF-060DS-□B-□B-60N | 60 | 0.20 | 1 (片側) | ±0.6 | 14000 | 52000 | 199.5 | 0.28×10-3 | 0.64 | 29230 |
| SFF-060DS-□B-□B-80N | 80 | 0.20 | 1 (片側) | ±0.6 | 14000 | 52000 | 199.5 | 0.29×10-3 | 0.61 | 29230 |
| SFF-070DS-□B-□B-90N | 90 | 0.25 | 1 (片側) | ±1.0 | 14000 | 120000 | 242 | 0.53×10-3 | 0.90 | 34190 |
| SFF-070DS-□B-□B-100N | 100 | 0.25 | 1 (片側) | ±1.0 | 14000 | 120000 | 242 | 0.55×10-3 | 0.85 | 34190 |
| SFF-080DS-□B-□B-150N | 150 | 0.32 | 1 (片側) | ±1.0 | 13000 | 60000 | 48 | 1.10×10-3 | 1.37 | 37990 |
| SFF-080DS-□B-□B-200N | 200 | 0.31 | 1 (片側) | ±1.0 | 13000 | 155000 | 273 | 1.50×10-3 | 1.72 | 42690 |
| SFF-090DS-□B-□B-250N | 250 | 0.32 | 1 (片側) | ±1.2 | 12000 | 260000 | 160.5 | 2.03×10-3 | 2.02 | 47400 |
| SFF-090DS-□B-□B-300N | 300 | 0.32 | 1 (片側) | ±1.2 | 12000 | 260000 | 160.5 | 2.10×10-3 | 1.92 | 47400 |
| SFF-100DS-□B-□B-450N | 450 | 0.38 | 1 (片側) | ±1.3 | 10000 | 370000 | 270 | 4.18×10-3 | 3.12 | 52730 |
| SFF-120DS-□B-□B-600N | 600 | 0.38 | 1 (片側) | ±1.6 | 9000 | 485000 | 180 | 8.87×10-3 | 4.60 | 58830 |
- 最高回転速度は動バランスを考慮しておりません。
- ねじりばね定数の値は、エレメント単体での値になります。
- 慣性モーメントおよび質量は、最大穴径時の値となります。
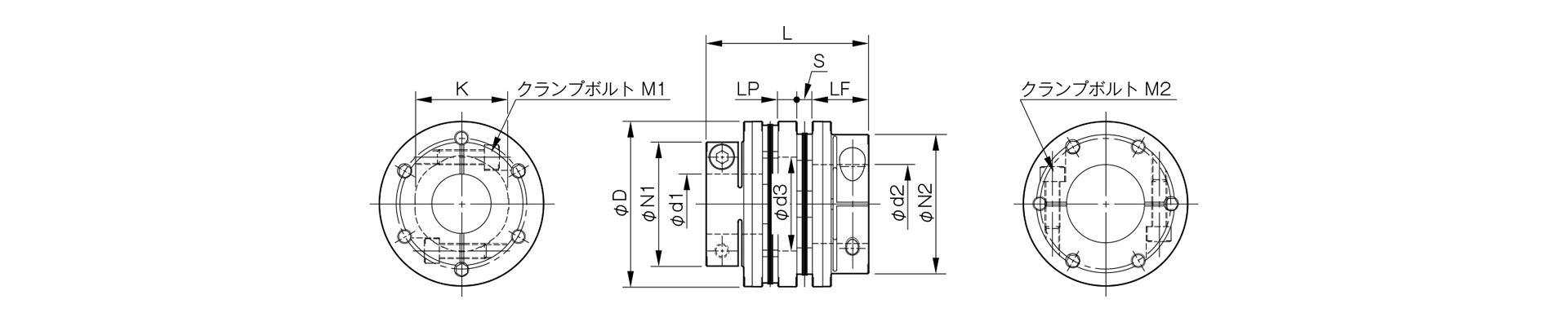
【寸法】
| 型式 | d1 [mm] |
d2 [mm] |
D [mm] |
L [mm] |
N1・N2 [mm] |
LF [mm] |
LP [mm] |
S [mm] |
d3 [mm] |
K [mm] |
|---|---|---|---|---|---|---|---|---|---|---|
| SFF-040DS-□B-□B-8N | 8・9・9.525 | 8・9・9.525・10・11・12・14・15・16 | 38 | 48.8 | 33 | 17.5 | 6 | 3.9 | 17 | 17 |
| SFF-040DS-□B-□B-12N | 10・11・12・14・15・16 | 10・11・12・14・15・16 | 38 | 48.8 | 33 | 17.5 | 6 | 3.9 | 17 | 17 |
| SFF-050DS-□B-□B-25N | 10・11・12・14・15・16・17・18・19 | 10・11・12・14・15・16・17・18・19 | 48 | 60.8 | 42 | 21.5 | 7 | 5.4 | 20 | 20 |
| SFF-060DS-□B-□B-60N | 12・14・15・16・17・18・19 | 12・14・15・16・17・18・19・20・22 | 58 | 65.8 | 44 | 24 | 7 | 5.4 | 31 | 32 |
| - | 24・25・28 | 58 | 65.8 | 48 | 24 | 7 | 5.4 | 31 | 32 | |
| - | 30 | 58 | 65.8 | 52 | 24 | 7 | 5.4 | 31 | 32 | |
| SFF-060DS-□B-□B-80N | 20・22 | 20・22 | 58 | 65.8 | 44 | 24 | 7 | 5.4 | 31 | 32 |
| 24・25・28 | 24・25・28 | 58 | 65.8 | 48 | 24 | 7 | 5.4 | 31 | 32 | |
| 30 | 30 | 58 | 65.8 | 52 | 24 | 7 | 5.4 | 31 | 32 | |
| SFF-070DS-□B-□B-90N | 18・19 | 18・19・20・22・24・25 | 68 | 69.8 | 47 | 25 | 8 | 5.9 | 37 | 38 |
| - | 28・30・32・35 | 68 | 69.8 | 56 | 25 | 8 | 5.9 | 37 | 38 | |
| SFF-070DS-□B-□B-100N | 20・22・24・25 | 20・22・24・25 | 68 | 69.8 | 47 | 25 | 8 | 5.9 | 37 | 38 |
| 28・30・32・35 | 28・30・32・35 | 68 | 69.8 | 56 | 25 | 8 | 5.9 | 37 | 38 | |
| SFF-080DS-□B-□B-150N | 22・24・25 | 22・24・25 | 78 | 86.6 | 53 | 30 | 10 | 8.3 | 40 | 37 |
| 28・30・32・35 | 28・30・32・35 | 78 | 86.6 | 56 | 30 | 10 | 8.3 | 40 | 37 | |
| SFF-080DS-□B-□B-200N | 22・24・25 | 22・24・25 | 78 | 85.4 | 53 | 30 | 10 | 7.7 | 40 | 42 |
| 28・30・32・35 | 28・30・32・35 | 78 | 85.4 | 70 | 30 | 10 | 7.7 | 40 | 42 | |
| 38 | 38 | 78 | 85.4 | 74 | 30 | 10 | 7.7 | 40 | 42 | |
| SFF-090DS-□B-□B-250N | 25・28 | 25・28・30・32 | 88 | 86.6 | 66 | 30 | 10 | 8.3 | 50 | 50 |
| - | 35・38・40・42 | 88 | 86.6 | 74 | 30 | 10 | 8.3 | 50 | 50 | |
| SFF-090DS-□B-□B-300N | 30・32 | 30・32 | 88 | 86.6 | 66 | 30 | 10 | 8.3 | 50 | 50 |
| 35・38・40・42 | 35・38・40・42 | 88 | 86.6 | 74 | 30 | 10 | 8.3 | 50 | 50 | |
| SFF-100DS-□B-□B-450N | 32・35・38・40・42・45・48 | 32・35・38・40・42・45・48 | 98 | 112.4 | 84 | 40 | 12 | 10.2 | 52 | 56 |
| SFF-120DS-□B-□B-600N | 32・35・38・40・42・45 | 32・35・38・40・42・45 | 118 | 112.4 | 84 | 40 | 12 | 10.2 | 72 | 68 |
| 48・50・55 | 48・50・55 | 118 | 112.4 | 100 | 40 | 12 | 10.2 | 72 | 68 |
- クランプボルトM1・M2の呼びは数量-ねじの呼びで、数量は片側ハブの数量です。
【標準穴径】
| 型式 | 標準穴径 d1・d2[mm] | |||||||||||||||||||||||||||
|---|---|---|---|---|---|---|---|---|---|---|---|---|---|---|---|---|---|---|---|---|---|---|---|---|---|---|---|---|
| 呼び | 8 | 9 | 9.525 | 10 | 11 | 12 | 14 | 15 | 16 | 17 | 18 | 19 | 20 | 22 | 24 | 25 | 28 | 30 | 32 | 35 | 38 | 40 | 42 | 45 | 48 | 50 | 55 | |
| SFF-040DS-□B-□B-8N | d1 | ● | ● | ● | ||||||||||||||||||||||||
| d2 | ● | ● | ● | ● | ● | ● | ● | ● | ● | |||||||||||||||||||
| SFF-040DS-□B-□B-12N | d1 | ● | ● | ● | ● | ● | ● | |||||||||||||||||||||
| d2 | ● | ● | ● | ● | ● | ● | ||||||||||||||||||||||
| SFF-050DS-□B-□B-25N | d1 | ● | ● | ● | ● | ● | ● | ● | ● | ● | ||||||||||||||||||
| d2 | ● | ● | ● | ● | ● | ● | ● | ● | ● | |||||||||||||||||||
| SFF-060DS-□B-□B-60N | d1 | ● | ● | ● | ● | ● | ● | ● | ||||||||||||||||||||
| d2 | ● | ● | ● | ● | ● | ● | ● | ● | ● | ● | ● | ● | ● | |||||||||||||||
| SFF-060DS-□B-□B-80N | d1 | ● | ● | ● | ● | ● | ● | |||||||||||||||||||||
| d2 | ● | ● | ● | ● | ● | ● | ||||||||||||||||||||||
| SFF-070DS-□B-□B-90N | d1 | ● | ● | |||||||||||||||||||||||||
| d2 | ● | ● | ● | ● | ● | ● | ● | ● | ● | ● | ||||||||||||||||||
| SFF-070DS-□B-□B-100N | d1 | ● | ● | ● | ● | ● | ● | ● | ● | |||||||||||||||||||
| d2 | ● | ● | ● | ● | ● | ● | ● | ● | ||||||||||||||||||||
| SFF-080DS-□B-□B-150N | d1 | ● | ● | ● | ● | ● | ● | ● | ||||||||||||||||||||
| d2 | ● | ● | ● | ● | ● | ● | ● | |||||||||||||||||||||
| SFF-080DS-□B-□B-200N | d1 | ● | ● | ● | ● | ● | ● | ● | ● | |||||||||||||||||||
| d2 | ● | ● | ● | ● | ● | ● | ● | ● | ||||||||||||||||||||
| SFF-090DS-□B-□B-250N | d1 | ● | ● | |||||||||||||||||||||||||
| d2 | ● | ● | ● | ● | ● | ● | ● | ● | ||||||||||||||||||||
| SFF-090DS-□B-□B-300N | d1 | ● | ● | ● | ● | ● | ● | |||||||||||||||||||||
| d2 | ● | ● | ● | ● | ● | ● | ||||||||||||||||||||||
| SFF-100DS-□B-□B-450N | d1 | ● | ● | ● | ● | ● | ● | ● | ||||||||||||||||||||
| d2 | ● | ● | ● | ● | ● | ● | ● | |||||||||||||||||||||
| SFF-120DS-□B-□B-600N | d1 | ● | ● | ● | ● | ● | ● | ● | ● | ● | ||||||||||||||||||
| d2 | ● | ● | ● | ● | ● | ● | ● | ● | ● | |||||||||||||||||||
- ●印の入っている欄の穴径は標準穴径として対応しています。
【仕様】 くさび締結タイプ
| 型式 | 許容トルク [N・m] | 許容誤差 | 最高回転速度 [min-1] |
ねじりばね定数 [N・m/rad] |
軸方向ばね定数 [N/mm] |
慣性モーメント [kg・m2] |
質量 [kg] | 価格 [円] | ||
|---|---|---|---|---|---|---|---|---|---|---|
| 偏心 [mm] | 偏角 [°] | 軸方向 [mm] | ||||||||
| SFF-070DS-□K-□K-100N | 100 | 0.25 | 1 (片側) | ±1.0 | 14000 | 120000 | 242 | 0.80×10-3 | 1.10 | 42,760 |
| SFF-080DS-□K-□K-150N | 150 | 0.32 | 1 (片側) | ±1.0 | 13000 | 60000 | 48 | 1.36×10-3 | 1.56 | 47,520 |
| SFF-080DS-□K-□K-200N | 200 | 0.31 | 1 (片側) | ±1.0 | 13000 | 155000 | 273 | 1.42×10-3 | 1.60 | 50,460 |
| SFF-090DS-□K-□K-300N | 300 | 0.32 | 1 (片側) | ±1.2 | 12000 | 260000 | 160.5 | 2.24×10-3 | 1.87 | 53,380 |
| SFF-100DS-□K-□K-450N | 450 | 0.38 | 1 (片側) | ±1.3 | 10000 | 370000 | 270 | 3.51×10-3 | 2.49 | 59,260 |
| SFF-120DS-□K-□K-600N | 600 | 0.38 | 1 (片側) | ±1.6 | 9000 | 485000 | 180 | 7.17×10-3 | 3.29 | 79,660 |
| SFF-140DS-□K-□K-800N | 800 | 0.44 | 1 (片側) | ±2.0 | 8000 | 700000 | 180 | 14.68×10-3 | 6.05 | 102,590 |
| SFF-140DS-□K-□K-1000N | 1000 | 0.44 | 1 (片側) | ±2.0 | 8000 | 700000 | 180 | 19.11×10-3 | 6.39 | 102,590 |
- 最高回転速度は動バランスを考慮しておりません。
- ねじりばね定数の値は、エレメント単体での値になります。
- 慣性モーメントおよび質量は、最大穴径時の値となります。
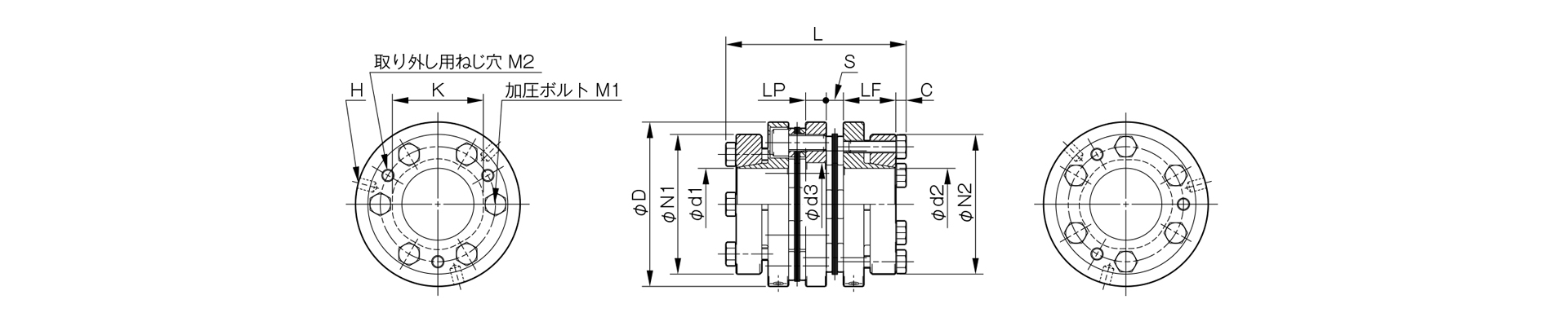
【寸法】 くさび締結タイプ
| 型式 | d1 [mm] |
d2 [mm] |
D [mm] |
L [mm] |
N1・N2 [mm] |
LF [mm] |
LP [mm] |
S [mm] |
C [mm] |
d3 [mm] |
K [mm] |
H [mm] |
M1 数量-呼び |
|---|---|---|---|---|---|---|---|---|---|---|---|---|---|
| SFF-070DS-□K-□K-100N | 18・19 | 18・19 | 68 | 76.8 | 53 | 23.5 | 8 | 5.9 | 5 | 37 | 38 | 3-5.1 | 6-M6 |
| 20・22・24・25 | 20・22・24・25 | 68 | 76.8 | 58 | 23.5 | 8 | 5.9 | 5 | 37 | 38 | 3-5.1 | 6-M6 | |
| 28・30 | 28・30 | 68 | 76.8 | 63 | 23.5 | 8 | 5.9 | 5 | 37 | 38 | 3-5.1 | 6-M6 | |
| 32・35 | 32・35 | 68 | 76.8 | 68 | 23.5 | 8 | 5.9 | 5 | 37 | 38 | 3-5.1 | 6-M6 | |
| SFF-080DS-□K-□K-150N | 22・24・25 | 22・24・25 | 78 | 87.6 | 58 | 25.5 | 10 | 8.3 | 5 | 40 | 37 | 4-5.1 | 4-M6 |
| 28・30 | 28・30 | 78 | 87.6 | 63 | 25.5 | 10 | 8.3 | 5 | 40 | 37 | 4-5.1 | 4-M6 | |
| 32・35 | 32・35 | 78 | 87.6 | 68 | 25.5 | 10 | 8.3 | 5 | 40 | 37 | 4-5.1 | 4-M6 | |
| - | 38 | 78 | 87.6 | 73 | 25.5 | 10 | 8.3 | 5 | 40 | 37 | 4-5.1 | 4-M6 | |
| SFF-080DS-□K-□K-200N | 22・24・25 | 22・24・25 | 78 | 86.4 | 58 | 25.5 | 10 | 7.7 | 5 | 40 | 42 | 3-5.1 | 6-M6 |
| 28・30 | 28・30 | 78 | 86.4 | 63 | 25.5 | 10 | 7.7 | 5 | 40 | 42 | 3-5.1 | 6-M6 | |
| 32・35 | 32・35 | 78 | 86.4 | 68 | 25.5 | 10 | 7.7 | 5 | 40 | 42 | 3-5.1 | 6-M6 | |
| 38 | 38 | 78 | 86.4 | 73 | 25.5 | 10 | 7.7 | 5 | 40 | 42 | 3-5.1 | 6-M6 | |
| SFF-090DS-□K-□K-300N | 28・30 | 28・30 | 88 | 87.6 | 63 | 25.5 | 10 | 8.3 | 5 | 50 | 50 | 3-6.8 | 6-M6 |
| 32・35 | 32・35 | 88 | 87.6 | 68 | 25.5 | 10 | 8.3 | 5 | 50 | 50 | 3-6.8 | 6-M6 | |
| 38・40・42 | 38・40・42 | 88 | 87.6 | 73 | 25.5 | 10 | 8.3 | 5 | 50 | 50 | 3-6.8 | 6-M6 | |
| 45 | 45 | 88 | 87.6 | 78 | 25.5 | 10 | 8.3 | 5 | 50 | 50 | 3-6.8 | 6-M6 | |
| 48 | 48 | 88 | 87.6 | 83 | 25.5 | 10 | 8.3 | 5 | 50 | 50 | 3-6.8 | 6-M6 | |
| SFF-100DS-□K-□K-450N | 32・35 | 32・35 | 98 | 97.4 | 68 | 27.5 | 12 | 10.2 | 5 | 52 | 56 | 3-6.8 | 6-M6 |
| 38・40・42 | 38・40・42 | 98 | 97.4 | 73 | 27.5 | 12 | 10.2 | 5 | 52 | 56 | 3-6.8 | 6-M6 | |
| 45 | 45 | 98 | 97.4 | 78 | 27.5 | 12 | 10.2 | 5 | 52 | 56 | 3-6.8 | 6-M6 | |
| 48・50 | 48・50 | 98 | 97.4 | 83 | 27.5 | 12 | 10.2 | 5 | 52 | 56 | 3-6.8 | 6-M6 | |
| SFF-120DS-□K-□K-600N | 35 | 35 | 118 | 97.4 | 68 | 27.5 | 12 | 10.2 | 5 | 72 | 68 | 3-6.8 | 6-M6 |
| 38・40・42 | 38・40・42 | 118 | 97.4 | 73 | 27.5 | 12 | 10.2 | 5 | 72 | 68 | 3-6.8 | 6-M6 | |
| 45 | 45 | 118 | 97.4 | 78 | 27.5 | 12 | 10.2 | 5 | 72 | 68 | 3-6.8 | 6-M6 | |
| 48・50・52 | 48・50・52 | 118 | 97.4 | 83 | 27.5 | 12 | 10.2 | 5 | 72 | 68 | 3-6.8 | 6-M6 | |
| 55 | 55 | 118 | 97.4 | 88 | 27.5 | 12 | 10.2 | 5 | 72 | 68 | 3-6.8 | 6-M6 | |
| 60・62・65 | 60・62・65 | 118 | 97.4 | 98 | 27.5 | 12 | 10.2 | 5 | 72 | 68 | 3-6.8 | 6-M6 | |
| - | 70 | 118 | 97.4 | 108 | 27.5 | 12 | 10.2 | 5 | 72 | 68 | 3-6.8 | 6-M6 | |
| SFF-140DS-□K-□K-800N | 35・38 | 35・38 | 138 | 120 | 83 | 36.5 | 15 | 10.6 | 5.5 | 80 | 78 | 3-8.6 | 6-M8 |
| 40・42・45 | 40・42・45 | 138 | 120 | 88 | 36.5 | 15 | 10.6 | 5.5 | 80 | 78 | 3-8.6 | 6-M8 | |
| - | 48・50・52 | 138 | 120 | 98 | 36.5 | 15 | 10.6 | 5.5 | 80 | 78 | 3-8.6 | 6-M8 | |
| - | 55・60 | 138 | 120 | 108 | 36.5 | 15 | 10.6 | 5.5 | 80 | 78 | 3-8.6 | 6-M8 | |
| - | 62・65・70 | 138 | 120 | 118 | 36.5 | 15 | 10.6 | 5.5 | 80 | 78 | 3-8.6 | 6-M8 | |
| - | 75・80 | 138 | 120 | 128 | 36.5 | 15 | 10.6 | 5.5 | 80 | 78 | 3-8.6 | 6-M8 | |
| SFF-140DS-□K-□K-1000N | 48・50・52 | 48・50・52 | 138 | 120 | 98 | 36.5 | 15 | 10.6 | 5.5 | 80 | 78 | 3-8.6 | 6-M8 |
| 55・60 | 55・60 | 138 | 120 | 108 | 36.5 | 15 | 10.6 | 5.5 | 80 | 78 | 3-8.6 | 6-M8 | |
| 62・65・70 | 62・65・70 | 138 | 120 | 118 | 36.5 | 15 | 10.6 | 5.5 | 80 | 78 | 3-8.6 | 6-M8 | |
| 75 | 75・80 | 138 | 120 | 128 | 36.5 | 15 | 10.6 | 5.5 | 80 | 78 | 3-8.6 | 6-M8 |
- 加圧ボルトM1・取り外し用ねじ穴M2の呼びは数量-ねじの呼びです。また、H・M1・M2の数量は片側ハブの数量です。
【標準穴径】
| 型式 | 標準穴径 d1・d2[mm] | ||||||||||||||||||||||||
|---|---|---|---|---|---|---|---|---|---|---|---|---|---|---|---|---|---|---|---|---|---|---|---|---|---|
| 呼び | 18 | 19 | 20 | 22 | 24 | 25 | 28 | 30 | 32 | 35 | 38 | 40 | 42 | 45 | 48 | 50 | 52 | 55 | 60 | 62 | 65 | 70 | 75 | 80 | |
| SFF-070DS-□K-□K-100N | d1 | ● | ● | ● | ● | ● | ● | ● | ● | ● | ● | ||||||||||||||
| d2 | ● | ● | ● | ● | ● | ● | ● | ● | ● | ● | |||||||||||||||
| SFF-080DS-□K-□K-150N | d1 | ● | ● | ● | ● | ● | ● | ● | |||||||||||||||||
| d2 | ● | ● | ● | ● | ● | ● | ● | ● | |||||||||||||||||
| SFF-080DS-□K-□K-200N | d1 | ● | ● | ● | ● | ● | ● | ● | ● | ||||||||||||||||
| d2 | ● | ● | ● | ● | ● | ● | ● | ● | |||||||||||||||||
| SFF-090DS-□K-□K-300N | d1 | ● | ● | ● | ● | ● | ● | ● | ● | ● | |||||||||||||||
| d2 | ● | ● | ● | ● | ● | ● | ● | ● | ● | ||||||||||||||||
| SFF-100DS-□K-□K-450N | d1 | ● | ● | ● | ● | ● | ● | ● | ● | ||||||||||||||||
| d2 | ● | ● | ● | ● | ● | ● | ● | ● | |||||||||||||||||
| SFF-120DS-□K-□K-600N | d1 | ● | ● | ● | ● | ● | ● | ● | ● | ● | ● | ● | ● | ||||||||||||
| d2 | ● | ● | ● | ● | ● | ● | ● | ● | ● | ● | ● | ● | ● | ||||||||||||
| SFF-140DS-□K-□K-800N | d1 | ● | ● | ● | ● | ● | |||||||||||||||||||
| d2 | ● | ● | ● | ● | ● | ● | ● | ● | ● | ● | ● | ● | ● | ● | ● | ||||||||||
| SFF-140DS-□K-□K-1000N | d1 | ● | ● | ● | ● | ● | ● | ● | ● | ● | |||||||||||||||
| d2 | ● | ● | ● | ● | ● | ● | ● | ● | ● | ● | |||||||||||||||
- ●印の入っている欄の穴径は標準穴径として対応しています。