SFF[SS]タイプ
送り軸用途のサーボモータ駆動の仕様・寸法から、許容トルク、対応軸径などを設定、各社最新のサーボモータにベストマッチします。モデルは、組み立て作業性の良いクランプ方式と、信頼性の高いくさび締結方式をラインアップ。許容トルクは従来品を大幅に上回ります。剛性の高いシングルエレメントタイプです。
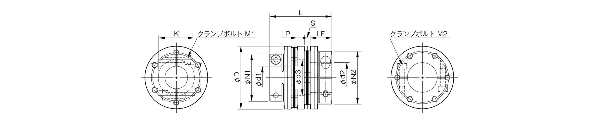
【仕様】クランプ締結タイプ
| 型式 | 許容トルク [N・m] | 許容誤差 | 最高回転速度 [min-1] |
ねじりばね定数 [N・m/rad] |
軸方向ばね定数 [N/mm] |
慣性モーメント [kg・m2] |
質量 [kg] | 価格 [円] | ||
|---|---|---|---|---|---|---|---|---|---|---|
| 偏心 [mm] | 偏角 [°] | 軸方向 [mm] | ||||||||
| SFF-040SS-□B-□B-8N | 8 | 0.02 | 1 | ±0.2 | 18000 | 15000 | 174 | 0.03×10-3 | 0.17 | 13980 |
| SFF-040SS-□B-□B-12N | 12 | 0.02 | 1 | ±0.2 | 18000 | 15000 | 174 | 0.03×10-3 | 0.17 | 13980 |
| SFF-050SS-□B-□B-25N | 25 | 0.02 | 1 | ±0.3 | 18000 | 32000 | 145 | 0.10×10-3 | 0.36 | 16520 |
| SFF-060SS-□B-□B-60N | 60 | 0.02 | 1 | ±0.3 | 18000 | 104000 | 399 | 0.22×10-3 | 0.52 | 19060 |
| SFF-060SS-□B-□B-80N | 80 | 0.02 | 1 | ±0.3 | 18000 | 104000 | 399 | 0.23×10-3 | 0.49 | 19060 |
| SFF-070SS-□B-□B-90N | 90 | 0.02 | 1 | ±0.5 | 18000 | 240000 | 484 | 0.40×10-3 | 0.72 | 22500 |
| SFF-070SS-□B-□B-100N | 100 | 0.02 | 1 | ±0.5 | 18000 | 240000 | 484 | 0.42×10-3 | 0.67 | 22500 |
| SFF-080SS-□B-□B-150N | 150 | 0.02 | 1 | ±0.5 | 17000 | 120000 | 96 | 0.79×10-3 | 1.04 | 25040 |
| SFF-080SS-□B-□B-200N | 200 | 0.02 | 1 | ±0.5 | 17000 | 310000 | 546 | 1.25×10-3 | 1.40 | 28080 |
| SFF-090SS-□B-□B-250N | 250 | 0.02 | 1 | ±0.6 | 15000 | 520000 | 321 | 1.54×10-3 | 1.62 | 31250 |
| SFF-090SS-□B-□B-300N | 300 | 0.02 | 1 | ±0.6 | 15000 | 520000 | 321 | 1.58×10-3 | 1.53 | 31250 |
| SFF-100SS-□B-□B-450N | 450 | 0.02 | 1 | ±0.65 | 13000 | 740000 | 540 | 3.27×10-3 | 2.53 | 35070 |
| SFF-120SS-□B-□B-600N | 600 | 0.02 | 1 | ±0.8 | 11000 | 970000 | 360 | 6.90×10-3 | 3.78 | 39390 |
- 最高回転速度は動バランスを考慮しておりません。
- ねじりばね定数の値は、エレメント単体での値になります。
- 慣性モーメントおよび質量は、最大穴径時の値となります。
【寸法】クランプ締結タイプ
| 型式 | d1 [mm] | d2 [mm] | D [mm] | L [mm] | N1・N2 [mm] | LF [mm] | S [mm] | K [mm] | M1・M2 数量-呼び |
M1・M2 締め付け トルク [N・m] |
|---|---|---|---|---|---|---|---|---|---|---|
| SFF-040SS-□B-□B-8N | 8・9・9.525 | 8・9・9.525・10・11・12・14・15・16 | 38 | 38.9 | 33 | 17.5 | 3.9 | 17 | 2-M4 | 3.4 |
| SFF-040SS-□B-□B-12N | 10・11・12・14・15・16 | 10・11・12・14・15・16 | 38 | 38.9 | 33 | 17.5 | 3.9 | 17 | 2-M4 | 3.4 |
| SFF-050SS-□B-□B-25N | 10・11・12・14・15・16・17・18・19 | 10・11・12・14・15・16・17・18・19 | 48 | 48.4 | 42 | 21.5 | 5.4 | 20 | 2-M5 | 7 |
| SFF-060SS-□B-□B-60N | 12・14・15・16・17・18・19 | 12・14・15・16・17・18・19・20・22 | 58 | 53.4 | 44 | 24 | 5.4 | 32 | 2-M6 | 14 |
| - | 24・25・28 | 58 | 53.4 | 48 | 24 | 5.4 | 32 | 2-M5 | 7 | |
| - | 30 | 58 | 53.4 | 52 | 24 | 5.4 | 32 | 2-M5 | 7 | |
| SFF-060SS-□B-□B-80N | 20・22 | 20・22 | 58 | 53.4 | 44 | 24 | 5.4 | 32 | 2-M6 | 14 |
| 24・25・28 | 24・25・28 | 58 | 53.4 | 48 | 24 | 5.4 | 32 | 2-M5 | 7 | |
| 30 | 30 | 58 | 53.4 | 52 | 24 | 5.4 | 32 | 2-M5 | 7 | |
| SFF-070SS-□B-□B-90N | 18・19 | 18・19・20・22・24・25 | 68 | 55.9 | 47 | 25 | 5.9 | 38 | 2-M6 | 14 |
| - | 28・30・32・35 | 68 | 55.9 | 56 | 25 | 5.9 | 38 | 2-M6 | 14 | |
| SFF-070SS-□B-□B-100N | 20・22・24・25 | 20・22・24・25 | 68 | 55.9 | 47 | 25 | 5.9 | 38 | 2-M6 | 14 |
| 28・30・32・35 | 28・30・32・35 | 68 | 55.9 | 56 | 25 | 5.9 | 38 | 2-M6 | 14 | |
| SFF-080SS-□B-□B-150N | 22・24・25 | 22・24・25 | 78 | 68.3 | 53 | 30 | 8.3 | 37 | 2-M8 | 34 |
| 28・30・32・35 | 28・30・32・35 | 78 | 68.3 | 56 | 30 | 8.3 | 37 | 2-M6 | 14 | |
| SFF-080SS-□B-□B-200N | 22・24・25 | 22・24・25 | 78 | 67.7 | 53 | 30 | 7.7 | 42 | 2-M8 | 34 |
| 28・30・32・35 | 28・30・32・35 | 78 | 67.7 | 70 | 30 | 7.7 | 42 | 2-M8 | 34 | |
| 38 | 38 | 78 | 67.7 | 74 | 30 | 7.7 | 42 | 2-M8 | 34 | |
| SFF-090SS-□B-□B-250N | 25・28 | 25・28・30・32 | 88 | 68.3 | 66 | 30 | 8.3 | 50 | 2-M8 | 34 |
| - | 35・38・40・42 | 88 | 68.3 | 74 | 30 | 8.3 | 50 | 2-M8 | 34 | |
| SFF-090SS-□B-□B-300N | 30・32 | 30・32 | 88 | 68.3 | 66 | 30 | 8.3 | 50 | 2-M8 | 34 |
| 35・38・40・42 | 35・38・40・42 | 88 | 68.3 | 74 | 30 | 8.3 | 50 | 2-M8 | 34 | |
| SFF-100SS-□B-□B-450N | 32・35・38・40・42・45・48 | 32・35・38・40・42・45・48 | 98 | 90.2 | 84 | 40 | 10.2 | 56 | 2-M10 | 68 |
| SFF-120SS-□B-□B-600N | 32・35・38・40・42・45 | 32・35・38・40・42・45 | 118 | 90.2 | 84 | 40 | 10.2 | 68 | 2-M10 | 68 |
| 48・50・55 | 48・50・55 | 118 | 90.2 | 100 | 40 | 10.2 | 68 | 2-M10 | 68 |
- クランプボルトM1・M2の呼びは数量-ねじの呼びで、数量は片側ハブの数量です。
【標準穴径】
| 型式 | 標準穴径 d1・d2[mm] | |||||||||||||||||||||||||||
|---|---|---|---|---|---|---|---|---|---|---|---|---|---|---|---|---|---|---|---|---|---|---|---|---|---|---|---|---|
| 呼び | 8 | 9 | 9.525 | 10 | 11 | 12 | 14 | 15 | 16 | 17 | 18 | 19 | 20 | 22 | 24 | 25 | 28 | 30 | 32 | 35 | 38 | 40 | 42 | 45 | 48 | 50 | 55 | |
| SFF-040SS-□B-□B-8N | d1 | ● | ● | ● | ||||||||||||||||||||||||
| d2 | ● | ● | ● | ● | ● | ● | ● | ● | ● | |||||||||||||||||||
| SFF-040SS-□B-□B-12N | d1 | ● | ● | ● | ● | ● | ● | |||||||||||||||||||||
| d2 | ● | ● | ● | ● | ● | ● | ||||||||||||||||||||||
| SFF-050SS-□B-□B-25N | d1 | ● | ● | ● | ● | ● | ● | ● | ● | ● | ||||||||||||||||||
| d2 | ● | ● | ● | ● | ● | ● | ● | ● | ● | |||||||||||||||||||
| SFF-060SS-□B-□B-60N | d1 | ● | ● | ● | ● | ● | ● | ● | ||||||||||||||||||||
| d2 | ● | ● | ● | ● | ● | ● | ● | ● | ● | ● | ● | ● | ● | |||||||||||||||
| SFF-060SS-□B-□B-80N | d1 | ● | ● | ● | ● | ● | ● | |||||||||||||||||||||
| d2 | ● | ● | ● | ● | ● | ● | ||||||||||||||||||||||
| SFF-070SS-□B-□B-90N | d1 | ● | ● | |||||||||||||||||||||||||
| d2 | ● | ● | ● | ● | ● | ● | ● | ● | ● | ● | ||||||||||||||||||
| SFF-070SS-□B-□B-100N | d1 | ● | ● | ● | ● | ● | ● | ● | ● | |||||||||||||||||||
| d2 | ● | ● | ● | ● | ● | ● | ● | ● | ||||||||||||||||||||
| SFF-080SS-□B-□B-150N | d1 | ● | ● | ● | ● | ● | ● | ● | ||||||||||||||||||||
| d2 | ● | ● | ● | ● | ● | ● | ● | |||||||||||||||||||||
| SFF-080SS-□B-□B-200N | d1 | ● | ● | ● | ● | ● | ● | ● | ● | |||||||||||||||||||
| d2 | ● | ● | ● | ● | ● | ● | ● | ● | ||||||||||||||||||||
| SFF-090SS-□B-□B-250N | d1 | ● | ● | |||||||||||||||||||||||||
| d2 | ● | ● | ● | ● | ● | ● | ● | ● | ||||||||||||||||||||
| SFF-090SS-□B-□B-300N | d1 | ● | ● | ● | ● | ● | ● | |||||||||||||||||||||
| d2 | ● | ● | ● | ● | ● | ● | ||||||||||||||||||||||
| SFF-100SS-□B-□B-450N | d1 | ● | ● | ● | ● | ● | ● | ● | ||||||||||||||||||||
| d2 | ● | ● | ● | ● | ● | ● | ● | |||||||||||||||||||||
| SFF-120SS-□B-□B-600N | d1 | ● | ● | ● | ● | ● | ● | ● | ● | ● | ||||||||||||||||||
| d2 | ● | ● | ● | ● | ● | ● | ● | ● | ● | |||||||||||||||||||
- ●印の入っている欄の穴径は標準穴径として対応しています。
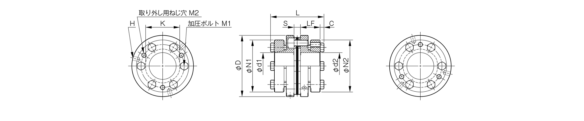
【仕様】 くさび締結タイプ
| 型式 | 許容トルク [N・m] | 許容誤差 | 最高回転速度 [min-1] |
ねじりばね定数 [N・m/rad] |
軸方向ばね定数 [N/mm] |
慣性モーメント [kg・m2] |
質量 [kg] | 価格 [円] | ||
|---|---|---|---|---|---|---|---|---|---|---|
| 偏心 [mm] | 偏角 [°] | 軸方向 [mm] | ||||||||
| SFF-070SS-□K-□K-100N | 100 | 0.02 | 1 | ±0.5 | 18000 | 240000 | 484 | 0.66×10-3 | 0.92 | 28230 |
| SFF-080SS-□K-□K-150N | 150 | 0.02 | 1 | ±0.5 | 17000 | 120000 | 96 | 1.21×10-3 | 1.03 | 31310 |
| SFF-080SS-□K-□K-200N | 200 | 0.02 | 1 | ±0.5 | 17000 | 310000 | 546 | 1.11×10-3 | 1.26 | 33260 |
| SFF-090SS-□K-□K-300N | 300 | 0.02 | 1 | ±0.6 | 15000 | 520000 | 321 | 1.75×10-3 | 1.48 | 35220 |
| SFF-100SS-□K-□K-450N | 450 | 0.02 | 1 | ±0.65 | 13000 | 740000 | 540 | 2.56×10-3 | 1.87 | 39130 |
| SFF-120SS-□K-□K-600N | 600 | 0.02 | 1 | ±0.8 | 11000 | 970000 | 360 | 5.33×10-3 | 2.50 | 51710 |
| SFF-140SS-□K-□K-800N | 800 | 0.02 | 1 | ±1.0 | 10000 | 1400000 | 360 | 10.28×10-3 | 4.66 | 65690 |
| SFF-140SS-□K-□K-1000N | 1000 | 0.02 | 1 | ±1.0 | 10000 | 1400000 | 360 | 14.70×10-3 | 5.01 | 65690 |
- 最高回転速度は動バランスを考慮しておりません。
- ねじりばね定数の値は、エレメント単体での値になります。
- 慣性モーメントおよび質量は、最大穴径時の値となります。
【寸法】 くさび締結タイプ
| 型式 | d1[mm] | d2[mm] | D[mm] | L[mm] | N1・N2[mm] | LF[mm] | S[mm] | C[mm] | K[mm] | H[mm] | M1 数量-呼び |
M1 締め付け トルク [N・m] |
M2 数量-呼び |
|---|---|---|---|---|---|---|---|---|---|---|---|---|---|
| SFF-070SS-□K-□K-100N | 18・19 | 18・19 | 68 | 62.9 | 53 | 23.5 | 5.9 | 5 | 38 | 3-5.1 | 6-M6 | 10 | 3-M6 |
| 20・22・24・25 | 20・22・24・25 | 68 | 62.9 | 58 | 23.5 | 5.9 | 5 | 38 | 3-5.1 | 6-M6 | 10 | 3-M6 | |
| 28・30 | 28・30 | 68 | 62.9 | 63 | 23.5 | 5.9 | 5 | 38 | 3-5.1 | 6-M6 | 10 | 3-M6 | |
| 32・35 | 32・35 | 68 | 62.9 | 68 | 23.5 | 5.9 | 5 | 38 | 3-5.1 | 6-M6 | 10 | 3-M6 | |
| SFF-080SS-□K-□K-150N | 22・24・25 | 22・24・25 | 78 | 69.3 | 58 | 25.5 | 8.3 | 5 | 37 | 4-5.1 | 4-M6 | 10 | 2-M6 |
| 28・30 | 28・30 | 78 | 69.3 | 63 | 25.5 | 8.3 | 5 | 37 | 4-5.1 | 4-M6 | 10 | 2-M6 | |
| 32・35 | 32・35 | 78 | 69.3 | 68 | 25.5 | 8.3 | 5 | 37 | 4-5.1 | 4-M6 | 10 | 2-M6 | |
| - | 38 | 78 | 69.3 | 73 | 25.5 | 8.3 | 5 | 37 | 4-5.1 | 4-M6 | 10 | 2-M6 | |
| SFF-080SS-□K-□K-200N | 22・24・25 | 22・24・25 | 78 | 68.7 | 58 | 25.5 | 7.7 | 5 | 42 | 3-5.1 | 6-M6 | 10 | 3-M6 |
| 28・30 | 28・30 | 78 | 68.7 | 63 | 25.5 | 7.7 | 5 | 42 | 3-5.1 | 6-M6 | 10 | 3-M6 | |
| 32・35 | 32・35 | 78 | 68.7 | 68 | 25.5 | 7.7 | 5 | 42 | 3-5.1 | 6-M6 | 10 | 3-M6 | |
| 38 | 38 | 78 | 68.7 | 73 | 25.5 | 7.7 | 5 | 42 | 3-5.1 | 6-M6 | 10 | 3-M6 | |
| SFF-090SS-□K-□K-300N | 28・30 | 28・30 | 88 | 69.3 | 63 | 25.5 | 8.3 | 5 | 50 | 3-6.8 | 6-M6 | 10 | 3-M6 |
| 32・35 | 32・35 | 88 | 69.3 | 68 | 25.5 | 8.3 | 5 | 50 | 3-6.8 | 6-M6 | 10 | 3-M6 | |
| 38・40・42 | 38・40・42 | 88 | 69.3 | 73 | 25.5 | 8.3 | 5 | 50 | 3-6.8 | 6-M6 | 10 | 3-M6 | |
| 45 | 45 | 88 | 69.3 | 78 | 25.5 | 8.3 | 5 | 50 | 3-6.8 | 6-M6 | 10 | 3-M6 | |
| 48 | 48 | 88 | 69.3 | 83 | 25.5 | 8.3 | 5 | 50 | 3-6.8 | 6-M6 | 10 | 3-M6 | |
| SFF-100SS-□K-□K-450N | 32・35 | 32・35 | 98 | 75.2 | 68 | 27.5 | 10.2 | 5 | 56 | 3-6.8 | 6-M6 | 10 | 3-M6 |
| 38・40・42 | 38・40・42 | 98 | 75.2 | 73 | 27.5 | 10.2 | 5 | 56 | 3-6.8 | 6-M6 | 10 | 3-M6 | |
| 45 | 45 | 98 | 75.2 | 78 | 27.5 | 10.2 | 5 | 56 | 3-6.8 | 6-M6 | 10 | 3-M6 | |
| 48・50 | 48・50 | 98 | 75.2 | 83 | 27.5 | 10.2 | 5 | 56 | 3-6.8 | 6-M6 | 10 | 3-M6 | |
| SFF-120SS-□K-□K-600N | 35 | 35 | 118 | 75.2 | 68 | 27.5 | 10.2 | 5 | 68 | 3-6.8 | 6-M6 | 10 | 3-M6 |
| 38・40・42 | 38・40・42 | 118 | 75.2 | 73 | 27.5 | 10.2 | 5 | 68 | 3-6.8 | 6-M6 | 10 | 3-M6 | |
| 45 | 45 | 118 | 75.2 | 78 | 27.5 | 10.2 | 5 | 68 | 3-6.8 | 6-M6 | 10 | 3-M6 | |
| 48・50・52 | 48・50・52 | 118 | 75.2 | 83 | 27.5 | 10.2 | 5 | 68 | 3-6.8 | 6-M6 | 10 | 3-M6 | |
| 55 | 55 | 118 | 75.2 | 88 | 27.5 | 10.2 | 5 | 68 | 3-6.8 | 6-M6 | 10 | 3-M6 | |
| 60・62・65 | 60・62・65 | 118 | 75.2 | 98 | 27.5 | 10.2 | 5 | 68 | 3-6.8 | 6-M6 | 10 | 3-M6 | |
| - | 70 | 118 | 75.2 | 108 | 27.5 | 10.2 | 5 | 68 | 3-6.8 | 6-M6 | 10 | 3-M6 | |
| SFF-140SS-□K-□K-800N | 35・38 | 35・38 | 138 | 94.6 | 83 | 36.5 | 10.6 | 5.5 | 78 | 3-8.6 | 6-M8 | 24 | 3-M8 |
| 40・42・45 | 40・42・45 | 138 | 94.6 | 88 | 36.5 | 10.6 | 5.5 | 78 | 3-8.6 | 6-M8 | 24 | 3-M8 | |
| - | 48・50・52 | 138 | 94.6 | 98 | 36.5 | 10.6 | 5.5 | 78 | 3-8.6 | 6-M8 | 24 | 3-M8 | |
| - | 55・60 | 138 | 94.6 | 108 | 36.5 | 10.6 | 5.5 | 78 | 3-8.6 | 6-M8 | 24 | 3-M8 | |
| - | 62・65・70 | 138 | 94.6 | 118 | 36.5 | 10.6 | 5.5 | 78 | 3-8.6 | 6-M8 | 24 | 3-M8 | |
| - | 75・80 | 138 | 94.6 | 128 | 36.5 | 10.6 | 5.5 | 78 | 3-8.6 | 6-M8 | 24 | 3-M8 | |
| SFF-140SS-□K-□K-1000N | 48・50・52 | 48・50・52 | 138 | 94.6 | 98 | 36.5 | 10.6 | 5.5 | 78 | 3-8.6 | 6-M8 | 24 | 3-M8 |
| 55・60 | 55・60 | 138 | 94.6 | 108 | 36.5 | 10.6 | 5.5 | 78 | 3-8.6 | 6-M8 | 24 | 3-M8 | |
| 62・65・70 | 62・65・70 | 138 | 94.6 | 118 | 36.5 | 10.6 | 5.5 | 78 | 3-8.6 | 6-M8 | 24 | 3-M8 | |
| 75 | 75・80 | 138 | 94.6 | 128 | 36.5 | 10.6 | 5.5 | 78 | 3-8.6 | 6-M8 | 24 | 3-M8 |
- 加圧ボルトM1・取り外し用ねじ穴M2の呼びは数量-ねじの呼びです。また、H・M1・M2の数量は片側ハブの数量です。
【標準穴径】
| 型式 | 標準穴径 d1・d2[mm] | ||||||||||||||||||||||||
|---|---|---|---|---|---|---|---|---|---|---|---|---|---|---|---|---|---|---|---|---|---|---|---|---|---|
| 呼び | 18 | 19 | 20 | 22 | 24 | 25 | 28 | 30 | 32 | 35 | 38 | 40 | 42 | 45 | 48 | 50 | 52 | 55 | 60 | 62 | 65 | 70 | 75 | 80 | |
| SFF-070SS-□K-□K-100N | d1 | ● | ● | ● | ● | ● | ● | ● | ● | ● | ● | ||||||||||||||
| d2 | ● | ● | ● | ● | ● | ● | ● | ● | ● | ● | |||||||||||||||
| SFF-080SS-□K-□K-150N | d1 | ● | ● | ● | ● | ● | ● | ● | |||||||||||||||||
| d2 | ● | ● | ● | ● | ● | ● | ● | ● | |||||||||||||||||
| SFF-080SS-□K-□K-200N | d1 | ● | ● | ● | ● | ● | ● | ● | ● | ||||||||||||||||
| d2 | ● | ● | ● | ● | ● | ● | ● | ● | |||||||||||||||||
| SFF-090SS-□K-□K-300N | d1 | ● | ● | ● | ● | ● | ● | ● | ● | ● | |||||||||||||||
| d2 | ● | ● | ● | ● | ● | ● | ● | ● | ● | ||||||||||||||||
| SFF-100SS-□K-□K-450N | d1 | ● | ● | ● | ● | ● | ● | ● | ● | ||||||||||||||||
| d2 | ● | ● | ● | ● | ● | ● | ● | ● | |||||||||||||||||
| SFF-120SS-□K-□K-600N | d1 | ● | ● | ● | ● | ● | ● | ● | ● | ● | ● | ● | ● | ||||||||||||
| d2 | ● | ● | ● | ● | ● | ● | ● | ● | ● | ● | ● | ● | ● | ||||||||||||
| SFF-140SS-□K-□K-800N | d1 | ● | ● | ● | ● | ● | |||||||||||||||||||
| d2 | ● | ● | ● | ● | ● | ● | ● | ● | ● | ● | ● | ● | ● | ● | ● | ||||||||||
| SFF-140SS-□K-□K-1000N | d1 | ● | ● | ● | ● | ● | ● | ● | ● | ● | |||||||||||||||
| d2 | ● | ● | ● | ● | ● | ● | ● | ● | ● | ● | |||||||||||||||
- ●印の入っている欄の穴径は標準穴径として対応しています。