SFM[SS]タイプ
工作機械の主軸用カップリングに要求される、高トルク・低慣性・高速回転の実現に向けたハイスペックモデルです。軸への締結方法に従来からのくさび締結方式に加え、新たにクランプ方式を追加、選択の幅が大きく広がりました。また、バランス修正を標準装備、高速回転での問題を解決します。
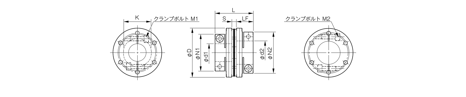
【仕様】クランプ締結タイプ
| 型式 | 許容トルク [N・m] |
許容誤差 | 最高回転速度 [min-1] |
ねじりばね定数 [N・m/rad] |
軸方向ばね定数 [N/mm] |
慣性モーメント [kg・m2] |
質量 [kg] |
価格 [円] |
||
|---|---|---|---|---|---|---|---|---|---|---|
| 偏心 [mm] |
偏角 [°] |
軸方向 [mm] |
||||||||
| SFM-060SS-□B-□B-60N | 60 | 0.02 | 1 | ±0.3 | 24000 | 104000 | 399 | 0.22×10-3 | 0.52 | - |
| SFM-060SS-□B-□B-80N | 80 | 0.02 | 1 | ±0.3 | 24000 | 104000 | 399 | 0.23×10-3 | 0.49 | - |
| SFM-070SS-□B-□B-90N | 90 | 0.02 | 1 | ±0.5 | 24000 | 240000 | 484 | 0.40×10-3 | 0.72 | - |
| SFM-070SS-□B-□B-100N | 100 | 0.02 | 1 | ±0.5 | 24000 | 240000 | 484 | 0.42×10-3 | 0.67 | - |
| SFM-080SS-□B-□B-150N | 150 | 0.02 | 1 | ±0.5 | 24000 | 120000 | 96 | 0.79×10-3 | 1.04 | - |
| SFM-080SS-□B-□B-200N | 200 | 0.02 | 1 | ±0.5 | 24000 | 310000 | 546 | 1.25×10-3 | 1.40 | - |
| SFM-090SS-□B-□B-250N | 250 | 0.02 | 1 | ±0.6 | 24000 | 520000 | 321 | 1.54×10-3 | 1.62 | - |
| SFM-090SS-□B-□B-300N | 300 | 0.02 | 1 | ±0.6 | 24000 | 520000 | 321 | 1.58×10-3 | 1.53 | - |
| SFM-100SS-□B-□B-450N | 450 | 0.02 | 1 | ±0.65 | 20000 | 740000 | 540 | 3.27×10-3 | 2.53 | - |
| SFM-120SS-□B-□B-600N | 600 | 0.02 | 1 | ±0.8 | 20000 | 970000 | 360 | 6.90×10-3 | 3.78 | - |
- ねじりばね定数の値は、エレメント単体での値になります。
- 慣性モーメントおよび質量は、最大穴径時の値となります
【寸法】クランプ締結タイプ
単位 [mm]
| 型式 | d1[mm] | d2[mm] | D[mm] | L[mm] | N1・N2[mm] | LF[mm] | S[mm] | K[mm] | M1・M2 数量-呼び |
M1・M2 締め付け トルク [N・m] |
|---|---|---|---|---|---|---|---|---|---|---|
| SFM-060SS-□B-□B-60N | 12・14・15・16・17・18・19 | 12・14・15・16・17・18・19・20・22 | 58 | 53.4 | 44 | 24 | 5.4 | 32 | 2-M6 | 14 |
| - | 24・25・28 | 58 | 53.4 | 48 | 24 | 5.4 | 32 | 2-M5 | 7 | |
| - | 30 | 58 | 53.4 | 52 | 24 | 5.4 | 32 | 2-M5 | 7 | |
| SFM-060SS-□B-□B-80N | 20・22 | 20・22 | 58 | 53.4 | 44 | 24 | 5.4 | 32 | 2-M6 | 14 |
| 24・25・28 | 24・25・28 | 58 | 53.4 | 48 | 24 | 5.4 | 32 | 2-M5 | 7 | |
| 30 | 30 | 58 | 53.4 | 52 | 24 | 5.4 | 32 | 2-M5 | 7 | |
| SFM-070SS-□B-□B-90N | 18・19 | 18・19・20・22・24・25 | 68 | 55.9 | 47 | 25 | 5.9 | 38 | 2-M6 | 14 |
| - | 28・30・32・35 | 68 | 55.9 | 56 | 25 | 5.9 | 38 | 2-M6 | 14 | |
| SFM-070SS-□B-□B-100N | 20・22・24・25 | 20・22・24・25 | 68 | 55.9 | 47 | 25 | 5.9 | 38 | 2-M6 | 14 |
| 28・30・32・35 | 28・30・32・35 | 68 | 55.9 | 56 | 25 | 5.9 | 38 | 2-M6 | 14 | |
| SFM-080SS-□B-□B-150N | 22・24・25 | 22・24・25 | 78 | 68.3 | 53 | 30 | 8.3 | 37 | 2-M8 | 34 |
| 28・30・32・35 | 28・30・32・35 | 78 | 68.3 | 56 | 30 | 8.3 | 37 | 2-M6 | 14 | |
| SFM-080SS-□B-□B-200N | 22・24・25 | 22・24・25 | 78 | 67.7 | 53 | 30 | 7.7 | 42 | 2-M8 | 34 |
| 28・30・32・35 | 28・30・32・35 | 78 | 67.7 | 70 | 30 | 7.7 | 42 | 2-M8 | 34 | |
| 38 | 38 | 78 | 67.7 | 74 | 30 | 7.7 | 42 | 2-M8 | 34 | |
| SFM-090SS-□B-□B-250N | 25・28 | 25・28・30・32 | 88 | 68.3 | 66 | 30 | 8.3 | 50 | 2-M8 | 34 |
| - | 35・38・40・42 | 88 | 68.3 | 74 | 30 | 8.3 | 50 | 2-M8 | 34 | |
| SFM-090SS-□B-□B-300N | 30・32 | 30・32 | 88 | 68.3 | 66 | 30 | 8.3 | 50 | 2-M8 | 34 |
| 35・38・40・42 | 35・38・40・42 | 88 | 68.3 | 74 | 30 | 8.3 | 50 | 2-M8 | 34 | |
| SFM-100SS-□B-□B-450N | 32・35・38・40・42・45・48 | 32・35・38・40・42・45・48 | 98 | 90.2 | 84 | 40 | 10.2 | 56 | 2-M10 | 68 |
| SFM-120SS-□B-□B-600N | 32・35・38・40・42・45 | 32・35・38・40・42・45 | 118 | 90.2 | 84 | 40 | 10.2 | 68 | 2-M10 | 68 |
| 48・50・55 | 48・50・55 | 118 | 90.2 | 100 | 40 | 10.2 | 68 | 2-M10 | 68 |
- クランプボルトM1・M2の呼びは数量-ねじの呼びで、数量は片側ハブの数量です。
【標準穴径】 クランプ締結タイプ
| 型式 | 標準穴径 d1・d2[mm] | ||||||||||||||||||||||
|---|---|---|---|---|---|---|---|---|---|---|---|---|---|---|---|---|---|---|---|---|---|---|---|
| 呼び | 12 | 14 | 15 | 16 | 17 | 18 | 19 | 20 | 22 | 24 | 25 | 28 | 30 | 32 | 35 | 38 | 40 | 42 | 45 | 48 | 50 | 55 | |
| SFM-060SS-□B-□B-60N | d1 | ● | ● | ● | ● | ● | ● | ● | |||||||||||||||
| d2 | ● | ● | ● | ● | ● | ● | ● | ● | ● | ● | ● | ● | ● | ||||||||||
| SFM-060SS-□B-□B-80N | d1 | ● | ● | ● | ● | ● | ● | ||||||||||||||||
| d2 | ● | ● | ● | ● | ● | ● | |||||||||||||||||
| SFM-070SS-□B-□B-90N | d1 | ● | ● | ||||||||||||||||||||
| d2 | ● | ● | ● | ● | ● | ● | ● | ● | ● | ● | |||||||||||||
| SFM-070SS-□B-□B-100N | d1 | ● | ● | ● | ● | ● | ● | ● | ● | ||||||||||||||
| d2 | ● | ● | ● | ● | ● | ● | ● | ● | |||||||||||||||
| SFM-080SS-□B-□B-150N | d1 | ● | ● | ● | ● | ● | ● | ● | |||||||||||||||
| d2 | ● | ● | ● | ● | ● | ● | ● | ||||||||||||||||
| SFM-080SS-□B-□B-200N | d1 | ● | ● | ● | ● | ● | ● | ● | ● | ||||||||||||||
| d2 | ● | ● | ● | ● | ● | ● | ● | ● | |||||||||||||||
| SFM-090SS-□B-□B-250N | d1 | ● | ● | ||||||||||||||||||||
| d2 | ● | ● | ● | ● | ● | ● | ● | ● | |||||||||||||||
| SFM-090SS-□B-□B-300N | d1 | ● | ● | ● | ● | ● | ● | ||||||||||||||||
| d2 | ● | ● | ● | ● | ● | ● | |||||||||||||||||
| SFM-100SS-□B-□B-450N | d1 | ● | ● | ● | ● | ● | ● | ● | |||||||||||||||
| d2 | ● | ● | ● | ● | ● | ● | ● | ||||||||||||||||
| SFM-120SS-□B-□B-600N | d1 | ● | ● | ● | ● | ● | ● | ● | ● | ● | |||||||||||||
| d2 | ● | ● | ● | ● | ● | ● | ● | ● | ● | ||||||||||||||
- ●印の入っている欄の穴径は標準穴径として対応しています。
【バランス修正】 クランプ締結タイプ
| 型式(サイズ) | 対応回転速度[min^-1] | ||||
|---|---|---|---|---|---|
| 10000以下 | 15000以下 | 18000以下 | 20000以下 | 24000以下 | |
| SFM-060SS | ● | ● | ● | ● | ● |
| SFM-070SS | ● | ● | ● | ● | ● |
| SFM-080SS | ● | ● | ● | ● | ● |
| SFM-090SS | ● | ● | ● | ● | ● |
| SFM-100SS | ● | ● | ● | ● | |
| SFM-120SS | ● | ● | ● | ● | |
- ●印の入っている欄の対応回転速度でバランス修正いたします。
【仕様】 くさび締結タイプ
| 型式 | 許容トルク [N・m] |
許容誤差 | 最高回転速度 [min-1] |
ねじりばね定数 [N・m/rad] |
軸方向ばね定数 [N/mm] |
慣性モーメント [kg・m2] |
質量 [kg] |
価格 [円] |
||
|---|---|---|---|---|---|---|---|---|---|---|
| 偏心 [mm] |
偏角 [°] |
軸方向 [mm] |
||||||||
| SFM-070SS-□K-□K-100N | 100 | 0.02 | 1 | ±0.5 | 24000 | 240000 | 484 | 0.66×10-3 | 0.92 | - |
| SFM-080SS-□K-□K-150N | 150 | 0.02 | 1 | ±0.5 | 24000 | 120000 | 96 | 1.21×10-3 | 1.03 | - |
| SFM-080SS-□K-□K-200N | 200 | 0.02 | 1 | ±0.5 | 24000 | 310000 | 546 | 1.11×10-3 | 1.26 | - |
| SFM-090SS-□K-□K-300N | 300 | 0.02 | 1 | ±0.6 | 24000 | 520000 | 321 | 1.75×10-3 | 1.48 | - |
| SFM-100SS-□K-□K-450N | 450 | 0.02 | 1 | ±0.65 | 20000 | 740000 | 540 | 2.56×10-3 | 1.87 | - |
| SFM-120SS-□K-□K-600N | 600 | 0.02 | 1 | ±0.8 | 20000 | 970000 | 360 | 5.33×10-3 | 2.50 | - |
| SFM-140SS-□K-□K-800N | 800 | 0.02 | 1 | ±1.0 | 20000 | 1400000 | 360 | 10.28×10-3 | 4.66 | - |
| SFM-140SS-□K-□K-1000N | 1000 | 0.02 | 1 | ±1.0 | 20000 | 1400000 | 360 | 14.70×10-3 | 5.01 | - |
- ねじりばね定数の値は、エレメント単体での値になります。
- 慣性モーメントおよび質量は、最大穴径時の値となります。
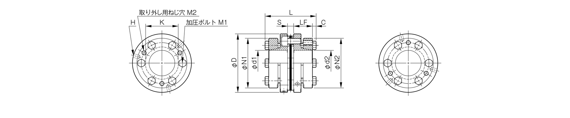
【寸法】 くさび締結タイプ
単位 [mm]
| 型式 | d1[mm] | d2[mm] | D[mm] | L[mm] | N1・N2[mm] | LF[mm] | S[mm] | C[mm] | K[mm] | H[mm] | M1 数量-呼び |
M1 締め付け トルク [N・m] |
M2 数量-呼び |
|---|---|---|---|---|---|---|---|---|---|---|---|---|---|
| SFM-070SS-□K-□K-100N | 18・19 | 18・19 | 68 | 62.9 | 53 | 23.5 | 5.9 | 5 | 38 | 3-5.1 | 6-M6 | 10 | 3-M6 |
| 20・22・24・25 | 20・22・24・25 | 68 | 62.9 | 58 | 23.5 | 5.9 | 5 | 38 | 3-5.1 | 6-M6 | 10 | 3-M6 | |
| 28・30 | 28・30 | 68 | 62.9 | 63 | 23.5 | 5.9 | 5 | 38 | 3-5.1 | 6-M6 | 10 | 3-M6 | |
| 32・35 | 32・35 | 68 | 62.9 | 68 | 23.5 | 5.9 | 5 | 38 | 3-5.1 | 6-M6 | 10 | 3-M6 | |
| SFM-080SS-□K-□K-150N | 22・24・25 | 22・24・25 | 78 | 69.3 | 58 | 25.5 | 8.3 | 5 | 37 | 4-5.1 | 4-M6 | 10 | 2-M6 |
| 28・30 | 28・30 | 78 | 69.3 | 63 | 25.5 | 8.3 | 5 | 37 | 4-5.1 | 4-M6 | 10 | 2-M6 | |
| 32・35 | 32・35 | 78 | 69.3 | 68 | 25.5 | 8.3 | 5 | 37 | 4-5.1 | 4-M6 | 10 | 2-M6 | |
| - | 38 | 78 | 69.3 | 73 | 25.5 | 8.3 | 5 | 37 | 4-5.1 | 4-M6 | 10 | 2-M6 | |
| SFM-080SS-□K-□K-200N | 22・24・25 | 22・24・25 | 78 | 68.7 | 58 | 25.5 | 7.7 | 5 | 42 | 3-5.1 | 6-M6 | 10 | 3-M6 |
| 28・30 | 28・30 | 78 | 68.7 | 63 | 25.5 | 7.7 | 5 | 42 | 3-5.1 | 6-M6 | 10 | 3-M6 | |
| 32・35 | 32・35 | 78 | 68.7 | 68 | 25.5 | 7.7 | 5 | 42 | 3-5.1 | 6-M6 | 10 | 3-M6 | |
| 38 | 38 | 78 | 68.7 | 73 | 25.5 | 7.7 | 5 | 42 | 3-5.1 | 6-M6 | 10 | 3-M6 | |
| SFM-090SS-□K-□K-300N | 28・30 | 28・30 | 88 | 69.3 | 63 | 25.5 | 8.3 | 5 | 50 | 3-6.8 | 6-M6 | 10 | 3-M6 |
| 32・35 | 32・35 | 88 | 69.3 | 68 | 25.5 | 8.3 | 5 | 50 | 3-6.8 | 6-M6 | 10 | 3-M6 | |
| 38・40・42 | 38・40・42 | 88 | 69.3 | 73 | 25.5 | 8.3 | 5 | 50 | 3-6.8 | 6-M6 | 10 | 3-M6 | |
| 45 | 45 | 88 | 69.3 | 78 | 25.5 | 8.3 | 5 | 50 | 3-6.8 | 6-M6 | 10 | 3-M6 | |
| 48 | 48 | 88 | 69.3 | 83 | 25.5 | 8.3 | 5 | 50 | 3-6.8 | 6-M6 | 10 | 3-M6 | |
| SFM-100SS-□K-□K-450N | 32・35 | 32・35 | 98 | 75.2 | 68 | 27.5 | 10.2 | 5 | 56 | 3-6.8 | 6-M6 | 10 | 3-M6 |
| 38・40・42 | 38・40・42 | 98 | 75.2 | 73 | 27.5 | 10.2 | 5 | 56 | 3-6.8 | 6-M6 | 10 | 3-M6 | |
| 45 | 45 | 98 | 75.2 | 78 | 27.5 | 10.2 | 5 | 56 | 3-6.8 | 6-M6 | 10 | 3-M6 | |
| 48・50 | 48・50 | 98 | 75.2 | 83 | 27.5 | 10.2 | 5 | 56 | 3-6.8 | 6-M6 | 10 | 3-M6 | |
| SFM-120SS-□K-□K-600N | 35 | 35 | 118 | 75.2 | 68 | 27.5 | 10.2 | 5 | 68 | 3-6.8 | 6-M6 | 10 | 3-M6 |
| 38・40・42 | 38・40・42 | 118 | 75.2 | 73 | 27.5 | 10.2 | 5 | 68 | 3-6.8 | 6-M6 | 10 | 3-M6 | |
| 45 | 45 | 118 | 75.2 | 78 | 27.5 | 10.2 | 5 | 68 | 3-6.8 | 6-M6 | 10 | 3-M6 | |
| 48・50・52 | 48・50・52 | 118 | 75.2 | 83 | 27.5 | 10.2 | 5 | 68 | 3-6.8 | 6-M6 | 10 | 3-M6 | |
| 55 | 55 | 118 | 75.2 | 88 | 27.5 | 10.2 | 5 | 68 | 3-6.8 | 6-M6 | 10 | 3-M6 | |
| 60・62・65 | 60・62・65 | 118 | 75.2 | 98 | 27.5 | 10.2 | 5 | 68 | 3-6.8 | 6-M6 | 10 | 3-M6 | |
| - | 70 | 118 | 75.2 | 108 | 27.5 | 10.2 | 5 | 68 | 3-6.8 | 6-M6 | 10 | 3-M6 | |
| SFM-140SS-□K-□K-800N | 35・38 | 35・38 | 138 | 94.6 | 83 | 36.5 | 10.6 | 5.5 | 78 | 3-8.6 | 6-M8 | 24 | 3-M8 |
| 40・42・45 | 40・42・45 | 138 | 94.6 | 88 | 36.5 | 10.6 | 5.5 | 78 | 3-8.6 | 6-M8 | 24 | 3-M8 | |
| - | 48・50・52 | 138 | 94.6 | 98 | 36.5 | 10.6 | 5.5 | 78 | 3-8.6 | 6-M8 | 24 | 3-M8 | |
| - | 55・60 | 138 | 94.6 | 108 | 36.5 | 10.6 | 5.5 | 78 | 3-8.6 | 6-M8 | 24 | 3-M8 | |
| - | 62・65・70 | 138 | 94.6 | 118 | 36.5 | 10.6 | 5.5 | 78 | 3-8.6 | 6-M8 | 24 | 3-M8 | |
| - | 75・80 | 138 | 94.6 | 128 | 36.5 | 10.6 | 5.5 | 78 | 3-8.6 | 6-M8 | 24 | 3-M8 | |
| SFM-140SS-□K-□K-1000N | 48・50・52 | 48・50・52 | 138 | 94.6 | 98 | 36.5 | 10.6 | 5.5 | 78 | 3-8.6 | 6-M8 | 24 | 3-M8 |
| 55・60 | 55・60 | 138 | 94.6 | 108 | 36.5 | 10.6 | 5.5 | 78 | 3-8.6 | 6-M8 | 24 | 3-M8 | |
| 62・65・70 | 62・65・70 | 138 | 94.6 | 118 | 36.5 | 10.6 | 5.5 | 78 | 3-8.6 | 6-M8 | 24 | 3-M8 | |
| 75 | 75・80 | 138 | 94.6 | 128 | 36.5 | 10.6 | 5.5 | 78 | 3-8.6 | 6-M8 | 24 | 3-M8 |
- 加圧ボルトM1・取り外し用ねじ穴M2の呼びは数量-ねじの呼びです。また、H・M1・M2の数量は片側ハブの数量です。
【標準穴径】 くさび締結タイプ
| 型式 | 標準穴径 d1・d2[mm] | ||||||||||||||||||||||||
|---|---|---|---|---|---|---|---|---|---|---|---|---|---|---|---|---|---|---|---|---|---|---|---|---|---|
| 呼び | 18 | 19 | 20 | 22 | 24 | 25 | 28 | 30 | 32 | 35 | 38 | 40 | 42 | 45 | 48 | 50 | 52 | 55 | 60 | 62 | 65 | 70 | 75 | 80 | |
| SFM-070SS-□K-□K-100N | d1 | ● | ● | ● | ● | ● | ● | ● | ● | ● | ● | ||||||||||||||
| d2 | ● | ● | ● | ● | ● | ● | ● | ● | ● | ● | |||||||||||||||
| SFM-080SS-□K-□K-150N | d1 | ● | ● | ● | ● | ● | ● | ● | |||||||||||||||||
| d2 | ● | ● | ● | ● | ● | ● | ● | ● | |||||||||||||||||
| SFM-080SS-□K-□K-200N | d1 | ● | ● | ● | ● | ● | ● | ● | ● | ||||||||||||||||
| d2 | ● | ● | ● | ● | ● | ● | ● | ● | |||||||||||||||||
| SFM-090SS-□K-□K-300N | d1 | ● | ● | ● | ● | ● | ● | ● | ● | ● | |||||||||||||||
| d2 | ● | ● | ● | ● | ● | ● | ● | ● | ● | ||||||||||||||||
| SFM-100SS-□K-□K-450N | d1 | ● | ● | ● | ● | ● | ● | ● | ● | ||||||||||||||||
| d2 | ● | ● | ● | ● | ● | ● | ● | ● | |||||||||||||||||
| SFM-120SS-□K-□K-600N | d1 | ● | ● | ● | ● | ● | ● | ● | ● | ● | ● | ● | ● | ||||||||||||
| d2 | ● | ● | ● | ● | ● | ● | ● | ● | ● | ● | ● | ● | ● | ||||||||||||
| SFM-140SS-□K-□K-800N | d1 | ● | ● | ● | ● | ● | |||||||||||||||||||
| d2 | ● | ● | ● | ● | ● | ● | ● | ● | ● | ● | ● | ● | ● | ● | ● | ||||||||||
| SFM-140SS-□K-□K-1000N | d1 | ● | ● | ● | ● | ● | ● | ● | ● | ● | |||||||||||||||
| d2 | ● | ● | ● | ● | ● | ● | ● | ● | ● | ● | |||||||||||||||
- ●印の入っている欄の穴径は標準穴径として対応しています。
【バランス修正】 くさび締結タイプ
| 型式(サイズ) | 対応回転速度[min^-1] | ||||
|---|---|---|---|---|---|
| 10000以下 | 15000以下 | 18000以下 | 20000以下 | 24000以下 | |
| SFM-070SS | ● | ● | ● | ● | ● |
| SFM-080SS | ● | ● | ● | ● | ● |
| SFM-090SS | ● | ● | ● | ● | ● |
| SFM-100SS | ● | ● | ● | ● | |
| SFM-120SS | ● | ● | ● | ● | |
| SFM-140SS | ● | ● | ● | ● | |
- ●印の入っている欄の対応回転速度でバランス修正いたします。