CPEモデル
ピンとブッシュによって動力を伝達するカップリングで、ピンとブッシュの摺動部による減衰性があり、大きな偏心、偏角を吸収しながら、安定した回転伝達が可能です。偏心、偏角の吸収はたわみによるものではないため、軸反力が極小です。CPEモデルは、最大1°までの偏角を許容できます。
【仕様】
| 型式 | トルク | 許容誤差 | 最高回転速度[min−1] | ねじりばね定数[N・m/rad] | 慣性モーメント[kg ・m2] | 質量[kg] | 価格[円] | ||
|---|---|---|---|---|---|---|---|---|---|
| 常用[N ・m] | 最大[N ・m] | 偏心[mm] | 偏角[°] | ||||||
| CPE-19 | 0.7 | 1.4 | 0.2 | 1 | 6000 | 500 | 0.69×10−6 | 0.015 | 5,040 |
| CPE-29 | 2 | 4 | 700 | 5.80×10−6 | 0.050 | 6,380 | |||
| CPE-39 | 5 | 10 | 1900 | 18.50×10−6 | 0.080 | 7,710 | |||
- CPE-19の各トルクは穴径4mm以上のときの値となります。
- 最高回転速度は動バランスを考慮しておりません。
- 慣性モーメントおよび質量は、最大穴径時の値となります。
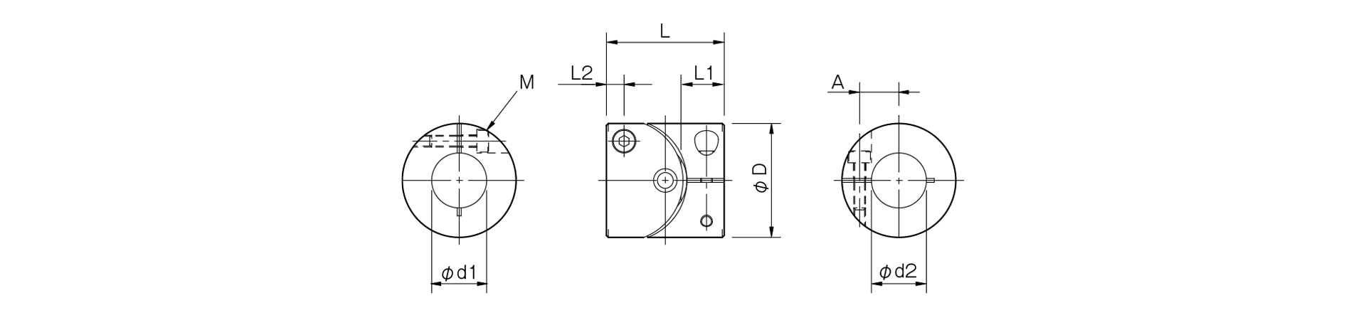
【寸法】
単位 [mm]
| 型式 | d1・d2 | D | L | L1 | L2 | M | A | CADファイルNo. | |
|---|---|---|---|---|---|---|---|---|---|
| 最小 | 最大 | ||||||||
| CPE-19 | 3 | 8 | 19 | 19.4 | 6 | 2.75 | M2.5 | 6 | CPE2 |
| CPE-29 | 6 | 14 | 29 | 30 | 9.5 | 4.5 | M3 | 10 | CPE3 |
| CPE-39 | 8 | 20 | 39 | 40 | 12.5 | 6 | M4 | 14 | CPE4 |
- 軸挿入長さは、L1寸法まで挿入してください。(注:軸は貫通できません。)
- 相手取り付け軸の寸法許容差はh7級となります。
【標準穴径】
| 型式 | 標準穴径d1・d2[mm] | ||||||||||||||||
|---|---|---|---|---|---|---|---|---|---|---|---|---|---|---|---|---|---|
| 3 | 4 | 5 | 6 | 6.35 | 7 | 8 | 9.525 | 10 | 11 | 12 | 14 | 15 | 16 | 18 | 19 | 20 | |
| CPE-19 | ○ | ● | ● | ● | ● | ● | ● | ||||||||||
| CPE-29 | ● | ● | ● | ● | ● | ● | ● | ● | ● | ||||||||
| CPE-39 | ● | ● | ● | ● | ● | ● | ● | ● | ● | ● | ● | ||||||
- CPE-19の穴径3mmは、軸締結部分での保持力によりトルク制限され、常用トルク0.4N・m、最大トルク0.8N・mとなります。
- 対応可能な穴径の範囲は、寸法表の最小穴径以上、最大穴径以下となりますが、上表以外の穴径については、別途穴加工代が必要になります。