PLモデル
ベルトを使った動力伝達において、駆動軸に可変ピッチプーリを配し、駆動-従動間の軸間距離を変えることで、強制的にベルトピッチを変更させることで回転速度を変化させます。標準Vベルト仕様で、プーリ面の構造を工夫することでプーリの開き量を稼ぎ変速比を大きくしています。
【仕様】
| 型 式 | 使用モータ [kW] (4P) | 変速比 | ベルト | 伝達容量 [kW] | ||
|---|---|---|---|---|---|---|
| 高速回転時 | 中速回転時 | 低速回転時 | ||||
| PL-116-11 | 0.2 | 1:2.3 | M | 0.5 | 0.3 | 0.2 |
| PL-140-14N | 0.4 | 1:2 | A | 2.1 | 1.4 | 0.6 |
| PL-170-19N | 0.75 | 1:2.1 | B | 3.6 | 2.4 | 1.0 |
| PL-210-24N | 1.5 | 1:2.4 | B | 5.2 | 3.1 | 1.5 |
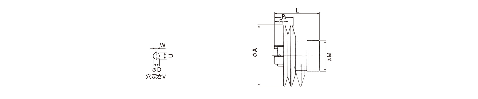
【寸法】
単位 [mm]
| 型 式 | A | P1 | P2 | L | M | D | W | U | V | max. P.D. | min. P.D. | 移動距離 |
|---|---|---|---|---|---|---|---|---|---|---|---|---|
| PL-116-11 | 116 | 24 | 33.5 | 90 | 56 | 11 | - | - | 40 | 111 | 48 | 49 |
| PL-140-14N | 140 | 28 | 38 | 97 | 84 | 14 | 5 | 16 | 40 | 131 | 65 | 52 |
| PL-170-19N | 170 | 38.5 | 52 | 126 | 84 | 19 | 6 | 21.5 | 50 | 159 | 74 | 67 |
| PL-210-24N | 212 | 41 | 59 | 148 | 95 | 24 | 8 | 27 | 60 | 201 | 83 | 93 |
- 距離移動とは、変速のためにモータを移動させる距離です。