MSモデル

ゼロ回転から最高回転まで瞬時に変速可能な一方向クラッチ式無段変速機です。変速操作は非常に軽く、変速レバーを操作するだけです。変速比は1:12と大きく、取り付け方向に制限もありません。ゼロマックス単体にモータを組み付けたモデルです。三相モータが標準で、単相モータも用意できます。

【仕様】

型 式 出力軸回転方向^* 出力軸許容トルク[N・m] 定格負荷時出力軸回転速度範囲[min^-1] 質量[kg]
型 式 入力1430min^-1 入力1720min^-1
E1 反時計方向CCW 1.38 0~300 0~360 1.4
E2 時計方向CW 1.38 0~300 0~360 1.4
JK1 反時計方向CCW 2.88 0~300 0~360 1.9
JK2 時計方向CW 2.88 0~300 0~360 1.9
Y1 反時計方向CCW 6.90 0~330 0~400 4.8
Y2 時計方向CW 6.90 0~330 0~400 4.8
  • *印は、出力軸先端から見た回転方向です。
  • 出力軸許容トルクの値は全変速範囲において一定です。
  • 出力軸許容トルク11.5N・m仕様(QX型)もありますので、お問い合せください。
  • 出力軸回転速度は定格負荷時の値です。

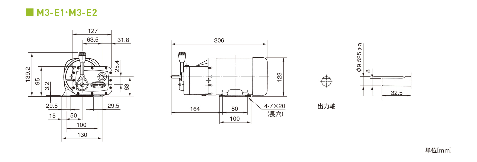
【寸法】M3-E1・M3-E2

三木プーリのゼロマックス無段変速機M3モデルEタイプ寸法図 外形寸法および取付寸法を示す寸法図
三木プーリのM3モデル Eタイプ ゼロマックス無段変速機 ご注文時の型式構成説明図

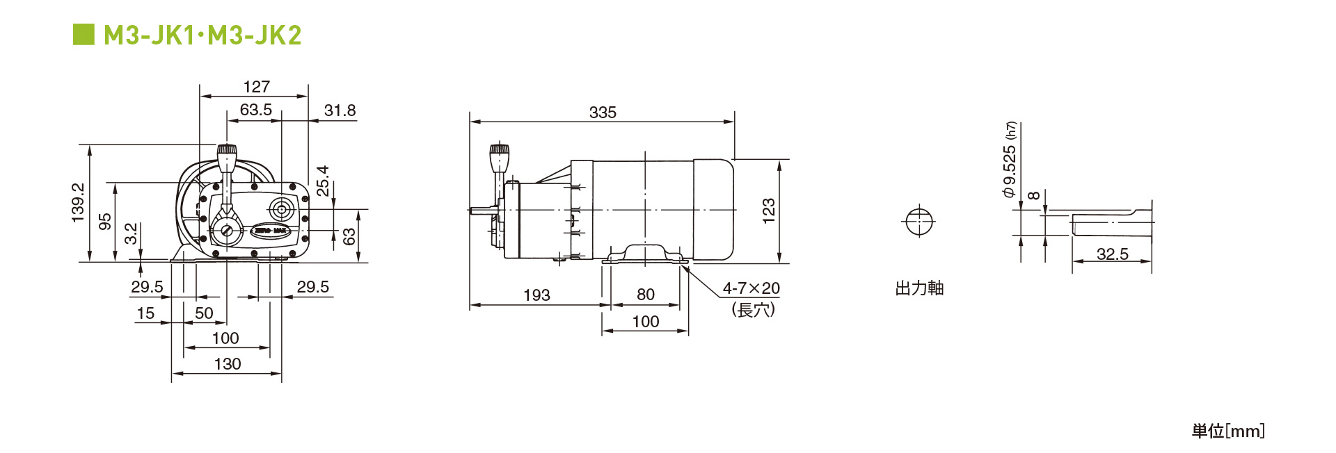
【寸法】M3-JK1・M3-JK2

三木プーリのゼロマックス無段変速機M3モデルJKタイプ寸法図 外形寸法および取付寸法を示す寸法図
三木プーリのM3モデル JKタイプ ゼロマックス無段変速機 ご注文時の型式構成説明図

【寸法】M3-Y1・M3-Y2

5.見出し(H4)-1

三木プーリのゼロマックス無段変速機M3モデルYタイプ寸法図 外形寸法および取付寸法を示す寸法図
三木プーリのM3モデル Yタイプ ゼロマックス無段変速機 ご注文時の型式構成説明図