Sモデル

ゼロ回転から最高回転まで瞬時に変速可能な一方向クラッチ式無段変速機です。変速操作は非常に軽く、変速レバーを操作するだけです。リンク機構と一方向クラッチ機構によって回転を伝達する独創的な構造で、変速比は1:12と大きく、取り付け方向に制限もありません。変速機単体です。

【仕様】

型 式 出力軸回転方向^* 出力軸許容トルク[N・m] 定格負荷時出力軸回転速度範囲[min^-1] 質量[kg]
型 式 入力1430min^-1 入力1720min^-1
E1 反時計方向CCW 1.38 0~300 0~360 1.4
E2 時計方向CW 1.38 0~300 0~360 1.4
JK1 反時計方向CCW 2.88 0~300 0~360 1.9
JK2 時計方向CW 2.88 0~300 0~360 1.9
Y1 反時計方向CCW 6.90 0~330 0~400 4.8
Y2 時計方向CW 6.90 0~330 0~400 4.8
  • *印は、出力軸先端から見た回転方向です。
  • 出力軸許容トルクの値は全変速範囲において一定です。
  • 出力軸許容トルク11.5N・m仕様(QX型)もありますので、お問い合せください。
  • 出力軸回転速度は定格負荷時の値です。

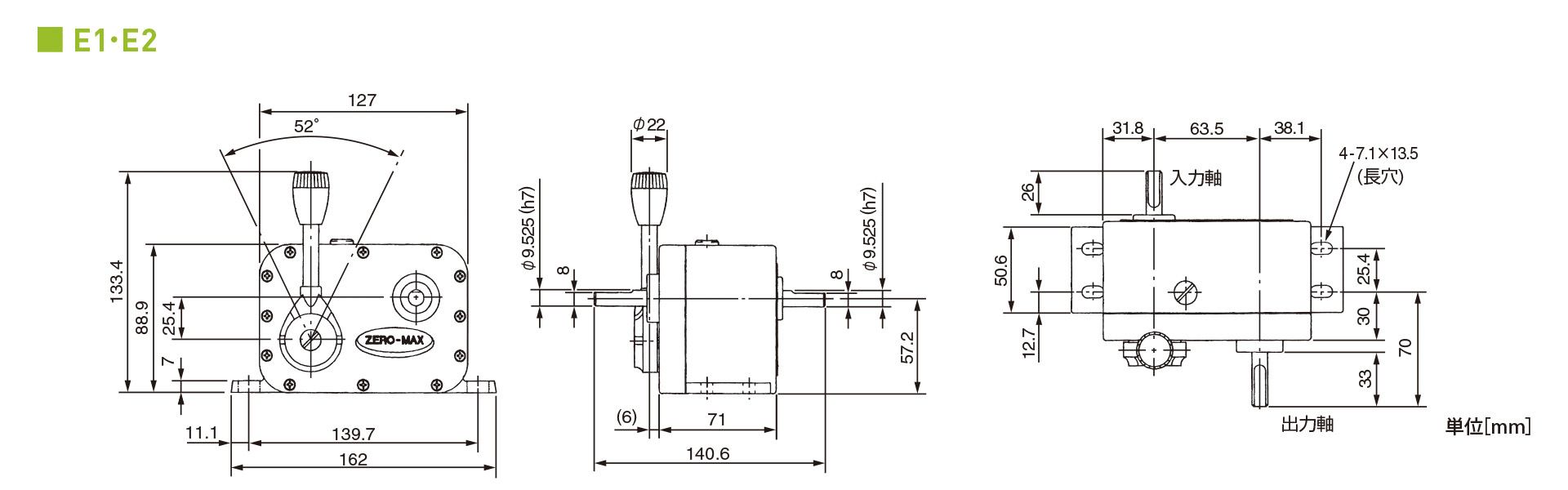
【寸法】E1・E2

三木プーリのゼロマックス無段変速機Eモデル寸法図 外形寸法および取付寸法を示す寸法図
三木プーリのゼロマックス無段変速機 Eモデル ご注文時の型式構成説明図

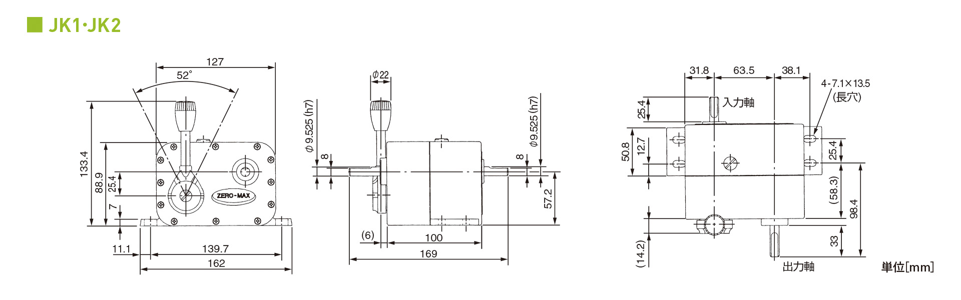
【寸法】JK1・JK2

三木プーリのゼロマックス無段変速機JKモデル寸法図 外形寸法および取付寸法を示す寸法図
三木プーリのゼロマックス無段変速機 JKモデル ご注文時の型式構成説明図

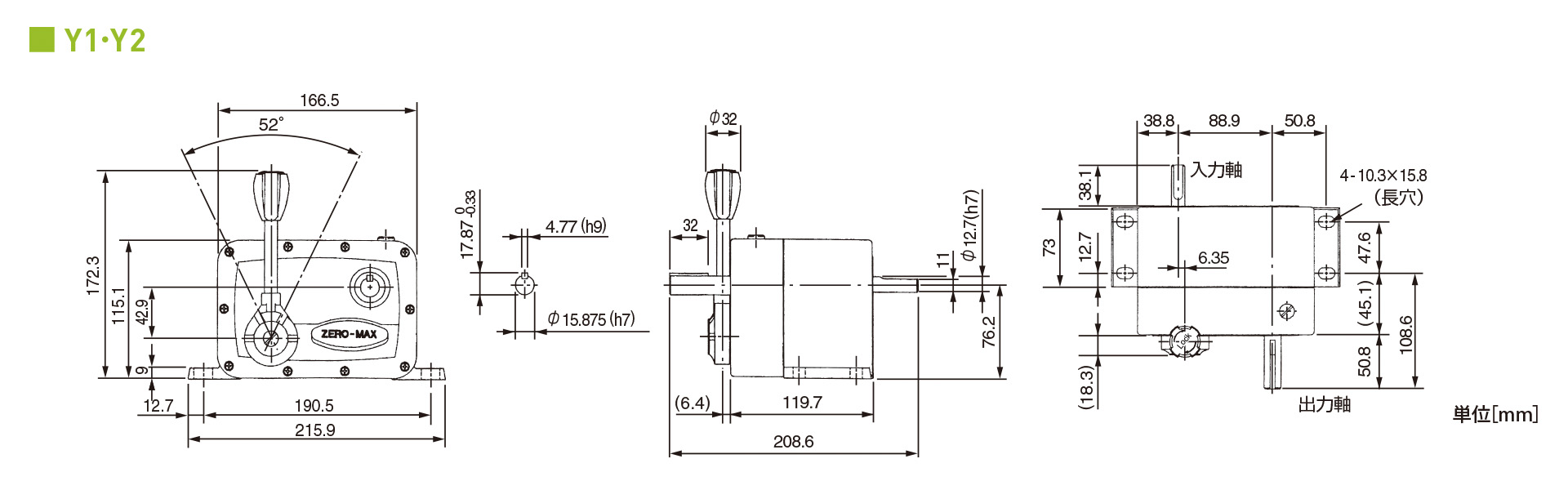
【寸法】Y1・Y2

5.見出し(H4)-1

三木プーリのゼロマックス無段変速機Yモデル寸法図 外形寸法および取付寸法を示す寸法図
  • 5.順不同リスト(米印)-2
三木プーリのゼロマックス無段変速機 Yモデル ご注文時の型式構成説明図