458モデル
長寿命でしかも高トルク、制動・保持の両用に最適なブレーキです。トルク調整リングを回すことにより、制動トルクを広範囲に調整できる上、二重制動構造になっているため、最低トルクは確保できます。さらにオプションを選択することで、手動解放機能や防じん性を向上することができます。
【仕様】
| 型式 | サイズ | 静摩擦トルクTs[N・m] | コイル(at20℃) | 耐熱クラス | 最高回転速度[min-1] | 回転部慣性モーメントJ[kg・m2] | 許容制動仕事率Pbaℓ[W] | 総制動仕事ET[J] | アーマチュア吸引時間ta[s] | アーマチュア釈放時間tar[s] | 質量[kg] | |||
|---|---|---|---|---|---|---|---|---|---|---|---|---|---|---|
| 電圧[V] | 容量[W] | 電流[A] | 抵抗[Ω] | |||||||||||
| 458-06 | 06 | 4 | 24 | 20 | 0.83 | 28.8 | F | 3000 | 1.5×10-5 | 66 | 3.4×107 | 0.045 | 0.015 | 1.0 |
| 06 | 4 | 96 | 20 | 0.21 | 461 | F | 3000 | 1.5×10-5 | 66 | 3.4×107 | 0.045 | 0.015 | 1.0 | |
| 06 | 4 | 190 | 20 | 0.11 | 1805 | F | 3000 | 1.5×10-5 | 66 | 3.4×107 | 0.045 | 0.015 | 1.0 | |
| 458-08 | 08 | 8 | 24 | 25 | 1.04 | 23.0 | F | 3000 | 6.1×10-5 | 104 | 6.3×107 | 0.057 | 0.015 | 1.4 |
| 08 | 8 | 96 | 25 | 0.26 | 368 | F | 3000 | 6.1×10-5 | 104 | 6.3×107 | 0.057 | 0.015 | 1.4 | |
| 08 | 8 | 190 | 25 | 0.13 | 1444 | F | 3000 | 6.1×10-5 | 104 | 6.3×107 | 0.057 | 0.015 | 1.4 | |
| 458-10 | 10 | 16 | 24 | 30 | 1.25 | 19.2 | F | 3000 | 2.0×10-4 | 133 | 7.9×107 | 0.076 | 0.028 | 2.5 |
| 10 | 16 | 96 | 31 | 0.32 | 297 | F | 3000 | 2.0×10-4 | 133 | 7.9×107 | 0.076 | 0.028 | 2.5 | |
| 10 | 16 | 190 | 30 | 0.16 | 1203 | F | 3000 | 2.0×10-4 | 133 | 7.9×107 | 0.076 | 0.028 | 2.5 | |
| 458-12 | 12 | 32 | 24 | 40 | 1.67 | 14.4 | F | 3000 | 4.5×10-4 | 200 | 2.1×108 | 0.115 | 0.028 | 4.0 |
| 12 | 32 | 96 | 40 | 0.42 | 230 | F | 3000 | 4.5×10-4 | 200 | 2.1×108 | 0.115 | 0.028 | 4.0 | |
| 12 | 32 | 190 | 40 | 0.21 | 903 | F | 3000 | 4.5×10-4 | 200 | 2.1×108 | 0.115 | 0.028 | 4.0 | |
| 458-14 | 14 | 60 | 24 | 50 | 2.09 | 11.5 | F | 3000 | 6.3×10-4 | 233 | 2.3×108 | 0.210 | 0.017 | 5.6 |
| 14 | 60 | 96 | 50 | 0.52 | 184 | F | 3000 | 6.3×10-4 | 233 | 2.3×108 | 0.210 | 0.017 | 5.6 | |
| 14 | 60 | 190 | 50 | 0.26 | 722 | F | 3000 | 6.3×10-4 | 233 | 2.3×108 | 0.210 | 0.017 | 5.6 | |
| 458-16 | 16 | 80 | 24 | 55 | 2.29 | 10.5 | F | 3000 | 1.5×10-3 | 270 | 2.9×108 | 0.220 | 0.027 | 8.4 |
| 16 | 80 | 96 | 55 | 0.57 | 168 | F | 3000 | 1.5×10-3 | 270 | 2.9×108 | 0.220 | 0.027 | 8.4 | |
| 16 | 80 | 190 | 60 | 0.32 | 602 | F | 3000 | 1.5×10-3 | 270 | 2.9×108 | 0.220 | 0.027 | 8.4 | |
| 458-18 | 18 | 150 | 24 | 85 | 3.57 | 6.8 | F | 1500 | 2.9×10-3 | 333 | 4.6×108 | 0.270 | 0.033 | 12.6 |
| 18 | 150 | 96 | 85 | 0.89 | 108 | F | 1500 | 2.9×10-3 | 333 | 4.6×108 | 0.270 | 0.033 | 12.6 | |
| 18 | 150 | 190 | 85 | 0.45 | 425 | F | 1500 | 2.9×10-3 | 333 | 4.6×108 | 0.270 | 0.033 | 12.6 | |
| 458-20 | 20 | 260 | 24 | 100 | 4.14 | 5.8 | F | 1500 | 7.3×10-3 | 422 | 7.0×108 | 0.340 | 0.065 | 19.5 |
| 20 | 260 | 96 | 100 | 1.04 | 92 | F | 1500 | 7.3×10-3 | 422 | 7.0×108 | 0.340 | 0.065 | 19.5 | |
| 20 | 260 | 190 | 110 | 0.58 | 328 | F | 1500 | 7.3×10-3 | 422 | 7.0×108 | 0.340 | 0.065 | 19.5 | |
| 458-25 | 25 | 400 | 24 | 110 | 4.62 | 5.2 | F | 1500 | 2.0×10-2 | 500 | 1.1×109 | 0.390 | 0.110 | 31.0 |
| 25 | 400 | 96 | 110 | 1.14 | 84 | F | 1500 | 2.0×10-2 | 500 | 1.1×109 | 0.390 | 0.110 | 31.0 | |
| 25 | 400 | 190 | 110 | 0.58 | 328 | F | 1500 | 2.0×10-2 | 500 | 1.1×109 | 0.390 | 0.110 | 31.0 | |
- 初期トルク特性により、ならし運転が必要となる場合があります。
- アーマチュア吸引時間、アーマチュア釈放時間は、直流側スイッチング時の値です。
- 交流側スイッチング(半波整流)時のアーマチュア吸引時間、アーマチュア釈放時間は、動作特性の頁をご参照ください。
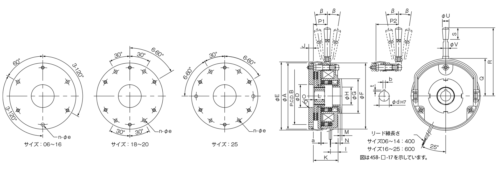
【寸法】
単位 [mm]
| サイズ | 軸穴寸法 | ||||
|---|---|---|---|---|---|
| 穴径 | JIS規格対応 | JIS旧規格対応 | |||
| dH7 | bP9 | t | bE9 | t | |
| 06 | 11 | 4-0.012-0.042 | 1.5+0.50 | 4+0.050+0.020 | 1.5+0.50 |
| 08 | 15 | 5-0.012-0.042 | 2+0.50 | 5+0.050+0.020 | 2+0.50 |
| 10 | 15 | 5-0.012-0.042 | 2+0.50 | 5+0.050+0.020 | 2+0.50 |
| 20 | 6-0.012-0.042 | 2.5+0.50 | 5+0.050+0.020 | 2+0.50 | |
| 12 | 20 | 6-0.012-0.042 | 2.5+0.50 | 5+0.050+0.020 | 2+0.50 |
| 25 | 8-0.015-0.051 | 3+0.50 | 7+0.061+0.025 | 3+0.50 | |
| 14 | 25 | 8-0.015-0.051 | 3+0.50 | 7+0.061+0.025 | 3+0.50 |
| 30 | 8-0.015-0.051 | 3+0.50 | 7+0.061+0.025 | 3+0.50 | |
| 16 | 30 | 8-0.015-0.051 | 3+0.50 | 7+0.061+0.025 | 3+0.50 |
| 18 | 40 | 12-0.018-0.061 | 3+0.50 | 10+0.061+0.025 | 3.5+0.50 |
| 20 | 40 | 12-0.018-0.061 | 3+0.50 | 10+0.061+0.025 | 3.5+0.50 |
| 45 | 14-0.018-0.061 | 3.5+0.50 | 12+0.075+0.032 | 3.5+0.50 | |
| 25 | 50 | 14-0.018-0.061 | 3.5+0.50 | 12+0.075+0.032 | 3.5+0.50 |
| 60 | 18-0.018-0.061 | 4+0.50 | 15+0.075+0.032 | 5+0.50 | |
| サイズ | A | B | C | D | E | F | G | H | I | J | K | L | M | N | O | P1 | P2 | Q | R | S | U | V | a | n | e | β |
|---|---|---|---|---|---|---|---|---|---|---|---|---|---|---|---|---|---|---|---|---|---|---|---|---|---|---|
| 06 | 87 | 72 | 31 | C0.5 | 91 | 87 | 52 | 24 | 12 | 6 | 36.3 | 18 | 3.95 | 3 | 1 | 15.8 | 32.8 | 54.5 | 107 | 23 | 13 | 8 | 0.2 | 3 | 4.4 | 12° |
| 08 | 105 | 90 | 41 | C0.5 | 109 | 105 | 60 | 26 | 14 | 7 | 42.8 | 20 | 1.5 | 3.2 | 1 | 16.3 | 41.3 | 63 | 118 | 23 | 13 | 8 | 0.2 | 3 | 5.5 | 10° |
| 10 | 130 | 112 | 45 | C1 | 135.4 | 130 | 68 | 35 | 15 | 9 | 48.4 | 20 | 3.5 | 4.1 | 2 | 27.4 | 42.4 | 73.3 | 132.2 | 23 | 13 | 10 | 0.2 | 3 | 6.6 | 9° |
| 12 | 150 | 132 | 52 | C1 | 155 | 150 | 82 | 40 | 18 | 9 | 54.9 | 25 | 5.5 | 4.1 | 2 | 29.4 | 47.4 | 85 | 163.5 | 23 | 13 | 10 | 0.3 | 3 | 6.6 | 10° |
| 14 | 165 | 145 | 55 | C1 | 169 | 165 | 92 | 52 | 20 | 11 | 65.5 | 30 | 6 | 5 | 2 | 33 | 50 | 98 | 195.5 | 32 | 24 | 12 | 0.3 | 3 | 9 | 9° |
| 16 | 190 | 170 | 70 | C1 | 195 | 190 | 102 | 52 | 25 | 11 | 72.5 | 30 | 5 | 5 | 2.3 | 37.5 | 53.5 | 114 | 240 | 32 | 24 | 12 | 0.3 | 3 | 9 | 10° |
| 18 | 217 | 196 | 77 | C1 | 222 | 217 | 116 | 62 | 30 | 11 | 83.1 | 35 | 9 | 6 | 3 | 41.1 | 59.1 | 126 | 279 | 32 | 24 | 14 | 0.4 | 4 | 9 | 9° |
| 20 | 254 | 230 | 90 | C1 | 259 | 254 | 135 | 72 | 40 | 11 | 97.6 | 40 | 10 | 7 | 3.5 | 47.6 | 68.6 | 146 | 319 | 32 | 24 | 14 | 0.4 | 4 | 11 | 10° |
| 25 | 302 | 278 | 120 | C1 | 307 | 302 | 180 | 85 | 44 | 12.5 | 106.7 | 50 | 10 | 9 | 4.5 | 57.7 | 88.7 | 173 | 445 | 32 | 24 | 16 | 0.5 | 6 | 11 | 10° |
- 手動解放レバーは取り付けを逆にすることでステータ側に寄った位置にもセット可能です。
【付属品番号】
| 付属品番号 | 取付フランジ | 手動開放レバー | ダストカバー |
|---|---|---|---|
| 10 | |||
| 11 | ● | ||
| 12 | ● | ||
| 13 | ● | ||
| 14 | ● | ● | |
| 15 | ● | ● | |
| 16 | ● | ● | |
| 17 | ● | ● | ● |
- ●印…付属