102(33・35・31)タイプ
コイルへの通電で作動する励磁作動型クラッチで、マイクロサイズと呼ばれる小型のラインアップです。位置決めや心出しなどを気にせず取り付け可能なベアリング取り付け形で、取り付け形状の異なる三種類のアーマチュアアッセンブリがありますので、取り付け条件に応じて選ぶことができます。
【仕様】ダイレクト取り付け用
| 型式 | サイズ | 動摩擦トルクTd[N・m] | コイル(at20℃) | リード線 | 耐熱クラス | 最高回転速度[min-1] | 回転部慣性モーメント J | 許容連結仕事Eeaℓ[J] | 空隙再調整までの総仕事ET[J] | アーマチュア吸引時間ta[s] | トルク立上り時間tp[s] | トルク消滅時間td[s] | 質量[kg] | |||||
|---|---|---|---|---|---|---|---|---|---|---|---|---|---|---|---|---|---|---|
| 電圧[V] | 容量[W] | 電流[A] | 抵抗[Ω] | ULスタイル | サイズ | アーマチュア[kg・m2] | ロータ[kg・m2] | |||||||||||
| 102-02-33 | 2 | 0.4 | DC24 | 6 | 0.25 | 96 | UL3398 | AWG26 | B | 500 | 6.75×10-7 | 2.75×10-6 | 1500 | 2×106 | 0.009 | 0.019 | 0.017 | 0.076 |
| 102-02-35 | 2 | 0.4 | DC24 | 6 | 0.25 | 96 | UL3398 | AWG26 | B | 500 | 1.00×10-6 | 2.75×10-6 | 1500 | 2×106 | 0.009 | 0.019 | 0.017 | 0.082 |
| 102-02-31 | 2 | 0.4 | DC24 | 6 | 0.25 | 96 | UL3398 | AWG26 | B | 500 | 1.00×10-6 | 2.75×10-6 | 1500 | 2×106 | 0.009 | 0.019 | 0.017 | 0.08 |
| 102-03-33 | 3 | 0.6 | DC24 | 6 | 0.25 | 96 | UL3398 | AWG26 | B | 500 | 1.30×10-6 | 4.08×10-6 | 2300 | 3×106 | 0.009 | 0.022 | 0.02 | 0.101 |
| 102-03-35 | 3 | 0.6 | DC24 | 6 | 0.25 | 96 | UL3398 | AWG26 | B | 500 | 1.95×10-6 | 4.08×10-6 | 2300 | 3×106 | 0.009 | 0.022 | 0.02 | 0.11 |
| 102-03-31 | 3 | 0.6 | DC24 | 6 | 0.25 | 96 | UL3398 | AWG26 | B | 500 | 1.95×10-6 | 4.08×10-6 | 2300 | 3×106 | 0.009 | 0.022 | 0.02 | 0.108 |
| 102-04-33 | 4 | 1.2 | DC24 | 8 | 0.33 | 72 | UL3398 | AWG26 | B | 500 | 4.38×10-6 | 1.44×10-5 | 4500 | 6×106 | 0.011 | 0.028 | 0.03 | 0.183 |
| 102-04-35 | 4 | 1.2 | DC24 | 8 | 0.33 | 72 | UL3398 | AWG26 | B | 500 | 6.15×10-6 | 1.44×10-5 | 4500 | 6×106 | 0.011 | 0.028 | 0.03 | 0.2 |
| 102-04-31 | 4 | 1.2 | DC24 | 8 | 0.33 | 72 | UL3398 | AWG26 | B | 500 | 6.15×10-6 | 1.44×10-5 | 4500 | 6×106 | 0.011 | 0.028 | 0.03 | 0.196 |
| 102-05-33 | 5 | 2.4 | DC24 | 10 | 0.42 | 58 | UL3398 | AWG22 | B | 500 | 9.08×10-6 | 2.90×10-5 | 9000 | 9×106 | 0.012 | 0.031 | 0.04 | 0.321 |
| 102-05-35 | 5 | 2.4 | DC24 | 10 | 0.42 | 58 | UL3398 | AWG22 | B | 500 | 1.38×10-5 | 2.90×10-5 | 9000 | 9×106 | 0.012 | 0.031 | 0.04 | 0.346 |
| 102-05-31 | 5 | 2.4 | DC24 | 10 | 0.42 | 58 | UL3398 | AWG22 | B | 500 | 1.38×10-5 | 2.90×10-5 | 9000 | 9×106 | 0.012 | 0.031 | 0.04 | 0.336 |
- 動摩擦トルクTdは、相対速度100min-1時の値です。また、初期トルク特性により、ならし運転が必要となる場合があります。
- 電源電圧変動は、コイル電圧の±10%以内に抑えてください。また、通電率が80%を超えないようにご注意ください。
- 回転部慣性モーメントおよび質量は、最大穴径時の値となります。
【寸法】ダイレクト取り付け用
単位 [mm]
| サイズ | 径方向寸法 | 軸方向寸法 | CADファイルNo. | ||||||||||||||||||||
|---|---|---|---|---|---|---|---|---|---|---|---|---|---|---|---|---|---|---|---|---|---|---|---|
| A1 | A2 | A3 | A4 | F | V1 | V2 | V3 | G1 | G2 | Y1 | Y2 | Z | m | H | R | L1 | L2 | P | N | T | a | ||
| 02 | 31 | 28 | 19.5 | 10.7 | 14 | 2-2.1 | 2-5.3 | 2-3.7 | 15.8 | 19.8 | 3.1 | 8 | 4-90° | 2-M3 | 19.1 | 1.2 | 25.9 | 23.5 | 4.9 | 0.8 | 2.5 | 0.1 | 102-331 |
| 03 | 34 | 32 | 23 | 12.5 | 16 | 3-2.6 | 3-6 | 3-4.5 | 20 | 23 | 3.1 | 8 | 6-60° | 2-M3 | 22 | 1.6 | 28.5 | 26.2 | 4.7 | 1.2 | 2.3 | 0.15 | 102-332 |
| 04 | 43 | 40 | 30 | 18.5 | 22 | 3-3.1 | 3-6 | 3-5 | 23 | 26 | 3.1 | 8 | 6-60° | 2-M4 | 25.2 | 1.6 | 33.1 | 30.4 | 5.2 | 1.5 | 2.8 | 0.15 | 102-333 |
| 05 | 54 | 50 | 38 | 25.5 | 30 | 3-3.1 | 3-6.5 | 3-6 | 28 | 31 | 3.1 | 8 | 6-60° | 2-M5 | 27.9 | 1.6 | 37.3 | 34.1 | 6.2 | 1.5 | 3.3 | 0.2 | 102-334 |
単位 [mm]
| サイズ | 軸穴寸法 |
|---|---|
| d1 H7 | |
| 02 | 5 |
| 03 | 6 |
| 04 | 8 |
| 10 | |
| 05 | 10 |
| 15 |
- 取り付け方法などに関しては、設計上の確認事項でご確認ください。
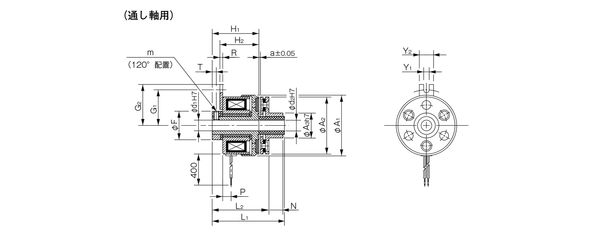
【寸法】通し軸用
4.見出し(H4)-1
単位 [mm]
| サイズ | 径方向寸法 | 軸方向寸法 | CADファイルNo. | ||||||||||||||||
|---|---|---|---|---|---|---|---|---|---|---|---|---|---|---|---|---|---|---|---|
| A1 | A2 | A3 | F | G1 | G2 | Y1 | Y2 | m | H1 | H2 | R | L1 | L2 | P | N | T | a | ||
| 02 | 31 | 28 | 13 | 14 | 15.8 | 20 | 3.1 | 8 | 2-M3 | 23.5 | 19.1 | 1.2 | 33 | 27.9 | 4.9 | 4.8 | 2.5 | 0.1 | 102-351 |
| 03 | 34 | 32 | 14 | 16 | 20 | 23 | 3.1 | 8 | 2-M3 | 26.2 | 22 | 1.6 | 38.5 | 30.5 | 4.7 | 7.8 | 2.3 | 0.15 | 102-352 |
| 04 | 43 | 40 | 18 | 22 | 23 | 26 | 3.1 | 8 | 2-M4 | 30.4 | 25.2 | 1.6 | 45.2 | 35.8 | 5.2 | 9.1 | 2.8 | 0.15 | 102-353 |
| 05 | 54 | 50 | 28 | 30 | 28 | 31 | 3.1 | 8 | 2-M5 | 34.1 | 27.9 | 1.6 | 49.3 | 0.3 | 6.2 | 8.8 | 3.3 | 0.2 | 102-354 |
単位 [mm]
| サイズ | 軸穴寸法 | |
|---|---|---|
| d1 H7 | d2 H7 | |
| 02 | 5 | 5 |
| 03 | 6 | 6 |
| 04 | 8 | 8 |
| 10 | 10 | |
| 05 | 10 | 10 |
| 15 | 15 | |
- 取り付け方法などに関しては、設計上の確認事項でご確認ください。
【寸法】突き合わせ軸用
単位 [mm]
| サイズ | 径方向寸法 | 軸方向寸法 | CADファイルNo. | ||||||||||||||||||
|---|---|---|---|---|---|---|---|---|---|---|---|---|---|---|---|---|---|---|---|---|---|
| A1 | A2 | A3 | F | G1 | G2 | Y1 | Y2 | m1 | m2 | H1 | H2 | R | L1 | L2 | P | U | T1 | T2 | a | ||
| 02 | 31 | 28 | 9.5 | 14 | 15.8 | 20 | 3.1 | 8 | 2-M3 | M3 | 23.5 | 19.1 | 1.2 | 32.9 | 27.9 | 4.9 | 7 | 2.5 | 2.5 | 0.1 | 102-311 |
| 03 | 34 | 32 | 12 | 16 | 20 | 23 | 3.1 | 8 | 2-M3 | 2-M3 | 26.2 | 22 | 1.6 | 38.5 | 30.5 | 4.7 | 10 | 2.3 | 4 | 0.15 | 102-312 |
| 04 | 43 | 40 | 17 | 22 | 23 | 26 | 3.1 | 8 | 2-M4 | 2-M3 | 30.4 | 25.2 | 1.6 | 45.1 | 35.8 | 5.2 | 12 | 2.8 | 5 | 0.15 | 102-313 |
| 05 | 54 | 50 | 24 | 30 | 28 | 31 | 3.1 | 8 | 2-M5 | 2-M4 | 34.1 | 27.9 | 1.6 | 49.3 | 40.3 | 6.2 | 12 | 3.3 | 5 | 0.2 | 102-314 |
単位 [mm]
| サイズ | 軸穴寸法 | |||||
|---|---|---|---|---|---|---|
| d1 H7 | d2 H7 | JIS規格対応 | JIS旧規格対応 | |||
| d1 H7 | b P9 | t | b E9 | t | ||
| 02 | 5 | 5 | - | - | - | - |
| 03 | 6 | 6 | 2-0.006-0.031 | 0.8+0.30 | - | - |
| 04 | 8 | 8 | 2-0.006-0.031 | 0.8+0.30 | - | - |
| 10 | 10 | 3-0.006-0.031 | 1.2+0.30 | 4+0.050+0.020 | 1.5+0.50 | |
| 05 | 10 | 10 | 3-0.006-0.031 | 1.2+0.30 | 4+0.050+0.020 | 1.5+0.50 |
| 15 | 15 | 5-0.012-0.042 | 2+0.50 | 5+0.050+0.020 | 2+0.50 | |
- 取り付け方法などに関しては、設計上の確認事項でご確認ください。