121(20G)タイプ(クラッチ・ブレーキ)
軽合金ドラムの外側に電磁クラッチと電磁ブレーキを通し軸構造で取り付けた開放構造の電磁クラッチ・電磁ブレーキユニットです。動力は入力ハブからおこない常時出力軸から出力され、クラッチの電流遮断にあわせてブレーキ通電をおこなうことで、出力軸の制動を行います。ラジアル荷重に強い構造です。
【仕様】
| 型式 | サイズ | 動摩擦トルクTd[N・m] | 静摩擦トルクTs[N・m] | コイル(at20℃) | 耐熱クラス | 最高回転速度[min-1] | 回転部慣性モーメントJ[kg・m2] | 空隙再調整までの総仕事ET[J] | アーマチュア吸引時間ta[s] | トルク立上り時間tp[s] | トルク消滅時間td[s] | 質量[kg] | |||
|---|---|---|---|---|---|---|---|---|---|---|---|---|---|---|---|
| 電圧[V] | 容量[W] | 電流[A] | 抵抗[Ω] | ||||||||||||
| 121-06-20G | 06 | 5 | 5.5 | DC24 | 11 | 0.46 | 52 | B | 3000 | 1.43×10-4 | 36×106 | C:0.020 / B:0.015 | C:0.041 / B:0.033 | C:0.020 / B:0.015 | 1.5 |
| 121-08-20G | 08 | 10 | 11 | DC24 | 15 | 0.63 | 38 | B | 3000 | 4.23×10-4 | 60×106 | C:0.023 / B:0.016 | C:0.051 / B:0.042 | C:0.030 / B:0.025 | 2.7 |
| 121-10-20G | 10 | 20 | 22 | DC24 | 20 | 0.83 | 29 | B | 3000 | 1.42×10-3 | 130×106 | C:0.025 / B:0.018 | C:0.063 / B:0.056 | C:0.050 / B:0.030 | 5.5 |
| 121-12-20G | 12 | 40 | 45 | DC24 | 25 | 1.04 | 23 | B | 3000 | 4.18×10-3 | 250×106 | C:0.040 / B:0.027 | C:0.115 / B:0.090 | C:0.065 / B:0.050 | 9.6 |
| 121-16-20G | 16 | 80 | 90 | DC24 | 35 | 1.46 | 16 | B | 3000 | 1.34×10-2 | 470×106 | C:0.050 / B:0.035 | C:0.160 / B:0.127 | C:0.085 / B:0.055 | 18.5 |
| 121-20-20G | 20 | 160 | 175 | DC24 | 45 | 1.88 | 13 | B | 2500 | 4.13×10-2 | 10×108 | C:0.090 / B:0.065 | C:0.250 / B:0.200 | C:0.130 / B:0.070 | 35 |
| 121-25-20G | 25 | 320 | 350 | DC24 | 60 | 2.50 | 9.6 | B | 2000 | 1.02×10-1 | 20×108 | C:0.115 / B:0.085 | C:0.335 / B:0.275 | C:0.210 / B:0.125 | 64 |
- 動摩擦トルクTd は、相対速度100min-1 時の値です。また、初期トルク特性により、ならし運転が必要となる場合があります。
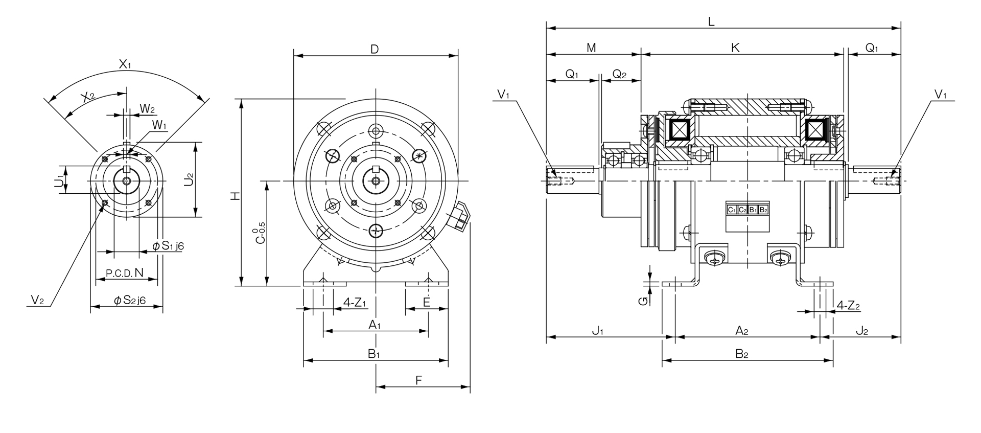
【寸法】
単位 [mm]
| サイズ | 本体寸法 | 軸寸法 | |||||||||||||||||||||||||||
|---|---|---|---|---|---|---|---|---|---|---|---|---|---|---|---|---|---|---|---|---|---|---|---|---|---|---|---|---|---|
| A1 | A2 | B1 | B2 | C | D | E | F | G | H | J1 | J2 | K | L | M | N | Z1 | Z2 | Q1 | Q2 | S1 | S2 | U1 | U2 | V1 | V2 | X1 | X2 | W1,2 | |
| 6 | 52.5 | 75 | 80 | 90 | 55 | 80 | 27.5 | 53 | 2.6 | 95 | 65.5 | 40.5 | 105.5 | 181 | 47 | 33 | 13.5 | 6.5 | 25 | 20 | 11 | 38 | 12.5 | 39.5 | M4×0.7深さ8 | 3-M4×0.7深さ4 | 3-120° | 60° | 4 |
| 8 | 65 | 90 | 90 | 105 | 65 | 100 | 27.5 | 61 | 2.6 | 115 | 78.5 | 48.5 | 126.5 | 217 | 57 | 37 | 13.5 | 6.5 | 30 | 25 | 14 | 45 | 16 | 47 | M4×0.7深さ8 | 3-M4×0.7深さ6 | 3-120° | 60° | 5 |
| 10 | 80 | 110 | 110 | 130 | 80 | 125 | 32.5 | 72 | 3.2 | 142.5 | 98 | 62 | 154 | 270 | 72 | 47 | 15.5 | 9 | 40 | 30 | 19 | 55 | 21 | 57 | M6×1深さ11 | 4-M4×0.7深さ8 | 4-90° | 45° | 5 |
| 12 | 105 | 135 | 140 | 160 | 90 | 150 | 35 | 81 | 3.2 | 165 | 121 | 73.5 | 184 | 330 | 92 | 52 | 20 | 11.5 | 50 | 40 | 24 | 64 | 27 | 67 | M6×1深さ11 | 4-M4×0.7深さ8 | 4-90° | 45° | 7 |
| 16 | 135 | 160 | 175 | 185 | 112 | 190 | 43 | 97 | 4.5 | 207 | 149 | 90 | 221 | 399 | 113 | 62 | 24.5 | 11.5 | 60 | 50 | 28 | 75 | 31 | 78 | M6×1深さ11 | 6-M5×0.8深さ8 | 6-60° | 30° | 7 |
| 20 | 155 | 200 | 200 | 230 | 132 | 230 | 45 | 109 | 6 | 247 | 187 | 117 | 276 | 504 | 142 | 74.5 | 28 | 14 | 80 | 60 | 38 | 90 | 41.5 | 93.5 | M10×1.5深さ17 | 4-M6×1深さ12 | 4-90° | 45° | 10 |
| 25 | 195 | 240 | 240 | 270 | 160 | 290 | 47.5 | 124 | 20 | 305 | 238 | 154 | 334 | 632 | 183 | 101.5 | 28 | 14 | 110 | 70 | 42 | 115 | 45.5 | 118.5 | M10×1.5深さ17 | 8-M6×1深さ12 | 8-45° | 22.5° | 12 |
- 入出力軸キー溝はJIS旧規格2 種、キーはJIS旧規格1 種です。なお、ユニットハブ部のキー溝寸法はJIS 規格外となります。上記寸法表でご確認ください。
- 入出力軸にプーリなど挿入時には、付属の挿入セットをご使用ください。
- 121-25-20G のベースは鋳物製となります。