125モデル(クラッチ・ブレーキ)
軽合金ハウジング内に電磁クラッチと電磁ブレーキを突き合わせ軸構造でおさめた防滴構造の電磁クラッチ・電磁ブレーキユニットです。動力は入力軸から行い常時出力軸から出力され、クラッチの電流遮断に合わせてブレーキ通電をおこなうことで、出力軸の制動をおこないます。取り付け脚が選択できます。
【仕様】鋼板ベース
| 型式 | サイズ | 動摩擦トルクTd[N・m] | 静摩擦トルクTs[N・m] | コイル(at20℃) | 耐熱クラス | 最高回転速度[min-1] | 回転部慣性モーメントJ[kg・m2] | 空隙再調整までの総仕事ET[J] | |||
|---|---|---|---|---|---|---|---|---|---|---|---|
| 電圧[V] | 容量[W] | 電流[A] | 抵抗[Ω] | ||||||||
| 125-05-12G | 05 | 2.4 | - | DC24 | 10 | 0.42 | 58 | B | 3000 | 2.4×10-5 | 9×106 |
| 125-06-12G | 06 | 5 | 5.5 | DC24 | 11 | 0.46 | 52 | B | 3000 | 1.28×10-4 | 36×106 |
| 125-08-12G | 08 | 10 | 11 | DC24 | 15 | 0.63 | 38 | B | 3000 | 3.70×10-4 | 60×106 |
| 125-10-12G | 10 | 20 | 22 | DC24 | 20 | 0.83 | 29 | B | 3000 | 1.40×10-3 | 130×106 |
| 125-12-12G | 12 | 40 | 45 | DC24 | 25 | 1.04 | 23 | B | 3000 | 3.85×10-3 | 250×106 |
| 125-16-12G | 16 | 80 | 90 | DC24 | 35 | 1.46 | 16 | B | 3000 | 1.35×10-2 | 470×106 |
- 動摩擦トルクTd は、相対速度100min-1 時の値です。また、初期トルク特性により、ならし運転が必要となる場合があります。
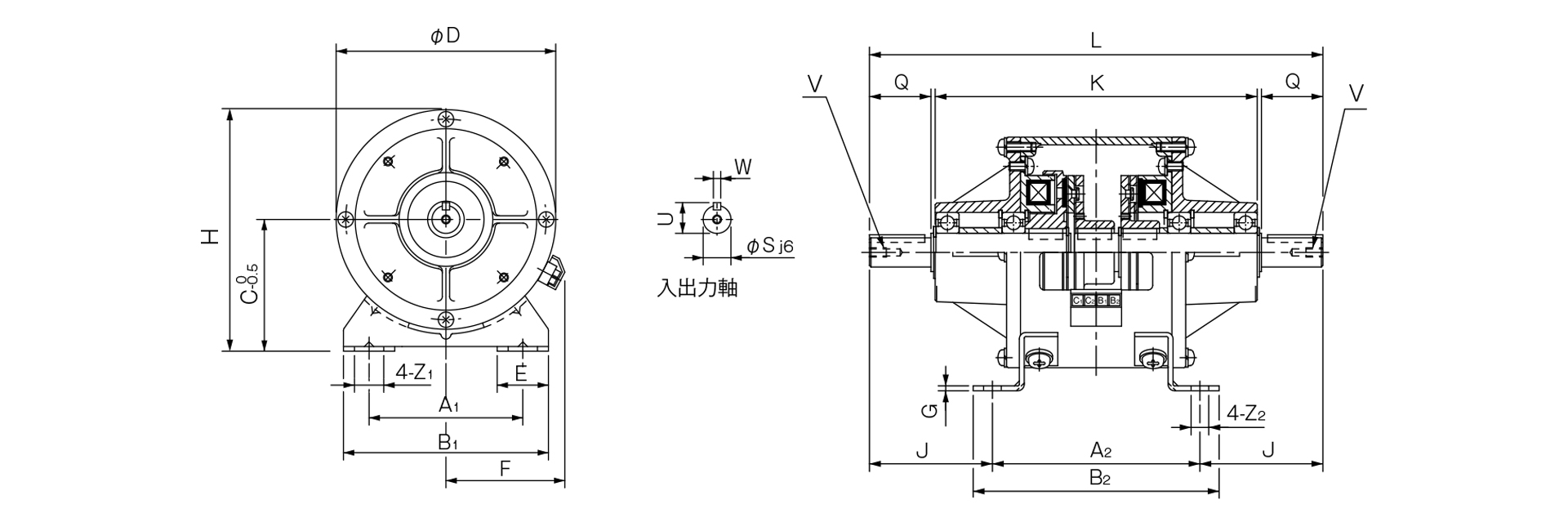
【寸法】125-05-12G
【寸法】125-□-12G(鋼板ベース)
単位 [mm]
| サイズ | 本体寸法 | 軸寸法 | ||||||||||||||||||
|---|---|---|---|---|---|---|---|---|---|---|---|---|---|---|---|---|---|---|---|---|
| A1 | A2 | B1 | B2 | C | D | E | F | G | H | J | K | L | Z1 | Z2 | Q | S | U | V | W | |
| 06 | 65 | 90 | 90 | 105 | 65 | 100 | 27.5 | 61 | 2.6 | 115 | 48.5 | 132 | 187 | 13.5 | 6.5 | 25 | 11 | 12.5 | M4×0.7深さ8 | 4 |
| 08 | 80 | 110 | 110 | 130 | 80 | 125 | 32.5 | 72 | 3.2 | 142.5 | 63 | 171 | 236 | 15.5 | 9 | 30 | 14 | 16 | M4×0.7深さ8 | 5 |
| 10 | 105 | 135 | 140 | 160 | 90 | 150 | 35 | 81 | 3.2 | 165 | 80 | 210 | 295 | 20 | 11.5 | 40 | 19 | 21 | M6×1深さ11 | 5 |
| 12 | 135 | 160 | 175 | 185 | 112 | 190 | 42.5 | 97 | 4.5 | 207 | 108 | 270 | 376 | 24.5 | 11.5 | 50 | 24 | 27 | M6×1深さ11 | 7 |
| 16 | 155 | 200 | 200 | 230 | 132 | 230 | 45 | 109 | 6 | 247 | 145 | 362 | 490 | 28 | 14 | 60 | 28 | 31 | M6×1深さ11 | 7 |
- 入出力軸キー溝はJIS旧規格2 種、キーはJIS旧規格1 種です。
- 入出力軸にプーリなど挿入時には、付属の挿入セットをご使用ください。
【仕様】125-□-12EG(鋳鉄ベース) ※受注生産品
| 型式 | サイズ | 動摩擦トルクTd[N・m] | 静摩擦トルクTs[N・m] | コイル(at20℃) | 耐熱クラス | 最高回転速度[min-1] | 回転部慣性モーメントJ[kg・m2] | 空隙再調整までの総仕事ET[J] | アーマチュア吸引時間ta[s] | トルク立上り時間tp[s] | トルク消滅時間td[s] | 質量[kg] | |||
|---|---|---|---|---|---|---|---|---|---|---|---|---|---|---|---|
| 電圧[V] | 容量[W] | 電流[A] | 抵抗[Ω] | ||||||||||||
| 125-06-12EG | 06 | 5 | 5.5 | DC24 | 11 | 0.46 | 52 | B | 3000 | 1.28×10-4 | 36×106 | C:0.020 / B:0.015 | C:0.041 / B:0.033 | C:0.020 / B:0.015 | 2.1 |
| 125-08-12EG | 08 | 10 | 11 | DC24 | 15 | 0.63 | 38 | B | 3000 | 3.70×10-4 | 60×106 | C:0.023 / B:0.016 | C:0.051 / B:0.042 | C:0.030 / B:0.025 | 4.2 |
| 125-10-12EG | 10 | 20 | 22 | DC24 | 20 | 0.83 | 29 | B | 3000 | 1.40×10-3 | 130×106 | C:0.025 / B:0.018 | C:0.063 / B:0.056 | C:0.050 / B:0.030 | 6.8 |
| 125-12-12EG | 12 | 40 | 45 | DC24 | 25 | 1.04 | 23 | B | 3000 | 3.85×10-3 | 250×106 | C:0.040 / B:0.027 | C:0.115 / B:0.090 | C:0.065 / B:0.050 | 12 |
| 125-16-12EG | 16 | 80 | 90 | DC24 | 35 | 1.46 | 16 | B | 3000 | 1.35×10-2 | 470×106 | C:0.050 / B:0.035 | C:0.160 / B:0.127 | C:0.085 / B:0.055 | 22 |
| 125-20-12EG | 20 | 160 | 175 | DC24 | 45 | 1.86 | 13 | B | 2500 | 4.08×10-2 | 10×105 | C:0.090B:0.065 | C:0.250B:0.207 | C:0.130B:0.070 | 49 |
- 動摩擦トルクTd は、相対速度100min-1 時の値です。また、初期トルク特性により、ならし運転が必要となる場合があります。
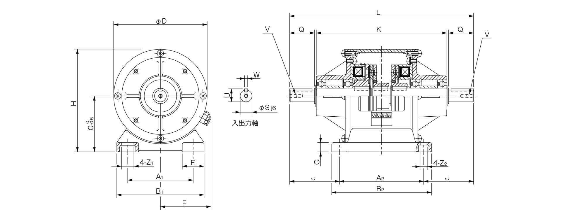
【寸法】125-□-12EG(鋳鉄ベース) ※受注生産品
単位 [mm]
| サイズ | 本体寸法 | 軸寸法 | ||||||||||||||||||
|---|---|---|---|---|---|---|---|---|---|---|---|---|---|---|---|---|---|---|---|---|
| A1 | A2 | B1 | B2 | C | D | E | F | G | H | J | K | L | Z1 | Z2 | Q | S | U | V | W | |
| 06 | 65 | 90 | 90 | 105 | 65 | 100 | 27.5 | 61 | 10 | 115 | 48.5 | 132 | 187 | 13.5 | 6.5 | 25 | 11 | 12.5 | M4×0.7深さ8 | 4 |
| 08 | 80 | 110 | 110 | 130 | 80 | 125 | 32.5 | 72 | 12 | 142.5 | 63 | 171 | 236 | 15.5 | 9 | 30 | 14 | 16 | M4×0.7深さ8 | 5 |
| 10 | 105 | 135 | 140 | 160 | 90 | 150 | 35 | 81 | 15 | 165 | 80 | 210 | 295 | 20 | 11.5 | 40 | 19 | 21 | M6×1深さ11 | 5 |
| 12 | 135 | 160 | 175 | 185 | 112 | 190 | 42.5 | 97 | 15 | 207 | 108 | 270 | 376 | 24.5 | 11.5 | 50 | 24 | 27 | M6×1深さ11 | 7 |
| 16 | 155 | 200 | 200 | 230 | 132 | 230 | 45 | 109 | 18 | 247 | 145 | 362 | 490 | 28 | 14 | 60 | 28 | 31 | M6×1深さ11 | 7 |
| 20 | 195 | 240 | 240 | 270 | 160 | 290 | 47.5 | 124 | 20 | 305 | 188 | 448 | 616 | 28 | 14 | 80 | 38 | 41.5 | M10×1.5深さ17 | 10 |
- 入出力軸キー溝はJIS旧規格2 種、キーはJIS旧規格1 種です。
- 入出力軸にプーリなど挿入時には、付属の挿入セットをご使用ください。