180モデル(密閉型クラッチ・ブレーキ)
電磁クラッチと電磁ブレーキの組み合わせを突き合わせ軸構造で内蔵した密閉形なので、水・油・粉塵などの悪環境に対応できます。また、電磁クラッチと電磁ブレーキのアーマチュアを一枚で共用する設計なので動作切り替え時の干渉がなく、コンパクト・高トルク(弊社比50%アップ)を実現しました。
【仕様】
| 型式 | サイズ | クラッチブレーキ | 動摩擦トルクTd[N・m] | コイル(at20℃) | 耐熱クラス | 最高回転速度[min-1] | 回転部慣性モーメントJ | 許容仕事Eeaℓ[J](Ebaℓ)[J] | 空隙再調整までの総仕事ET[J] | 質量[kg] | |||||
|---|---|---|---|---|---|---|---|---|---|---|---|---|---|---|---|
| 電圧[V] | 容量[W] | 電流[A] | 抵抗[Ω] | ロータ[kg・m2] | アーマチュア[kg・m2] | 出力軸[kg・m2] | |||||||||
| 180-06-011 | 06 | クラッチ | 7.5 | DC24 | 15 | 0.63 | 38 | B | 1800 | 1.25×10-4 | 5.00×10-5 | 7.50×10-6 | 36×102 | 24×106 | 2.5 |
| 06 | ブレーキ | 7.5 | DC24 | 11.5 | 0.48 | 50 | B | 1800 | 1.25×10-4 | 5.00×10-5 | 7.50×10-6 | 36×102 | 24×106 | 2.5 | |
| 180-08-011 | 08 | クラッチ | 15 | DC24 | 20 | 0.83 | 29 | B | 1800 | 2.75×10-4 | 1.50×10-4 | 2.50×10-5 | 60×102 | 40×106 | 4.5 |
| 08 | ブレーキ | 15 | DC24 | 16 | 0.67 | 36 | B | 1800 | 2.75×10-4 | 1.50×10-4 | 2.50×10-5 | 60×102 | 40×106 | 4.5 | |
| 180-10-011 | 10 | クラッチ | 30 | DC24 | 28 | 1.17 | 21 | B | 1800 | 7.75×10-4 | 4.25×10-4 | 7.50×10-5 | 100×102 | 62×106 | 8.0 |
| 10 | ブレーキ | 30 | DC24 | 21 | 0.88 | 27 | B | 1800 | 7.75×10-4 | 4.25×10-4 | 7.50×10-5 | 100×102 | 62×106 | 8.0 | |
| 180-12-011 | 12 | クラッチ | 60 | DC24 | 35 | 1.46 | 16 | B | 1800 | 2.25×10-3 | 1.20×10-3 | 1.50×10-4 | 160×102 | 154×106 | 12.5 |
| 12 | ブレーキ | 60 | DC24 | 28 | 1.17 | 21 | B | 1800 | 2.25×10-3 | 1.20×10-3 | 1.50×10-4 | 160×102 | 154×106 | 12.5 | |
| 180-16-011 | 16 | クラッチ | 120 | DC24 | 50 | 2.08 | 12 | B | 1800 | 6.30×10-3 | 3.78×10-3 | 6.50×10-4 | 250×102 | 250×106 | 23.5 |
| 16 | ブレーキ | 120 | DC24 | 38 | 1.58 | 15 | B | 1800 | 6.30×10-3 | 3.78×10-3 | 6.50×10-4 | 250×102 | 250×106 | 23.5 | |
- 動摩擦トルクTd は、相対速度100min-1 時の値です。また、初期トルク特性により、ならし運転が必要となる場合があります。
- 許容仕事Eeaℓ(Ebaℓ)は、1 回の連結(制動)で許容される最大仕事を示します。
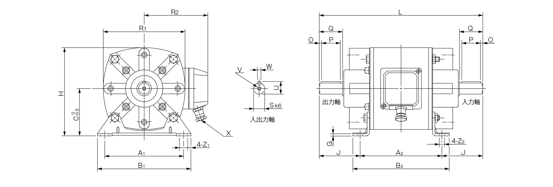
【寸法】
単位 [mm]
| サイズ | 本体寸法 | 軸寸法 | CADファイルNo. | |||||||||||||||||||
|---|---|---|---|---|---|---|---|---|---|---|---|---|---|---|---|---|---|---|---|---|---|---|
| A1 | A2 | B1 | B2 | C | G | H | J | L | O | P | Q | R1 | R2 | X | Z1 | Z2 | S | U | V | W | ||
| 06 | 82.5 | 100 | 100 | 115 | 63 | 3 | 108 | 41.5 | 183 | 2.5 | 18 | 23 | 90 | 89 | M16 | 9.5 | 7 | 11 | 12.5 | M4×0.7深さ10 | 4 | 180-0111 |
| 82.5 | 100 | 100 | 115 | *71 | 3 | *116 | 41.5 | 183 | 2.5 | 18 | 23 | 90 | 89 | M16 | 9.5 | 7 | 11 | 12.5 | M4×0.7深さ10 | 4 | 180-0111 | |
| 08 | 107.5 | 120 | 130 | 140 | 71 | 3 | 127 | 55 | 230 | 2.5 | 25 | 30 | 112 | 95 | M16 | 11.5 | 9 | 14 | 16 | M5×0.8深さ12 | 5 | 180-0112 |
| 107.5 | 120 | 130 | 140 | *80 | 3 | *136 | 55 | 230 | 2.5 | 25 | 30 | 112 | 95 | M16 | 11.5 | 9 | 14 | 16 | M5×0.8深さ12 | 5 | 180-0112 | |
| 10 | 135 | 140 | 160 | 165 | 80 | 4 | 150 | 70 | 280 | 4 | 32 | 40 | 140 | 110 | M16 | 14 | 9 | 19 | 21.5 | M6×1深さ16 | 6 | 180-0113 |
| 135 | 140 | 160 | 165 | *90 | 4 | *160 | 70 | 280 | 4 | 32 | 40 | 140 | 110 | M16 | 14 | 9 | 19 | 21.5 | M6×1深さ16 | 6 | 180-0113 | |
| 12 | 155 | 160 | 180 | 184 | 100 | 5 | 183.5 | 82 | 324 | 5 | 40 | 50 | 167 | 136 | M16 | 16 | 11 | 24 | 27 | M8×1.25深さ19 | 8 | 180-0114 |
| 155 | 160 | 180 | 184 | *112 | 5 | *195.5 | 82 | 324 | 5 | 40 | 50 | 167 | 136 | M16 | 16 | 11 | 24 | 27 | M8×1.25深さ19 | 8 | 180-0114 | |
| 16 | 190 | 185 | 223 | 215 | 112 | 6 | 217 | 97.5 | 380 | 5 | 50 | 60 | 210 | 158 | M16 | 18 | 13 | 28 | 31 | M10×1.5深さ22 | 8 | 180-0115 |
| 190 | 185 | 223 | 215 | *132 | 6 | *237 | 97.5 | 380 | 5 | 50 | 60 | 210 | 158 | M16 | 18 | 13 | 28 | 31 | M10×1.5深さ22 | 8 | 180-0115 | |
- *印部は、取り付け足位置変更時の寸法となり、オプション対応となります。お問い合わせください。
- 入出力軸にプーリなど挿入時には、付属の挿入セットをご使用ください。
- ケーブルコネクタの適応ケーブルサイズはφ 6 〜φ 8 となります(全サイズ共通)。