121(10G)タイプ(ダブルクラッチ)
電磁クラッチ・電磁ブレーキユニット121(20)タイプと基本構造が同じ通し軸構造で、ドラム両側に電磁クラッチを配置したダブルクラッチユニットです。ハブを入力に使用し、二段変速・正逆運転に使用する場合や軸を入力に使用し、動力分配などに使用することができます。
【仕様】
| 型式 | サイズ | 動摩擦トルクTd[N・m] | 静摩擦トルクTs[N・m] | コイル(at20℃) | 耐熱クラス | 最高回転速度[min-1] | 回転部慣性モーメントJ[kg・m2] | 空隙再調整までの総仕事ET[J] | アーマチュア吸引時間ta[s] | トルク立上り時間tp[s] | トルク消滅時間td[s] | 質量[kg] | ||||
|---|---|---|---|---|---|---|---|---|---|---|---|---|---|---|---|---|
| 電圧[V] | 容量[W] | 電流[A] | 抵抗[Ω] | ハブ入力時 | 軸入力時 | |||||||||||
| 121-06-10G | 06 | 5 | 5.5 | DC24 | 11 | 0.46 | 52 | B | 3000 | 1.55×10-4 | 1.05×10-4 | 36×106 | C:0.020 / B:0.015 | C:0.041 / B:0.033 | C:0.020 / B:0.015 | 1.7 |
| 121-08-10G | 08 | 10 | 11 | DC24 | 15 | 0.63 | 38 | B | 3000 | 4.75×10-4 | 3.00×10-4 | 60×106 | C:0.023 / B:0.016 | C:0.051 / B:0.042 | C:0.030 / B:0.025 | 3.1 |
| 121-10-10G | 10 | 20 | 22 | DC24 | 20 | 0.83 | 29 | B | 3000 | 1.44×10-3 | 9.45×10-4 | 130×106 | C:0.025 / B:0.018 | C:0.063 / B:0.056 | C:0.050 / B:0.030 | 6.5 |
| 121-12-10G | 12 | 40 | 45 | DC24 | 25 | 1.04 | 23 | B | 3000 | 4.50×10-3 | 2.75×10-3 | 250×106 | C:0.040 / B:0.027 | C:0.115 / B:0.090 | C:0.065 / B:0.050 | 10.5 |
| 121-16-10G | 16 | 80 | 90 | DC24 | 35 | 1.46 | 16 | B | 3000 | 1.34×10-2 | 9.05×10-3 | 470×106 | C:0.050 / B:0.035 | C:0.160 / B:0.127 | C:0.085 / B:0.055 | 21 |
| 121-20-10G | 20 | 160 | 175 | DC24 | 45 | 1.88 | 13 | B | 2500 | 4.18×10-2 | 2.65×10-2 | 10×108 | C:0.090 / B:0.065 | C:0.250 / B:0.200 | C:0.130 / B:0.070 | 38.5 |
| 121-25-10G | 25 | 320 | 350 | DC24 | 60 | 2.50 | 9.6 | B | 2000 | 9.80×10-2 | 7.45×10-2 | 20×108 | C:0.115 / B:0.085 | C:0.335 / B:0.275 | C:0.210 / B:0.125 | 70 |
- 動摩擦トルクTd は、相対速度100min-1 時の値です。また、初期トルク特性により、ならし運転が必要となる場合があります。
- 軸入力時の回転部慣性モーメントは、アーマチュア5型1個の値となります。
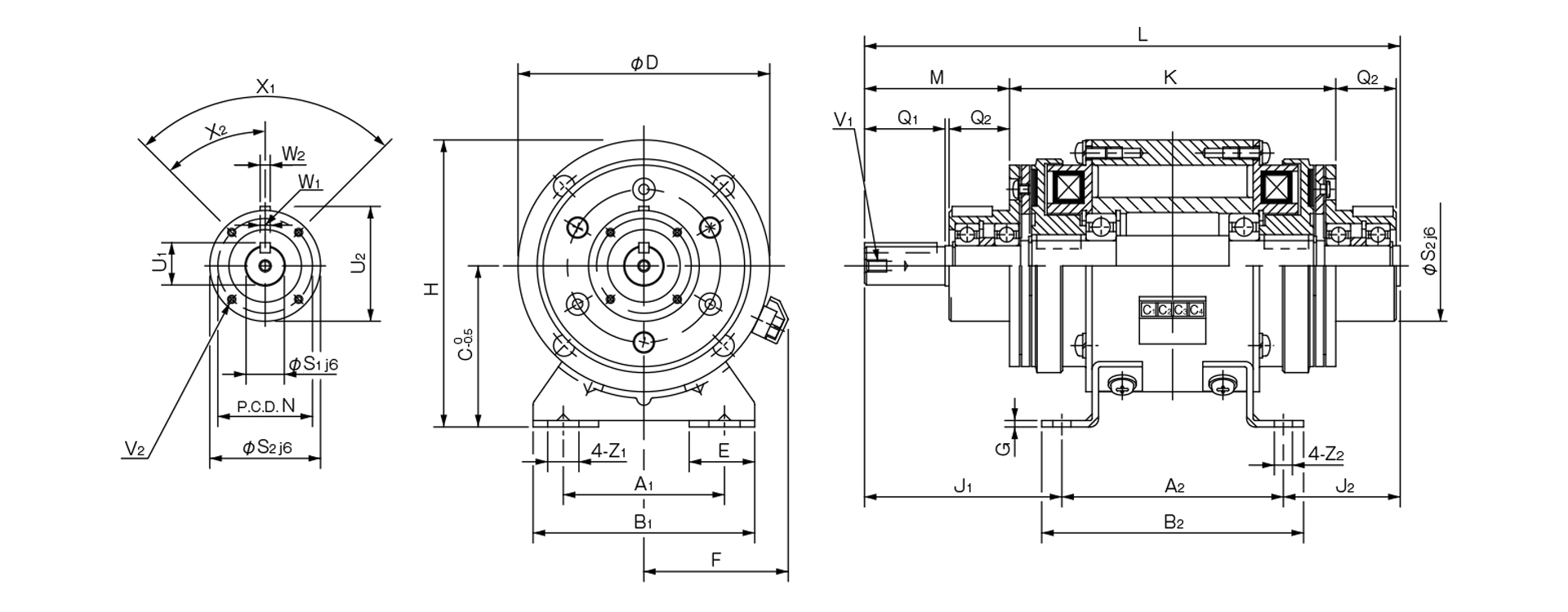
【寸法】
| サイズ | 本体寸法 | |||||||||||||||||
|---|---|---|---|---|---|---|---|---|---|---|---|---|---|---|---|---|---|---|
| A1 | A2 | B1 | B2 | C | D | E | F | G | H | J1 | J2 | K | L | M | N | Z1 | Z2 | |
| 06 | 52.5 | 75 | 80 | 90 | 55 | 80 | 27.5 | 53 | 2.6 | 95 | 65.5 | 40.5 | 111.5 | 181 | 47 | 33 | 13.5 | 6.5 |
| 08 | 65 | 90 | 90 | 105 | 65 | 100 | 27.5 | 61 | 2.6 | 115 | 78.5 | 48.5 | 133 | 217 | 57 | 37 | 13.5 | 6.5 |
| 10 | 80 | 110 | 110 | 130 | 80 | 125 | 32.5 | 72 | 3.2 | 142.5 | 98 | 58 | 162 | 266 | 72 | 47 | 15.5 | 9 |
| 12 | 105 | 135 | 140 | 160 | 90 | 150 | 35 | 81 | 3.2 | 165 | 121 | 71 | 193 | 327 | 92 | 52 | 20 | 11.5 |
| 16 | 135 | 160 | 175 | 185 | 112 | 190 | 42.5 | 97 | 4.5 | 207 | 149 | 87.5 | 232 | 397 | 113 | 62 | 24.5 | 11.5 |
| 20 | 155 | 200 | 200 | 230 | 132 | 230 | 45 | 109 | 6 | 247 | 187 | 105 | 290 | 492 | 142 | 74.5 | 28 | 14 |
| 25 | 195 | 240 | 240 | 270 | 160 | 290 | 47.5 | 124 | 20 | 305 | 238 | 125 | 350 | 603 | 183 | 101.5 | 28 | 14 |
| サイズ | 軸寸法 | CADファイルNo. | ||||||||||
|---|---|---|---|---|---|---|---|---|---|---|---|---|
| Q1 | Q2 | S1 | S2 | U1 | U2 | V1 | V2 | X1 | X2 | W1,2 | ||
| 06 | 25 | 20 | 11 | 38 | 12.5 | 39.5 | M4×0.7深さ8 | 3-M4×0.7深さ4 | 3-120° | 60° | 4 | 121-101 |
| 08 | 30 | 25 | 14 | 45 | 16 | 47 | M4×0.7深さ8 | 3-M4×0.7深さ6 | 3-120° | 60° | 5 | 121-102 |
| 10 | 40 | 30 | 19 | 55 | 21 | 57 | M6×1深さ11 | 4-M4×0.7深さ8 | 4-90° | 45° | 5 | 121-103 |
| 12 | 50 | 40 | 24 | 64 | 27 | 67 | M6×1深さ11 | 4-M4×0.7深さ8 | 4-90° | 45° | 7 | 121-104 |
| 16 | 60 | 50 | 28 | 75 | 31 | 78 | M6×1深さ11 | 6-M5×0.8深さ8 | 6-60° | 30° | 7 | 121-105 |
| 20 | 80 | 60 | 38 | 90 | 41.5 | 93.5 | M10×1.5深さ17 | 4-M6×1深さ12 | 4-90° | 45° | 10 | 121-106 |
| 25 | 110 | 70 | 42 | 115 | 45.5 | 118.5 | M10×1.5深さ17 | 8-M6×1深さ12 | 8-45° | 22.5° | 12 | 121-107 |
- 入出力キー溝はJIS旧規格2 種、キーはJIS旧規格1 種です。なお、ユニットハブ部のキー溝寸法はJIS 規格外となります。上記寸法表でご確認ください。
- 入出力にプーリなど挿入時には、付属の挿入セットをご使用ください。
- 121-25-10G のベースは鋳物製となります。