N-PAモデル
ベルポニー ウオーム減速機は、ウオームとホイールを組み合わせたウオーム減速機で、他の方式と比べてコンパクトで大きな減速比が得られるのが特長です。また、動力伝達はすべりによって行われるため、作動音が静かです。取り付け脚一体型の中実軸ウオーム減速機。縦置き型で入力軸を下方配置したモデルです。
【仕様】
| 型式 | 減速比率 | 入力回転速度[min-1] | 価格[円] | |||||||||||||||||||
|---|---|---|---|---|---|---|---|---|---|---|---|---|---|---|---|---|---|---|---|---|---|---|
| 1800 | 1500 | 1000 | 800 | 600 | ||||||||||||||||||
| 許容入力動力[kW] | 効率[%] | 許容出力トルク[N・m] | 許容O.H.L.(LS/2)[N] | 許容入力動力[kW] | 効率[%] | 許容出力トルク[N・m] | 許容O.H.L.(LS/2)[N] | 許容入力動力[kW] | 効率[%] | 許容出力トルク[N・m] | 許容O.H.L.(LS/2)[N] | 許容入力動力[kW] | 効率[%] | 許容出力トルク[N・m] | 許容O.H.L.(LS/2)[N] | 許容入力動力[kW] | 効率[%] | 許容出力トルク[N・m] | 許容O.H.L.(LS/2)[N] | |||
| N-PA12-1/10 | 1/10 | 0.82 | 81.3 | 35.9 | 970 | 0.74 | 80.6 | 38.7 | 1020 | 0.58 | 79.2 | 44.4 | 1200 | 0.53 | 78.2 | 50.0 | 1310 | 0.43 | 77.0 | 53.5 | 1380 | 37,750 |
| N-PA12-1/15 | 1/15 | 0.63 | 77.6 | 39.9 | 1210 | 0.56 | 76.8 | 42.2 | 1290 | 0.45 | 74.5 | 49.4 | 1470 | 0.39 | 73.7 | 52.3 | 1620 | 0.32 | 72.1 | 57.0 | 1700 | 37,750 |
| N-PA12-1/20 | 1/20 | 0.48 | 76.4 | 39.4 | 1340 | 0.43 | 75.6 | 42.1 | 1430 | 0.33 | 73.7 | 47.6 | 1660 | 0.29 | 72.1 | 51.6 | 1790 | 0.25 | 70.7 | 57.4 | 1800 | 34,320 |
| N-PA12-1/25 | 1/25 | 0.35 | 71.0 | 33.3 | 1460 | 0.31 | 69.8 | 35.2 | 1540 | 0.25 | 66.6 | 40.5 | 1750 | 0.22 | 65.3 | 44.0 | 1800 | 0.19 | 63.5 | 47.9 | 1800 | 37,750 |
| N-PA12-1/30 | 1/30 | 0.41 | 68.0 | 45.0 | 1580 | 0.37 | 66.7 | 47.8 | 1670 | 0.30 | 63.2 | 54.6 | 1800 | 0.27 | 61.8 | 60.7 | 1800 | 0.22 | 59.9 | 64.4 | 1800 | 34,320 |
| N-PA12-1/40 | 1/40 | 0.31 | 66.2 | 45.0 | 1740 | 0.29 | 64.9 | 48.0 | 1800 | 0.23 | 61.8 | 54.9 | 1800 | 0.20 | 59.9 | 58.5 | 1800 | 0.17 | 57.8 | 63.2 | 1800 | 34,320 |
| N-PA12-1/50 | 1/50 | 0.24 | 58.4 | 37.3 | 1740 | 0.22 | 56.8 | 40.3 | 1800 | 0.18 | 52.6 | 46.3 | 1800 | 0.16 | 51.1 | 48.9 | 1800 | 0.13 | 48.8 | 52.3 | 1800 | 34,320 |
| N-PA12-1/60 | 1/60 | 0.20 | 54.3 | 35.9 | 1800 | 0.18 | 52.9 | 37.0 | 1800 | 0.15 | 48.6 | 43.2 | 1800 | 0.13 | 47.0 | 45.4 | 1800 | 0.11 | 44.8 | 48.5 | 1800 | 34,320 |
| N-PA15-1/10 | 1/10 | 1.31 | 81.7 | 57.8 | 1450 | 1.17 | 81.3 | 61.5 | 1560 | 0.93 | 79.7 | 72.3 | 1790 | 0.82 | 78.8 | 78.6 | 1960 | 0.67 | 78.1 | 85.4 | 2110 | 44,350 |
| N-PA15-1/15 | 1/15 | 1.00 | 78.4 | 63.3 | 1830 | 0.90 | 77.6 | 68.3 | 1950 | 0.71 | 75.6 | 78.8 | 2240 | 0.62 | 74.5 | 84.9 | 2440 | 0.51 | 73.5 | 90.4 | 2500 | 44,350 |
| N-PA15-1/20 | 1/20 | 0.72 | 74.7 | 58.2 | 1900 | 0.64 | 74.1 | 61.9 | 2100 | 0.51 | 71.7 | 71.4 | 2400 | 0.44 | 70.3 | 75.7 | 2500 | 0.39 | 68.2 | 85.6 | 2500 | 40,320 |
| N-PA15-1/25 | 1/25 | 0.54 | 70.6 | 51.4 | 2160 | 0.48 | 69.7 | 54.3 | 2300 | 0.39 | 66.7 | 63.2 | 2500 | 0.34 | 65.3 | 67.2 | 2500 | 0.29 | 63.3 | 74.2 | 2500 | 44,350 |
| N-PA15-1/30 | 1/30 | 0.66 | 68.7 | 73.3 | 2370 | 0.58 | 68.0 | 77.3 | 2500 | 0.47 | 64.9 | 88.4 | 2500 | 0.42 | 63.2 | 96.7 | 2500 | 0.36 | 60.7 | 105.0 | 2500 | 40,320 |
| N-PA15-1/40 | 1/40 | 0.48 | 63.7 | 65.5 | 2500 | 0.42 | 62.9 | 69.2 | 2500 | 0.35 | 59.3 | 80.0 | 2500 | 0.31 | 57.5 | 85.8 | 2500 | 0.26 | 54.7 | 93.5 | 2500 | 40,320 |
| N-PA15-1/50 | 1/50 | 0.37 | 58.0 | 57.3 | 2500 | 0.34 | 56.5 | 63.1 | 2500 | 0.27 | 52.9 | 70.5 | 2500 | 0.24 | 51.1 | 75.1 | 2500 | 0.20 | 48.7 | 80.7 | 2500 | 40,320 |
| N-PA15-1/60 | 1/60 | 0.32 | 55.5 | 57.5 | 2500 | 0.29 | 54.2 | 60.6 | 2500 | 0.23 | 50.7 | 68.8 | 2500 | 0.21 | 48.1 | 75.0 | 2500 | 0.18 | 45.8 | 79.0 | 2500 | 40,320 |
| N-PA18-1/10 | 1/10 | 2.76 | 82.3 | 122.8 | 1520 | 2.47 | 81.7 | 131.0 | 1620 | 1.96 | 80.3 | 153.3 | 1890 | 1.71 | 79.4 | 165.8 | 2060 | 1.43 | 78.2 | 182.1 | 2160 | 58,610 |
| N-PA18-1/15 | 1/15 | 2.08 | 79.1 | 133.7 | 1930 | 1.90 | 78.1 | 144.6 | 2030 | 1.50 | 76.4 | 167.4 | 2370 | 1.30 | 75.3 | 178.8 | 2570 | 1.08 | 73.7 | 194.0 | 2680 | 58,610 |
| N-PA18-1/20 | 1/20 | 1.54 | 77.4 | 128.7 | 2120 | 1.39 | 76.7 | 138.4 | 2260 | 1.10 | 74.5 | 159.6 | 2590 | 0.95 | 73.3 | 169.2 | 2830 | 0.83 | 71.5 | 191.4 | 2950 | 53,280 |
| N-PA18-1/25 | 1/25 | 1.21 | 75.6 | 123.4 | 2410 | 1.08 | 74.9 | 131.3 | 2570 | 0.85 | 72.5 | 150.5 | 2950 | 0.75 | 71.3 | 162.3 | 2950 | 0.63 | 69.7 | 178.0 | 2950 | 58,610 |
| N-PA18-1/30 | 1/30 | 1.36 | 69.7 | 153.3 | 2490 | 1.21 | 68.7 | 162.5 | 2650 | 0.99 | 65.9 | 190.2 | 2950 | 0.87 | 64.4 | 203.8 | 2950 | 0.73 | 62.0 | 220.7 | 2950 | 53,280 |
| N-PA18-1/40 | 1/40 | 1.01 | 67.3 | 146.6 | 2700 | 0.90 | 66.6 | 154.8 | 2950 | 0.73 | 63.3 | 179.0 | 2950 | 0.64 | 61.6 | 191.9 | 2950 | 0.55 | 59.0 | 209.2 | 2950 | 53,280 |
| N-PA18-1/50 | 1/50 | 0.79 | 65.1 | 138.7 | 2700 | 0.73 | 63.6 | 150.9 | 2950 | 0.59 | 60.1 | 171.9 | 2950 | 0.52 | 58.1 | 183.2 | 2950 | 0.42 | 56.6 | 193.7 | 2950 | 53,280 |
| N-PA18-1/60 | 1/60 | 0.77 | 56.8 | 141.4 | 2700 | 0.70 | 55.4 | 151.1 | 2950 | 0.57 | 51.9 | 172 | 2950 | 0.49 | 50.1 | 180.4 | 2950 | 0.42 | 47.3 | 194.6 | 2950 | 53,280 |
| N-PA22-1/10 | 1/10 | 3.80 | 82.8 | 170 | 1750 | 3.41 | 82.0 | 182 | 1840 | 2.75 | 81.0 | 217 | 2190 | 2.42 | 79.9 | 235 | 2480 | 2.03 | 78.8 | 260 | 2850 | 60,280 |
| N-PA22-1/15 | 1/15 | 2.95 | 79.6 | 190 | 2220 | 2.65 | 78.6 | 203 | 2330 | 2.08 | 77.1 | 234 | 2730 | 1.83 | 75.9 | 254 | 3100 | 1.52 | 74.5 | 275 | 3550 | 60,280 |
| N-PA22-1/20 | 1/20 | 2.06 | 76.6 | 171 | 2580 | 1.88 | 75.4 | 184 | 2700 | 1.47 | 73.5 | 211 | 3140 | 1.31 | 72.1 | 230 | 3570 | 1.11 | 70.3 | 253 | 4060 | 65,760 |
| N-PA22-1/25 | 1/25 | 1.68 | 74.8 | 170 | 2680 | 1.49 | 74.1 | 179 | 2870 | 1.20 | 71.8 | 210 | 3300 | 1.03 | 70.5 | 222 | 3780 | 0.88 | 68.5 | 245 | 4060 | 60,280 |
| N-PA22-1/30 | 1/30 | 1.89 | 71.1 | 218 | 2930 | 1.70 | 69.4 | 230 | 3040 | 1.37 | 67.2 | 269 | 3560 | 1.21 | 65.4 | 289 | 4060 | 1.02 | 63.2 | 313 | 4060 | 65,760 |
| N-PA22-1/40 | 1/40 | 1.35 | 66.5 | 195 | 3120 | 1.23 | 64.5 | 206 | 3250 | 0.98 | 61.9 | 238 | 3800 | 0.88 | 59.9 | 256 | 4060 | 0.74 | 57.5 | 276 | 4060 | 65,760 |
| N-PA22-1/50 | 1/50 | 1.10 | 63.9 | 191 | 3210 | 1.02 | 62.7 | 207 | 3410 | 0.80 | 59.5 | 233 | 4060 | 0.71 | 57.8 | 248 | 4060 | 0.59 | 55.2 | 266 | 4060 | 65,760 |
| N-PA22-1/60 | 1/60 | 0.90 | 58.8 | 171 | 3220 | 0.83 | 56.5 | 183 | 3430 | 0.66 | 53.6 | 207 | 4060 | 0.58 | 51.3 | 219 | 4060 | 0.51 | 48.1 | 238 | 4060 | 65,760 |
| N-PA25-1/10 | 1/10 | 6.91 | 83.8 | 313 | 2000 | 6.24 | 82.8 | 335 | 2120 | 4.98 | 81.5 | 395 | 2480 | 4.31 | 81.0 | 425 | 2880 | 3.65 | 79.7 | 472 | 3270 | 112,990 |
| N-PA25-1/15 | 1/15 | 5.29 | 80.6 | 346 | 2560 | 4.70 | 79.8 | 365 | 2720 | 3.79 | 78.0 | 432 | 3130 | 3.28 | 71.1 | 462 | 3590 | 2.78 | 75.6 | 511 | 4080 | 112,990 |
| N-PA25-1/20 | 1/20 | 3.89 | 79.6 | 335 | 2850 | 3.53 | 78.6 | 360 | 2990 | 2.75 | 77.1 | 413 | 3500 | 2.43 | 75.9 | 450 | 3980 | 2.05 | 74.5 | 495 | 4550 | 102,720 |
| N-PA25-1/25 | 1/25 | 3.03 | 77.9 | 319 | 3230 | 2.69 | 77.0 | 336 | 3420 | 2.14 | 75.0 | 391 | 3950 | 1.85 | 73.7 | 415 | 4550 | 1.57 | 72.1 | 460 | 4550 | 112,990 |
| N-PA25-1/30 | 1/30 | 3.39 | 72.6 | 399 | 3400 | 3.01 | 71.3 | 419 | 3570 | 2.43 | 68.5 | 487 | 4120 | 2.14 | 67.2 | 526 | 4550 | 1.74 | 64.9 | 550 | 4550 | 102,720 |
| N-PA25-1/40 | 1/40 | 2.48 | 71.1 | 381 | 3740 | 2.24 | 69.4 | 404 | 3890 | 1.78 | 67.2 | 466 | 4550 | 1.57 | 65.4 | 502 | 4550 | 1.32 | 63.2 | 541 | 4550 | 102,720 |
| N-PA25-1/50 | 1/50 | 1.95 | 68.3 | 359 | 3860 | 1.78 | 66.7 | 387 | 4550 | 1.39 | 64.1 | 434 | 4550 | 1.23 | 62.2 | 467 | 4550 | 1.03 | 59.9 | 500 | 4550 | 102,720 |
| N-PA25-1/60 | 1/60 | 1.61 | 65.6 | 343 | 4210 | 1.46 | 64.4 | 367 | 4550 | 1.16 | 61.4 | 417 | 4550 | 1.00 | 59.7 | 438 | 4550 | 0.85 | 57.1 | 472 | 4550 | 102,720 |
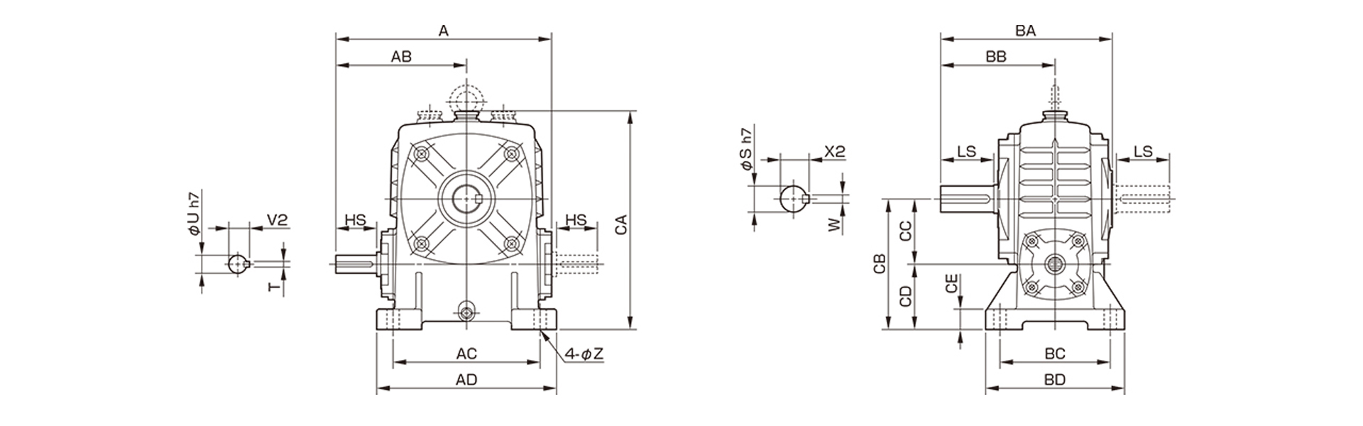
【寸法】
単位[mm]
| 型式 | A | AB | AC | AD | BA | BB | BC | BD | CA | CB | CC | CD | CE | Z | 入力軸 | 出力軸 | 質量[kg] | 油量[ℓ] | ||||||
|---|---|---|---|---|---|---|---|---|---|---|---|---|---|---|---|---|---|---|---|---|---|---|---|---|
| HS | U | T | V2 | LS | S | W | X2 | |||||||||||||||||
| N-PA12 | 175 | 105 | 110 | 140 | 145 | 95 | 95 | 120 | 175 | 100 | 50 | 50 | 10 | 11 | 30 | 12 | 4 | 13.5 | 40 | 17 | 5 | 19 | 6.2 | 0.2 |
| N-PA15 | 195 | 120 | 120 | 150 | 165 | 110 | 105 | 130 | 205 | 120 | 60 | 60 | 15 | 11 | 40 | 15 | 5 | 17 | 50 | 22 | 6 | 24.5 | 9.3 | 0.3 |
| N-PA18 | 234 | 140 | 150 | 190 | 195 | 130 | 115 | 150 | 240 | 140 | 70 | 70 | 22 | 15 | 40 | 18 | 6 | 20.5 | 60 | 28 | 8 | 31 | 16.0 | 0.5 |
| N-PA22 | 264 | 160 | 180 | 220 | 210 | 140 | 135 | 170 | 270 | 160 | 80 | 80 | 25 | 15 | 50 | 22 | 6 | 24.5 | 65 | 32 | 10 | 35 | 20.7 | 0.7 |
| N-PA25 | 322 | 190 | 220 | 270 | 260 | 170 | 155 | 190 | 375 | 200 | 100 | 100 | 25 | 15 | 50 | 25 | 8 | 28 | 75 | 38 | 10 | 41 | 39.6 | 1.6 |