MA25モデル
マキエース ウオーム減速機は、ウオームとホイールを組み合わせたウオーム減速機で、高減速比・低騒音・低振動といった特長に加え、高伝達効率・高トルク・高オーバーハングロード・スリムさ等を追求したコンパクトな中実軸ウオーム減速機です。アルミダイカストケースの採用で大幅な軽量化を実現しました。
【仕様】
| 型式 | 減速比率 | 入力回転速度[min-1] | 価格[円] | |||||||||||||||
|---|---|---|---|---|---|---|---|---|---|---|---|---|---|---|---|---|---|---|
| 1800 | 1500 | 1000 | 750 | 500 | ||||||||||||||
| 入力容量[kW] | 出力トルク[N・m] | 許容O.H.L.(25/2)[N] | 入力容量[kW] | 出力トルク[N・m] | 許容O.H.L.(25/2)[N] | 入力容量[kW] | 出力トルク[N・m] | 許容O.H.L.(25/2)[N] | 入力容量[kW] | 出力トルク[N・m] | 許容O.H.L.(25/2)[N] | 入力容量[kW] | 出力トルク[N・m] | 許容O.H.L.(25/2)[N] | ||||
| MA25[]10 | 1/10 | 1 | 0.29 | 11.2 | 423 | 0.26 | 12.0 | 423 | 0.20 | 13.6 | 423 | 0.17 | 15.3 | 423 | 0.13 | 17.4 | 423 | 21,400~ |
| MA25[]20 | 1/20 | 1 | 0.14 | 9.0 | 423 | 0.12 | 9.5 | 423 | 0.10 | 11.1 | 423 | 0.08 | 11.9 | 423 | 0.06 | 13.5 | 423 | 21,400~ |
| MA25[]30 | 1/30 | 1 | 0.13 | 12.1 | 423 | 0.12 | 12.7 | 423 | 0.10 | 14.6 | 423 | 0.08 | 15.6 | 423 | 0.06 | 17.7 | 423 | 21,400~ |
| MA25[]40 | 1/40 | 1 | 0.09 | 9.9 | 423 | 0.08 | 10.4 | 423 | 0.07 | 12.0 | 423 | 0.06 | 12.9 | 423 | 0.05 | 14.1 | 423 | 21,400~ |
| MA25[]50 | 1/50 | 1 | 0.08 | 9.0 | 423 | 0.07 | 9.0 | 423 | 0.05 | 10.1 | 423 | 0.05 | 11.2 | 423 | 0.04 | 12.3 | 423 | 21,400~ |
| MA25[]60 | 1/60 | 1 | 0.07 | 8.9 | 423 | 0.06 | 8.9 | 423 | 0.05 | 10.2 | 423 | 0.04 | 11.3 | 423 | 0.03 | 12.4 | 423 | 21,400~ |
| MABP25[]10 | 1/10 | 1 | 0.29 | 11.2 | 423 | 0.26 | 12.0 | 423 | 0.20 | 13.6 | 423 | 0.17 | 15.3 | 423 | 0.13 | 17.4 | 423 | 21,900~ |
| MABP25[]20 | 1/20 | 1 | 0.14 | 9.0 | 423 | 0.12 | 9.5 | 423 | 0.10 | 11.1 | 423 | 0.08 | 11.9 | 423 | 0.06 | 13.5 | 423 | 21,900~ |
| MABP25[]30 | 1/30 | 1 | 0.13 | 12.1 | 423 | 0.12 | 12.7 | 423 | 0.10 | 14.6 | 423 | 0.08 | 15.6 | 423 | 0.06 | 17.7 | 423 | 21,900~ |
| MABP25[]40 | 1/40 | 1 | 0.09 | 9.9 | 423 | 0.08 | 10.4 | 423 | 0.07 | 12.0 | 423 | 0.06 | 12.9 | 423 | 0.05 | 14.1 | 423 | 21,900~ |
| MABP25[]50 | 1/50 | 1 | 0.08 | 9.0 | 423 | 0.07 | 9.0 | 423 | 0.05 | 10.1 | 423 | 0.05 | 11.2 | 423 | 0.04 | 12.3 | 423 | 21,900~ |
| MABP25[]60 | 1/60 | 1 | 0.07 | 8.9 | 423 | 0.06 | 8.9 | 423 | 0.05 | 10.2 | 423 | 0.04 | 11.3 | 423 | 0.03 | 12.4 | 423 | 21,900~ |
| MAWP25[]10 | 1/10 | 1 | 0.29 | 11.2 | 423 | 0.26 | 12.0 | 423 | 0.20 | 13.6 | 423 | 0.17 | 15.3 | 423 | 0.13 | 17.4 | 423 | 21,900~ |
| MAWP25[]20 | 1/20 | 1 | 0.14 | 9.0 | 423 | 0.12 | 9.5 | 423 | 0.10 | 11.1 | 423 | 0.08 | 11.9 | 423 | 0.06 | 13.5 | 423 | 21,900~ |
| MAWP25[]30 | 1/30 | 1 | 0.13 | 12.1 | 423 | 0.12 | 12.7 | 423 | 0.10 | 14.6 | 423 | 0.08 | 15.6 | 423 | 0.06 | 17.7 | 423 | 21,900~ |
| MAWP25[]40 | 1/40 | 1 | 0.09 | 9.9 | 423 | 0.08 | 10.4 | 423 | 0.07 | 12.0 | 423 | 0.06 | 12.9 | 423 | 0.05 | 14.1 | 423 | 21,900~ |
| MAWP25[]50 | 1/50 | 1 | 0.08 | 9.0 | 423 | 0.07 | 9.0 | 423 | 0.05 | 10.1 | 423 | 0.05 | 11.2 | 423 | 0.04 | 12.3 | 423 | 21,900~ |
| MAWP25[]60 | 1/60 | 1 | 0.07 | 8.9 | 423 | 0.06 | 8.9 | 423 | 0.05 | 10.2 | 423 | 0.04 | 11.3 | 423 | 0.03 | 12.4 | 423 | 21,900~ |
| MAKP25[]10 | 1/10 | 1 | 0.29 | 11.2 | 423 | 0.26 | 12.0 | 423 | 0.20 | 13.6 | 423 | 0.17 | 15.3 | 423 | 0.13 | 17.4 | 423 | 22,800~ |
| MAKP25[]20 | 1/20 | 1 | 0.14 | 9.0 | 423 | 0.12 | 9.5 | 423 | 0.10 | 11.1 | 423 | 0.08 | 11.9 | 423 | 0.06 | 13.5 | 423 | 22,800~ |
| MAKP25[]30 | 1/30 | 1 | 0.13 | 12.1 | 423 | 0.12 | 12.7 | 423 | 0.10 | 14.6 | 423 | 0.08 | 15.6 | 423 | 0.06 | 17.7 | 423 | 22,800~ |
| MAKP25[]40 | 1/40 | 1 | 0.09 | 9.9 | 423 | 0.08 | 10.4 | 423 | 0.07 | 12.0 | 423 | 0.06 | 12.9 | 423 | 0.05 | 14.1 | 423 | 22,800~ |
| MAKP25[]50 | 1/50 | 1 | 0.08 | 9.0 | 423 | 0.07 | 9.0 | 423 | 0.05 | 10.1 | 423 | 0.05 | 11.2 | 423 | 0.04 | 12.3 | 423 | 22,800~ |
| MAKP25[]60 | 1/60 | 1 | 0.07 | 8.9 | 423 | 0.06 | 8.9 | 423 | 0.05 | 10.2 | 423 | 0.04 | 11.3 | 423 | 0.03 | 12.4 | 423 | 22,800~ |
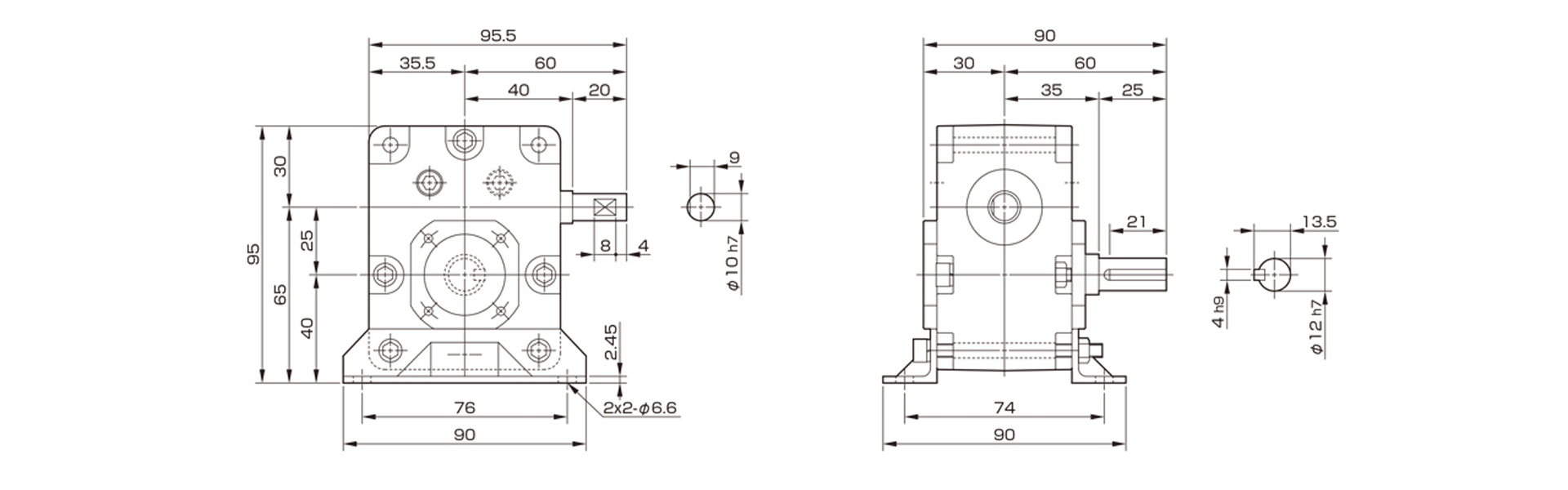
【寸法】MAモデル(ダイレクト取付タイプ)
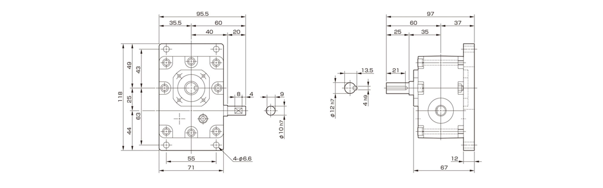
【寸法】MABPモデル(脚取付,入力軸下方タイプ)
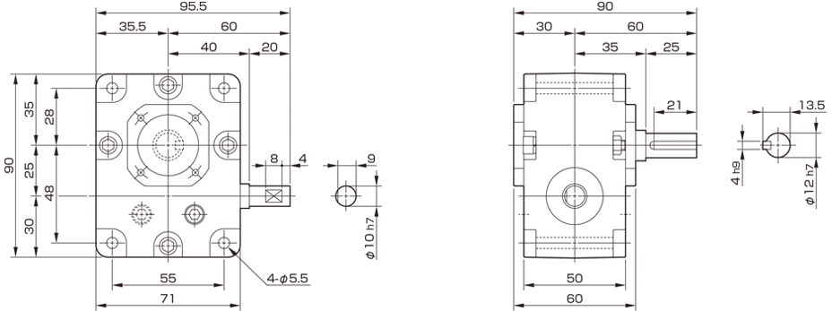
【寸法】MAWPモデル(脚取付,入力軸上方タイプ)
【寸法】MAKPモデル(脚取付,出力軸上下タイプ)