MALOモデル
マキエース ウオーム減速機は、ウオームとホイールを組み合わせたウオーム減速機で、高減速比・低騒音・低振動といった特長に加え、高伝達効率・高トルク・高オーバーハングロード・スリムさ等を追求したコンパクトな中空軸ウオーム減速機です。アルミダイカストケースの採用で大幅な軽量化を実現しました。
【仕様】
| 型式 | 減速比率 | 入力回転速度[min-1] | 価格[円] | |||||||||||||||||||
|---|---|---|---|---|---|---|---|---|---|---|---|---|---|---|---|---|---|---|---|---|---|---|
| 1800 | 1500 | 1000 | 750 | 500 | ||||||||||||||||||
| 入力容量[kW] | 効率[%] | 出力トルク[N・m] | 許容O.H.L.(BD/2)[N] | 入力容量[kW] | 効率[%] | 出力トルク[N・m] | 許容O.H.L.(BD/2)[N] | 入力容量[kW] | 効率[%] | 出力トルク[N・m] | 許容O.H.L.(BD/2)[N] | 入力容量[kW] | 効率[%] | 出力トルク[N・m] | 許容O.H.L.(BD/2)[N] | 入力容量[kW] | 効率[%] | 出力トルク[N・m] | 許容O.H.L.(BD/2)[N] | |||
| MALOB50 | 1/10 | 1.77 | 91.2 | 85.3 | 2940 | 1.62 | 90.4 | 93.1 | 2940 | 1.26 | 89.1 | 107 | 2940 | 1.19 | 88.7 | 112 | 2940 | 0.82 | 86.3 | 136 | 2940 | 38,100~ |
| MALOB50 | 1/15 | 1.52 | 88.2 | 107 | 2940 | 1.35 | 87.3 | 113 | 2940 | 1.07 | 85.7 | 131 | 2940 | 1.00 | 85.0 | 135 | 2940 | 0.69 | 82.2 | 164 | 2940 | 38,100~ |
| MALOB50 | 1/20 | 1.08 | 86.5 | 99.0 | 2940 | 0.97 | 85.6 | 107 | 2940 | 0.75 | 83.6 | 121 | 2940 | 0.71 | 83.0 | 125 | 2940 | 0.49 | 80.0 | 150 | 2940 | 38,100~ |
| MALOB50 | 1/25 | 0.84 | 84.5 | 94.1 | 2940 | 0.75 | 83.6 | 101 | 2940 | 0.58 | 81.3 | 114 | 2940 | 0.55 | 80.6 | 118 | 2940 | 0.37 | 77.4 | 140 | 2940 | 38,100~ |
| MALOB50 | 1/30 | 0.97 | 79.8 | 124 | 2940 | 0.88 | 78.3 | 132 | 2940 | 0.68 | 76.0 | 149 | 2940 | 0.65 | 75.0 | 155 | 2940 | 0.44 | 71.0 | 182 | 2940 | 38,100~ |
| MALOB50 | 1/40 | 0.67 | 77.0 | 110 | 2940 | 0.60 | 75.8 | 117 | 2940 | 0.47 | 72.8 | 133 | 2940 | 0.45 | 71.9 | 137 | 2940 | 0.30 | 67.8 | 159 | 2940 | 38,100~ |
| MALOB50 | 1/50 | 0.50 | 73.8 | 99.0 | 2940 | 0.45 | 72.5 | 105 | 2940 | 0.36 | 69.2 | 120 | 2940 | 0.33 | 68.3 | 123 | 2940 | 0.22 | 64.0 | 140 | 2940 | 38,100~ |
| MALOB50 | 1/60 | 0.39 | 70.8 | 89.2 | 2940 | 0.35 | 69.5 | 95.1 | 2940 | 0.28 | 65.9 | 106 | 2940 | 0.26 | 65.0 | 109 | 2940 | 0.18 | 60.5 | 125 | 2940 | 38,100~ |
| MALOW50 | 1/10 | 1.77 | 91.2 | 85.3 | 2940 | 1.62 | 90.4 | 93.1 | 2940 | 1.26 | 89.1 | 107 | 2940 | 1.19 | 88.7 | 112 | 2940 | 0.82 | 86.3 | 136 | 2940 | 38,100~ |
| MALOW50 | 1/15 | 1.52 | 88.2 | 107 | 2940 | 1.35 | 87.3 | 113 | 2940 | 1.07 | 85.7 | 131 | 2940 | 1.00 | 85.0 | 135 | 2940 | 0.69 | 82.2 | 164 | 2940 | 38,100~ |
| MALOW50 | 1/20 | 1.08 | 86.5 | 99.0 | 2940 | 0.97 | 85.6 | 107 | 2940 | 0.75 | 83.6 | 121 | 2940 | 0.71 | 83.0 | 125 | 2940 | 0.49 | 80.0 | 150 | 2940 | 38,100~ |
| MALOW50 | 1/25 | 0.84 | 84.5 | 94.1 | 2940 | 0.75 | 83.6 | 101 | 2940 | 0.58 | 81.3 | 114 | 2940 | 0.55 | 80.6 | 118 | 2940 | 0.37 | 77.4 | 140 | 2940 | 38,100~ |
| MALOW50 | 1/30 | 0.97 | 79.8 | 124 | 2940 | 0.88 | 78.3 | 132 | 2940 | 0.68 | 76.0 | 149 | 2940 | 0.65 | 75.0 | 155 | 2940 | 0.44 | 71.0 | 182 | 2940 | 38,100~ |
| MALOW50 | 1/40 | 0.67 | 77.0 | 110 | 2940 | 0.60 | 75.8 | 117 | 2940 | 0.47 | 72.8 | 133 | 2940 | 0.45 | 71.9 | 137 | 2940 | 0.30 | 67.8 | 159 | 2940 | 38,100~ |
| MALOW50 | 1/50 | 0.50 | 73.8 | 99.0 | 2940 | 0.45 | 72.5 | 105 | 2940 | 0.36 | 69.2 | 120 | 2940 | 0.33 | 68.3 | 123 | 2940 | 0.22 | 64.0 | 140 | 2940 | 38,100~ |
| MALOW50 | 1/60 | 0.39 | 70.8 | 89.2 | 2940 | 0.35 | 69.5 | 95.1 | 2940 | 0.28 | 65.9 | 106 | 2940 | 0.26 | 65.0 | 109 | 2940 | 0.18 | 60.5 | 125 | 2940 | 38,100~ |
| MALOK50 | 1/10 | 1.77 | 91.2 | 85.3 | 2940 | 1.62 | 90.4 | 93.1 | 2940 | 1.26 | 89.1 | 107 | 2940 | 1.19 | 88.7 | 112 | 2940 | 0.82 | 86.3 | 136 | 2940 | 40,700~ |
| MALOK50 | 1/15 | 1.52 | 88.2 | 107 | 2940 | 1.35 | 87.3 | 113 | 2940 | 1.07 | 85.7 | 131 | 2940 | 1.00 | 85.0 | 135 | 2940 | 0.69 | 82.2 | 164 | 2940 | 40,700~ |
| MALOK50 | 1/20 | 1.08 | 86.5 | 99.0 | 2940 | 0.97 | 85.6 | 107 | 2940 | 0.75 | 83.6 | 121 | 2940 | 0.71 | 83.0 | 125 | 2940 | 0.49 | 80.0 | 150 | 2940 | 40,700~ |
| MALOK50 | 1/25 | 0.84 | 84.5 | 94.1 | 2940 | 0.75 | 83.6 | 101 | 2940 | 0.58 | 81.3 | 114 | 2940 | 0.55 | 80.6 | 118 | 2940 | 0.37 | 77.4 | 140 | 2940 | 40,700~ |
| MALOK50 | 1/30 | 0.97 | 79.8 | 124 | 2940 | 0.88 | 78.3 | 132 | 2940 | 0.68 | 76.0 | 149 | 2940 | 0.65 | 75.0 | 155 | 2940 | 0.44 | 71.0 | 182 | 2940 | 40,700~ |
| MALOK50 | 1/40 | 0.67 | 77.0 | 110 | 2940 | 0.60 | 75.8 | 117 | 2940 | 0.47 | 72.8 | 133 | 2940 | 0.45 | 71.9 | 137 | 2940 | 0.30 | 67.8 | 159 | 2940 | 40,700~ |
| MALOK50 | 1/50 | 0.50 | 73.8 | 99.0 | 2940 | 0.45 | 72.5 | 105 | 2940 | 0.36 | 69.2 | 120 | 2940 | 0.33 | 68.3 | 123 | 2940 | 0.22 | 64.0 | 140 | 2940 | 40,700~ |
| MALOK50 | 1/60 | 0.39 | 70.8 | 89.2 | 2940 | 0.35 | 69.5 | 95.1 | 2940 | 0.28 | 65.9 | 106 | 2940 | 0.26 | 65.0 | 109 | 2940 | 0.18 | 60.5 | 125 | 2940 | 40,700~ |
| MALOB63 | 1/10 | 3.30 | 92.5 | 163 | 4410 | 3.00 | 91.4 | 174 | 4410 | 2.38 | 89.6 | 203 | 4410 | 2.01 | 88.8 | 227 | 4410 | 1.58 | 86.9 | 261 | 4410 | 49,000~ |
| MALOB63 | 1/15 | 2.70 | 89.7 | 192 | 4410 | 2.44 | 88.3 | 206 | 4410 | 1.94 | 86.2 | 240 | 4410 | 1.59 | 85.1 | 259 | 4410 | 1.27 | 82.7 | 300 | 4410 | 49,000~ |
| MALOB63 | 1/20 | 1.96 | 87.7 | 182 | 4410 | 1.77 | 86.6 | 195 | 4410 | 1.40 | 84.7 | 225 | 4410 | 1.17 | 83.1 | 250 | 4410 | 0.90 | 81.0 | 281 | 4410 | 49,000~ |
| MALOB63 | 1/25 | 1.51 | 85.9 | 173 | 4410 | 1.37 | 84.8 | 185 | 4410 | 1.06 | 82.9 | 209 | 4410 | 0.90 | 81.0 | 231 | 4410 | 0.68 | 78.9 | 259 | 4410 | 49,000~ |
| MALOB63 | 1/30 | 1.54 | 81.8 | 200 | 4410 | 1.38 | 79.9 | 211 | 4410 | 1.20 | 76.7 | 264 | 4410 | 1.03 | 75.0 | 295 | 4410 | 0.80 | 71.7 | 331 | 4410 | 49,000~ |
| MALOB63 | 1/40 | 1.20 | 78.8 | 201 | 4410 | 1.08 | 77.1 | 213 | 4410 | 0.85 | 74.4 | 243 | 4410 | 0.72 | 71.9 | 266 | 4410 | 0.55 | 69.1 | 291 | 4410 | 49,000~ |
| MALOB63 | 1/50 | 0.90 | 75.9 | 182 | 4410 | 0.82 | 74.2 | 194 | 4410 | 0.64 | 71.6 | 219 | 4410 | 0.54 | 68.8 | 238 | 4410 | 0.41 | 66.1 | 260 | 4410 | 49,000~ |
| MALOB63 | 1/60 | 0.70 | 72.8 | 164 | 4410 | 0.63 | 71.1 | 173 | 4410 | 0.50 | 68.3 | 197 | 4410 | 0.41 | 65.3 | 209 | 4410 | 0.32 | 62.5 | 233 | 4410 | 49,000~ |
| MALOW63 | 1/10 | 3.30 | 92.5 | 163 | 4410 | 3.00 | 91.4 | 174 | 4410 | 2.38 | 89.6 | 203 | 4410 | 2.01 | 88.8 | 227 | 4410 | 1.58 | 86.9 | 261 | 4410 | 49,000~ |
| MALOW63 | 1/15 | 2.70 | 89.7 | 192 | 4410 | 2.44 | 88.3 | 206 | 4410 | 1.94 | 86.2 | 240 | 4410 | 1.59 | 85.1 | 259 | 4410 | 1.27 | 82.7 | 300 | 4410 | 49,000~ |
| MALOW63 | 1/20 | 1.96 | 87.7 | 182 | 4410 | 1.77 | 86.6 | 195 | 4410 | 1.40 | 84.7 | 225 | 4410 | 1.17 | 83.1 | 250 | 4410 | 0.90 | 81.0 | 281 | 4410 | 49,000~ |
| MALOW63 | 1/25 | 1.51 | 85.9 | 173 | 4410 | 1.37 | 84.8 | 185 | 4410 | 1.06 | 82.9 | 209 | 4410 | 0.90 | 81.0 | 231 | 4410 | 0.68 | 78.9 | 259 | 4410 | 49,000~ |
| MALOW63 | 1/30 | 1.54 | 81.8 | 200 | 4410 | 1.38 | 79.9 | 211 | 4410 | 1.20 | 76.7 | 264 | 4410 | 1.03 | 75.0 | 295 | 4410 | 0.80 | 71.7 | 331 | 4410 | 49,000~ |
| MALOW63 | 1/40 | 1.20 | 78.8 | 201 | 4410 | 1.08 | 77.1 | 213 | 4410 | 0.85 | 74.4 | 243 | 4410 | 0.72 | 71.9 | 266 | 4410 | 0.55 | 69.1 | 291 | 4410 | 49,000~ |
| MALOW63 | 1/50 | 0.90 | 75.9 | 182 | 4410 | 0.82 | 74.2 | 194 | 4410 | 0.64 | 71.6 | 219 | 4410 | 0.54 | 68.8 | 238 | 4410 | 0.41 | 66.1 | 260 | 4410 | 49,000~ |
| MALOW63 | 1/60 | 0.70 | 72.8 | 164 | 4410 | 0.63 | 71.1 | 173 | 4410 | 0.50 | 68.3 | 197 | 4410 | 0.41 | 65.3 | 209 | 4410 | 0.32 | 62.5 | 233 | 4410 | 49,000~ |
| MALOK63 | 1/10 | 3.30 | 92.5 | 163 | 4410 | 3.00 | 91.4 | 174 | 4410 | 2.38 | 89.6 | 203 | 4410 | 2.01 | 88.8 | 227 | 4410 | 1.58 | 86.9 | 261 | 4410 | 57,000~ |
| MALOK63 | 1/15 | 2.70 | 89.7 | 192 | 4410 | 2.44 | 88.3 | 206 | 4410 | 1.94 | 86.2 | 240 | 4410 | 1.59 | 85.1 | 259 | 4410 | 1.27 | 82.7 | 300 | 4410 | 57,000~ |
| MALOK63 | 1/20 | 1.96 | 87.7 | 182 | 4410 | 1.77 | 86.6 | 195 | 4410 | 1.40 | 84.7 | 225 | 4410 | 1.17 | 83.1 | 250 | 4410 | 0.90 | 81.0 | 281 | 4410 | 57,000~ |
| MALOK63 | 1/25 | 1.51 | 85.9 | 173 | 4410 | 1.37 | 84.8 | 185 | 4410 | 1.06 | 82.9 | 209 | 4410 | 0.90 | 81.0 | 231 | 4410 | 0.68 | 78.9 | 259 | 4410 | 57,000~ |
| MALOK63 | 1/30 | 1.54 | 81.8 | 200 | 4410 | 1.38 | 79.9 | 211 | 4410 | 1.20 | 76.7 | 264 | 4410 | 1.03 | 75.0 | 295 | 4410 | 0.80 | 71.7 | 331 | 4410 | 57,000~ |
| MALOK63 | 1/40 | 1.20 | 78.8 | 201 | 4410 | 1.08 | 77.1 | 213 | 4410 | 0.85 | 74.4 | 243 | 4410 | 0.72 | 71.9 | 266 | 4410 | 0.55 | 69.1 | 291 | 4410 | 57,000~ |
| MALOK63 | 1/50 | 0.90 | 75.9 | 182 | 4410 | 0.82 | 74.2 | 194 | 4410 | 0.64 | 71.6 | 219 | 4410 | 0.54 | 68.8 | 238 | 4410 | 0.41 | 66.1 | 260 | 4410 | 57,000~ |
| MALOK63 | 1/60 | 0.70 | 72.8 | 164 | 4410 | 0.63 | 71.1 | 173 | 4410 | 0.50 | 68.3 | 197 | 4410 | 0.41 | 65.3 | 209 | 4410 | 0.32 | 62.5 | 233 | 4410 | 57,000~ |
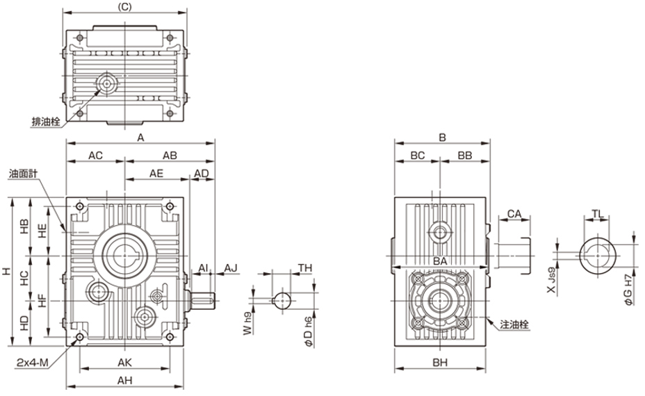
【寸法】MALOB(ダイレクト取付,下ウォーム形)
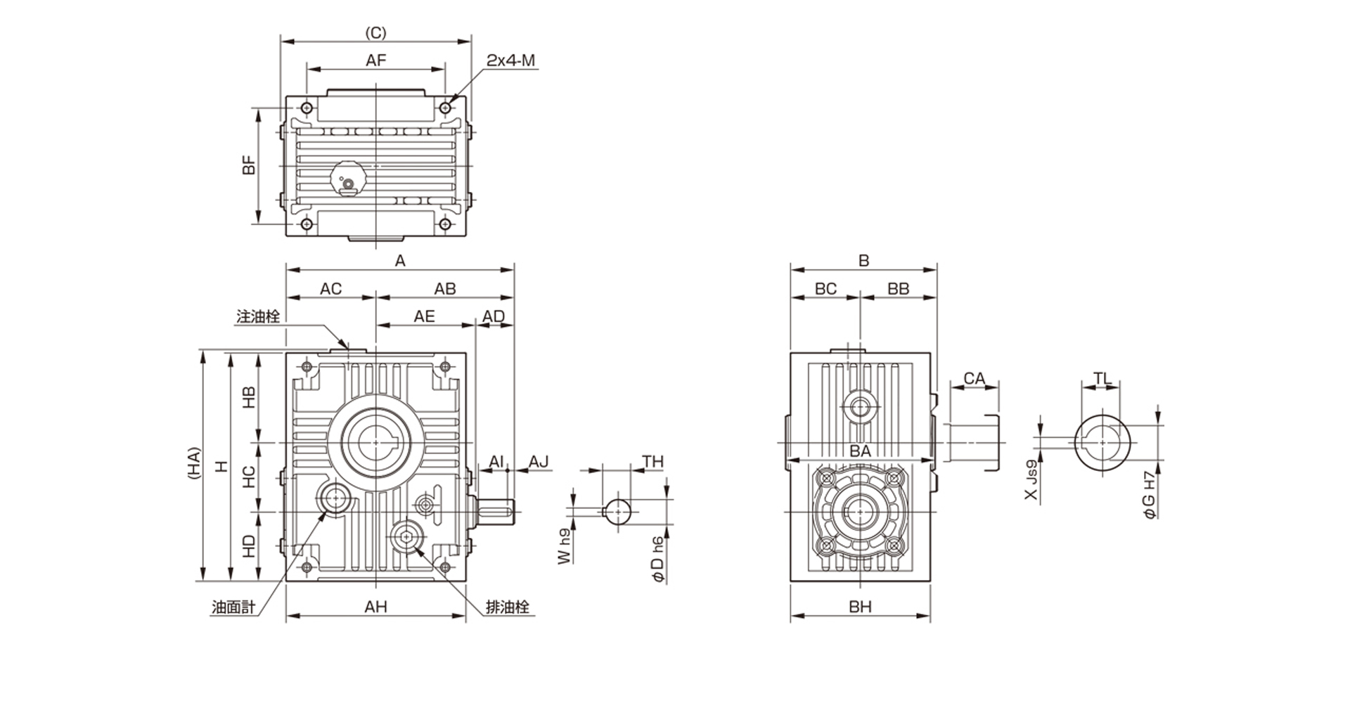
【寸法】MALOW(ダイレクト取付,上ウォーム形)
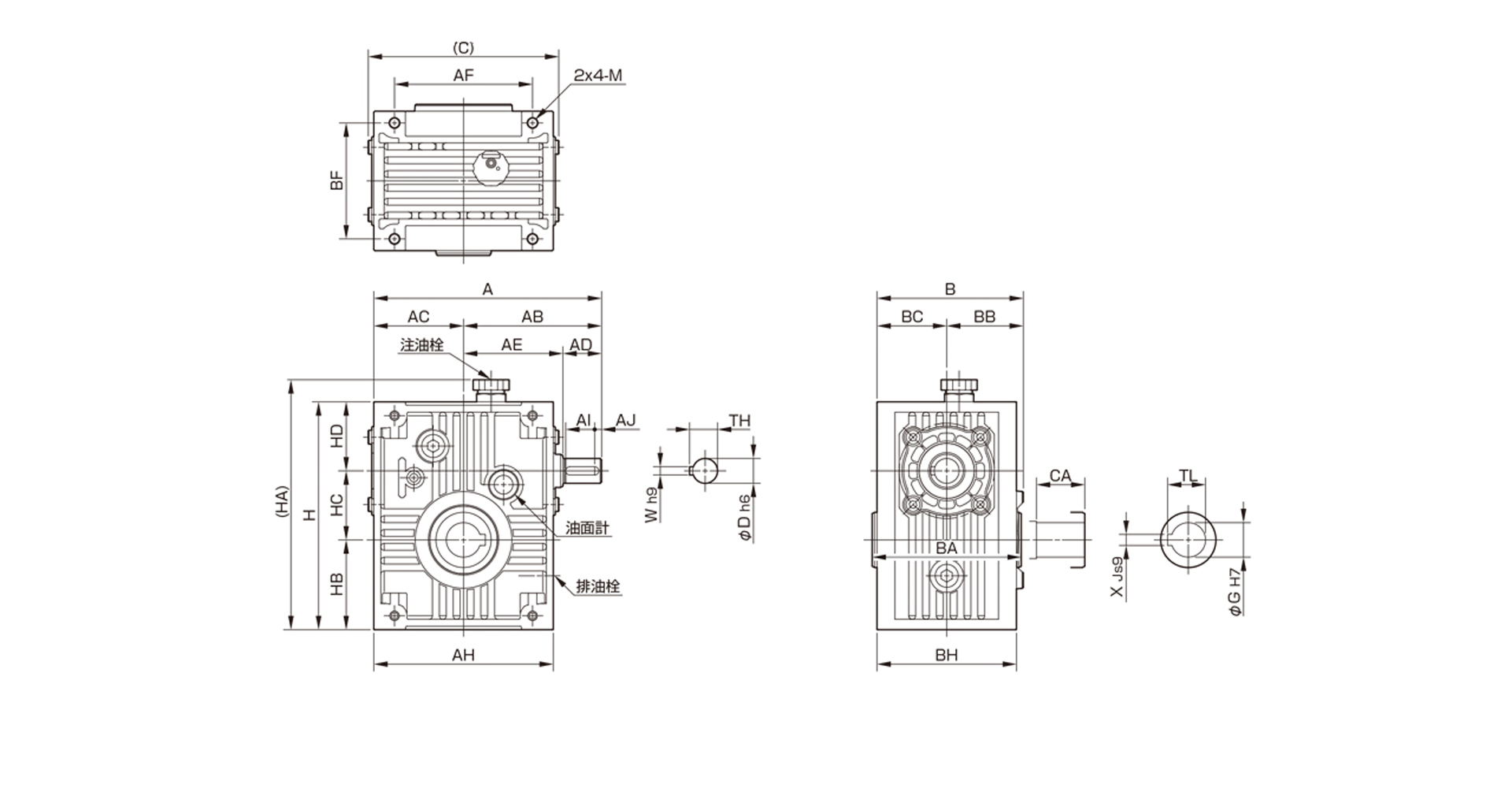
【寸法】MALOK(ダイレクト取付,出力軸垂直)
単位[mm]
| 型式 | A | AB | AC | AD | AE | AF | AH | AK | B | BA | BB | BC | BF | BH | C |
|---|---|---|---|---|---|---|---|---|---|---|---|---|---|---|---|
| MALOB50 | 165 | 100 | 65 | 28 | 72 | 100 | 130 | - | 106 | 108 | 55.5 | 50.5 | 84 | 101 | 138 |
| MALOW50 | 165 | 100 | 65 | 28 | 72 | 100 | 130 | - | 106 | 108 | 55.5 | 50.5 | 84 | 101 | 138 |
| MALOK50 | 165 | 100 | 65 | 28 | 72 | - | 130 | 100 | 106 | 108 | 55.5 | 50 | - | 100 | 138 |
| MALOB63 | 184.5 | 113 | 71.5 | 36 | 77 | 120 | 143 | - | 119 | 118 | 64 | 55 | 90 | 110.5 | 149 |
| MALOW63 | 184.5 | 113 | 71.5 | 36 | 77 | 120 | 143 | - | 119 | 118 | 64 | 55 | 90 | 110.5 | 149 |
| MALOK63 | 184.5 | 113 | 71.5 | 36 | 77 | - | 143 | 110 | 119 | 118 | 64 | 55 | - | 110 | 149 |
単位[mm]
| 型式 | H | HA | HB | HC | HD | HE | HF | M | 入力軸 | 出力軸 | 質量[kg] | |||||||
|---|---|---|---|---|---|---|---|---|---|---|---|---|---|---|---|---|---|---|
| AI | AJ | D | W | TH | CA | G | X | TL | ||||||||||
| MALB50 | 165 | 167.5 | 65 | 50 | 50 | - | - | M8 深16 | 21 | 5 | 18 | 6 | 20.5 | 35 | 25 | 8 | 28.3 | 4.8 |
| MALW50 | 165 | 181 | 65 | 50 | 50 | - | - | M8 深16 | 21 | 5 | 18 | 6 | 20.5 | 35 | 25 | 8 | 28.3 | 4.8 |
| MALK50 | 165.5 | - | 65 | 50 | 50.5 | 55 | 90 | M8 深16 | 21 | 5 | 18 | 6 | 20.5 | 35 | 25 | 8 | 28.3 | 4.8 |
| MALB63 | 190 | - | 77 | 63 | 50 | - | - | M10 深20 | 25 | 5 | 20 | 6 | 22.5 | 40 | 30 | 8 | 33 | 6.1 |
| MALW63 | 190 | - | 77 | 63 | 50 | - | - | M10 深20 | 25 | 5 | 20 | 6 | 22.5 | 40 | 30 | 8 | 33 | 6.1 |
| MALK63 | 190.5 | - | 77 | 63 | 50.5 | 65 | 100 | M10 深20 | 25 | 5 | 20 | 6 | 22.5 | 40 | 30 | 8 | 33 | 6.1 |