MAO32・40モデル
マキエース ウオーム減速機は、ウオームとホイールを組み合わせたウオーム減速機で、高減速比・低騒音・低振動といった特長に加え、高伝達効率・高トルク・高オーバーハングロード・スリムさ等を追求したコンパクトな中空軸ウオーム減速機です。アルミダイカストケースの採用で大幅な軽量化を実現しました。
【仕様】
| 型式 | 減速比率 | 入力回転速度[min-1] | 価格[円] | ||||||||||||||
|---|---|---|---|---|---|---|---|---|---|---|---|---|---|---|---|---|---|
| 1800 | 1500 | 1000 | 750 | 500 | |||||||||||||
| 入力容量[kW] | 出力トルク[N・m] | 許容O.H.L.(BG/2)[N] | 入力容量[kW] | 出力トルク[N・m] | 許容O.H.L.(25/2)[N] | 入力容量[kW] | 出力トルク[N・m] | 許容O.H.L.(25/2)[N] | 入力容量[kW] | 出力トルク[N・m] | 許容O.H.L.(25/2)[N] | 入力容量[kW] | 出力トルク[N・m] | 許容O.H.L.(25/2)[N] | |||
| MAO32[]10 | 1/10 | 0.59 | 24.5 | 1560 | 0.53 | 26.5 | 1560 | 0.43 | 31.4 | 1560 | 0.34 | 32.3 | 1560 | 0.23 | 32.3 | 1560 | 27,400~ |
| MAO32[]20 | 1/20 | 0.29 | 21.6 | 1560 | 0.26 | 23.5 | 1560 | 0.20 | 26.5 | 1560 | 0.18 | 29.4 | 1560 | 0.13 | 32.3 | 1560 | 27,400~ |
| MAO32[]30 | 1/30 | 0.26 | 26.5 | 1560 | 0.23 | 28.4 | 1560 | 0.19 | 32.3 | 1560 | 0.15 | 32.3 | 1560 | 0.10 | 32.3 | 1560 | 27,400~ |
| MAO32[]40 | 1/40 | 0.19 | 23.5 | 1560 | 0.17 | 25.5 | 1560 | 0.14 | 28.4 | 1560 | 0.12 | 31.4 | 1560 | 0.09 | 32.3 | 1560 | 27,400~ |
| MAO32[]50 | 1/50 | 0.15 | 22.5 | 1560 | 0.13 | 23.5 | 1560 | 0.11 | 27.4 | 1560 | 0.09 | 29.4 | 1560 | 0.07 | 30.4 | 1560 | 27,400~ |
| MAO32[]60 | 1/60 | 0.11 | 19.6 | 1560 | 0.10 | 20.6 | 1560 | 0.08 | 21.6 | 1560 | 0.06 | 22.5 | 1560 | 0.05 | 23.5 | 1560 | 27,400~ |
| MAO40[]10 | 1/10 | 1.04 | 44.1 | 2050 | 0.97 | 49.0 | 2050 | 0.75 | 55.9 | 2050 | 0.64 | 61.7 | 2050 | 0.47 | 66.6 | 2050 | 32,200~ |
| MAO40[]20 | 1/20 | 0.51 | 39.2 | 2050 | 0.45 | 41.2 | 2050 | 0.36 | 48.0 | 2050 | 0.31 | 52.9 | 2050 | 0.24 | 59.8 | 2050 | 32,200~ |
| MAO40[]30 | 1/30 | 0.45 | 48.0 | 2050 | 0.41 | 51.0 | 2050 | 0.33 | 58.8 | 2050 | 0.28 | 64.7 | 2050 | 0.20 | 66.6 | 2050 | 32,200~ |
| MAO40[]40 | 1/40 | 0.32 | 42.1 | 2050 | 0.30 | 45.1 | 2050 | 0.24 | 51.9 | 2050 | 0.20 | 55.9 | 2050 | 0.16 | 61.7 | 2050 | 32,200~ |
| MAO40[]50 | 1/50 | 0.27 | 42.1 | 2050 | 0.24 | 44.1 | 2050 | 0.19 | 50.0 | 2050 | 0.16 | 53.9 | 2050 | 0.13 | 58.8 | 2050 | 32,200~ |
| MAO40[]60 | 1/60 | 0.22 | 38.2 | 2050 | 0.19 | 40.2 | 2050 | 0.15 | 43.1 | 2050 | 0.12 | 44.1 | 2050 | 0.09 | 46.1 | 2050 | 32,200~ |
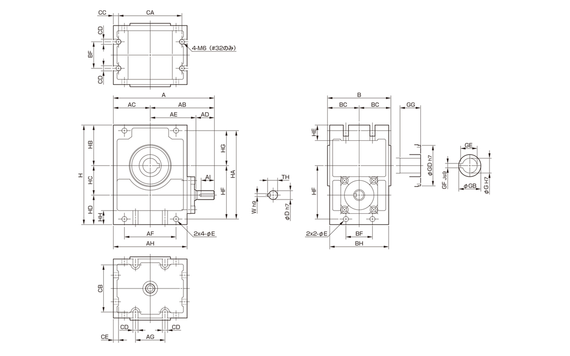
【寸法】
単位[mm]
| 型式 | A | AB | AC | AD | AE | AF | AG | AH | B | BC | BF | BH | CA | CB | CC | CD | CE |
|---|---|---|---|---|---|---|---|---|---|---|---|---|---|---|---|---|---|
| MAO32 | 122 | 79.5 | 42.5 | 25 | 54.5 | 60 | 30 | 85 | 70 | 35 | 24 | 64 | 75 | 50 | 6.0 | 7.0 | 6.0 |
| MAO40 | 137 | 87 | 50 | 25 | 62.0 | 70 | 40 | 100 | 86 | 43 | 36 | 80 | 90 | 64 | 7.0 | 7.0 | 7.0 |
単位[mm]
| 型式 | H | HA | HB | HC | HD | HE | HF | HG | HH | E | 入力軸 | 出力軸 | 質量[kg] | ||||||||
|---|---|---|---|---|---|---|---|---|---|---|---|---|---|---|---|---|---|---|---|---|---|
| AI | D | W | TH | GG | G | GF | GE | GB | GD | ||||||||||||
| MAO32 | 110 | 98 | 44 | 32 | 34 | 20 | 60 | 38 | 16 | 7.0 | 18 | 12 | 4 | 13.5 | 24 | 15 | 5.0 | 17.3 | 24 | 45 | 1.4 |
| MAO40 | 135 | 120 | 55 | 40 | 40 | 21 | 72.5 | 47.5 | 19 | 7.0 | 18 | 12 | 4 | 13.5 | 28 | 20 | 6.0 | 22.8 | 30 | 55 | 2.4 |