MAW(P)モデル
マキエース ウオーム減速機は、ウオームとホイールを組み合わせたウオーム減速機で、高減速比・低騒音・低振動といった特長に加え、高伝達効率・高トルク・高オーバーハングロード・スリムさ等を追求したコンパクトな中実軸ウオーム減速機です。縦置き型で入力軸を上方配置したモデルです。
【仕様】
| 型式 | 減速比率 | 入力回転速度[min-1] | MAW価格[円] | |||||||||||||||||||
|---|---|---|---|---|---|---|---|---|---|---|---|---|---|---|---|---|---|---|---|---|---|---|
| 1800 | 1500 | 1000 | 750 | 500 | ||||||||||||||||||
| 入力容量[kW] | 効率[%] | 出力トルク[N・m] | 許容O.H.L.(BD/2)[N] | 入力容量[kW] | 効率[%] | 出力トルク[N・m] | 許容O.H.L.(BD/2)[N] | 入力容量[kW] | 効率[%] | 出力トルク[N・m] | 許容O.H.L.(BD/2)[N] | 入力容量[kW] | 効率[%] | 出力トルク[N・m] | 許容O.H.L.(BD/2)[N] | 入力容量[kW] | 効率[%] | 出力トルク[N・m] | 許容O.H.L.(BD/2)[N] | |||
| MAW(P)50 | 1/10 | 1.77 | 91.2 | 85.3 | 2940 | 1.62 | 90.4 | 93.1 | 2940 | 1.26 | 89.1 | 107 | 2940 | 1.19 | 88.7 | 112 | 2940 | 0.82 | 86.3 | 136 | 2940 | 34,100~ |
| MAW(P)50 | 1/15 | 1.52 | 88.2 | 107 | 2940 | 1.35 | 87.3 | 113 | 2940 | 1.07 | 85.7 | 131 | 2940 | 1.00 | 85.0 | 135 | 2940 | 0.69 | 82.2 | 164 | 2940 | 34,100~ |
| MAW(P)50 | 1/20 | 1.08 | 86.5 | 99.0 | 2940 | 0.97 | 85.6 | 107 | 2940 | 0.75 | 83.6 | 121 | 2940 | 0.71 | 83.0 | 125 | 2940 | 0.49 | 80.0 | 150 | 2940 | 34,100~ |
| MAW(P)50 | 1/25 | 0.84 | 84.5 | 94.1 | 2940 | 0.75 | 83.6 | 101 | 2940 | 0.58 | 81.3 | 114 | 2940 | 0.55 | 80.6 | 118 | 2940 | 0.37 | 77.4 | 140 | 2940 | 34,100~ |
| MAW(P)50 | 1/30 | 0.97 | 79.8 | 124 | 2940 | 0.88 | 78.3 | 132 | 2940 | 0.68 | 76.0 | 149 | 2940 | 0.65 | 75.0 | 155 | 2940 | 0.44 | 71.0 | 182 | 2940 | 34,100~ |
| MAW(P)50 | 1/40 | 0.67 | 77.0 | 110 | 2940 | 0.60 | 75.8 | 117 | 2940 | 0.47 | 72.8 | 133 | 2940 | 0.45 | 71.9 | 137 | 2940 | 0.30 | 67.8 | 159 | 2940 | 34,100~ |
| MAW(P)50 | 1/50 | 0.50 | 73.8 | 99.0 | 2940 | 0.45 | 72.5 | 105 | 2940 | 0.36 | 69.2 | 120 | 2940 | 0.33 | 68.3 | 123 | 2940 | 0.22 | 64.0 | 140 | 2940 | 34,100~ |
| MAW(P)50 | 1/60 | 0.39 | 70.8 | 89.2 | 2940 | 0.35 | 69.5 | 95.1 | 2940 | 0.28 | 65.9 | 106 | 2940 | 0.26 | 65.0 | 109 | 2940 | 0.18 | 60.5 | 125 | 2940 | 34,100~ |
| MAW(P)63 | 1/10 | 3.30 | 92.5 | 163 | 4410 | 3.00 | 91.4 | 174 | 4410 | 2.38 | 89.6 | 203 | 4410 | 2.01 | 88.8 | 227 | 4410 | 1.58 | 86.9 | 261 | 4410 | 44,800~ |
| MAW(P)63 | 1/15 | 2.70 | 89.7 | 192 | 4410 | 2.44 | 88.3 | 206 | 4410 | 1.94 | 86.2 | 240 | 4410 | 1.59 | 85.1 | 259 | 4410 | 1.27 | 82.7 | 300 | 4410 | 44,800~ |
| MAW(P)63 | 1/20 | 1.96 | 87.7 | 182 | 4410 | 1.77 | 86.6 | 195 | 4410 | 1.40 | 84.7 | 225 | 4410 | 1.17 | 83.1 | 250 | 4410 | 0.90 | 81.0 | 281 | 4410 | 44,800~ |
| MAW(P)63 | 1/25 | 1.51 | 85.9 | 173 | 4410 | 1.37 | 84.8 | 185 | 4410 | 1.06 | 82.9 | 209 | 4410 | 0.90 | 81.0 | 231 | 4410 | 0.68 | 78.9 | 259 | 4410 | 44,800~ |
| MAW(P)63 | 1/30 | 1.54 | 81.8 | 200 | 4410 | 1.38 | 79.9 | 211 | 4410 | 1.20 | 76.7 | 264 | 4410 | 1.03 | 75.0 | 295 | 4410 | 0.80 | 71.7 | 331 | 4410 | 44,800~ |
| MAW(P)63 | 1/40 | 1.20 | 78.8 | 201 | 4410 | 1.08 | 77.1 | 213 | 4410 | 0.85 | 74.4 | 243 | 4410 | 0.72 | 71.9 | 266 | 4410 | 0.55 | 69.1 | 291 | 4410 | 44,800~ |
| MAW(P)63 | 1/50 | 0.90 | 75.9 | 182 | 4410 | 0.82 | 74.2 | 194 | 4410 | 0.64 | 71.6 | 219 | 4410 | 0.54 | 68.8 | 238 | 4410 | 0.41 | 66.1 | 260 | 4410 | 44,800~ |
| MAW(P)63 | 1/60 | 0.70 | 72.8 | 164 | 4410 | 0.63 | 71.1 | 173 | 4410 | 0.50 | 68.3 | 197 | 4410 | 0.41 | 65.3 | 209 | 4410 | 0.32 | 62.5 | 233 | 4410 | 44,800~ |
| MAW(P)80 | 1/10 | 5.89 | 93.3 | 292 | 7840 | 5.24 | 92.9 | 310 | 7840 | 4.19 | 90.8 | 364 | 7840 | 3.56 | 89.7 | 407 | 7840 | 2.75 | 88.2 | 463 | 7840 | 77,300~ |
| MAW(P)80 | 1/15 | 4.94 | 91.0 | 358 | 7840 | 4.56 | 90.2 | 392 | 7840 | 3.64 | 87.7 | 458 | 7840 | 3.06 | 86.5 | 506 | 7840 | 2.38 | 84.4 | 575 | 7840 | 77,300~ |
| MAW(P)80 | 1/20 | 3.63 | 89.3 | 344 | 7840 | 3.27 | 88.0 | 367 | 7840 | 2.60 | 85.4 | 424 | 7840 | 2.16 | 84.2 | 463 | 7840 | 1.71 | 81.8 | 533 | 7840 | 77,300~ |
| MAW(P)80 | 1/25 | 2.77 | 87.8 | 321 | 7840 | 2.51 | 86.2 | 344 | 7840 | 1.96 | 83.7 | 391 | 7840 | 1.63 | 82.5 | 429 | 7840 | 1.28 | 79.8 | 487 | 7840 | 77,300~ |
| MAW(P)80 | 1/30 | 2.83 | 84.3 | 379 | 7840 | 2.59 | 82.8 | 410 | 7840 | 2.13 | 79.0 | 481 | 7840 | 1.96 | 77.3 | 579 | 7840 | 1.53 | 74.2 | 652 | 7840 | 77,300~ |
| MAW(P)80 | 1/40 | 2.17 | 81.4 | 373 | 7840 | 1.97 | 79.1 | 396 | 7840 | 1.57 | 75.4 | 451 | 7840 | 1.31 | 73.6 | 491 | 7840 | 1.02 | 70.1 | 543 | 7840 | 77,300~ |
| MAW(P)80 | 1/50 | 1.64 | 78.6 | 342 | 7840 | 1.50 | 76.3 | 363 | 7840 | 1.18 | 72.7 | 411 | 7840 | 0.99 | 70.8 | 447 | 7840 | 0.76 | 67.1 | 487 | 7840 | 77,300~ |
| MAW(P)80 | 1/60 | 1.27 | 75.5 | 305 | 7840 | 1.15 | 73.0 | 319 | 7840 | 0.91 | 69.2 | 364 | 7840 | 0.76 | 67.2 | 391 | 7840 | 0.59 | 63.3 | 431 | 7840 | 77,300~ |
| MAW(P)100 | 1/10 | 9.80 | 93.9 | 488 | 11760 | 8.79 | 93.3 | 522 | 11760 | 6.97 | 91.8 | 611 | 11760 | 5.86 | 90.4 | 675 | 11760 | 4.58 | 89.1 | 778 | 11760 | 115,700~ |
| MAW(P)100 | 1/15 | 7.86 | 91.7 | 573 | 11760 | 7.28 | 91.0 | 632 | 11760 | 5.85 | 88.9 | 744 | 11760 | 4.94 | 87.2 | 822 | 11760 | 3.80 | 85.7 | 931 | 11760 | 115,700~ |
| MAW(P)100 | 1/20 | 5.84 | 90.5 | 560 | 11760 | 5.22 | 89.9 | 597 | 11760 | 4.15 | 87.1 | 690 | 11760 | 3.48 | 85.6 | 760 | 11760 | 2.72 | 83.7 | 867 | 11760 | 115,700~ |
| MAW(P)100 | 1/25 | 4.40 | 89.0 | 518 | 11760 | 4.05 | 88.2 | 569 | 11760 | 3.20 | 85.1 | 643 | 11760 | 2.68 | 83.6 | 713 | 11760 | 2.08 | 81.3 | 807 | 11760 | 115,700~ |
| MAW(P)100 | 1/30 | 4.44 | 85.3 | 603 | 11760 | 4.15 | 84.3 | 668 | 11760 | 3.39 | 80.7 | 784 | 11760 | 3.01 | 78.3 | 901 | 11760 | 2.44 | 76.0 | 1062 | 11760 | 115,700~ |
| MAW(P)100 | 1/40 | 3.52 | 83.2 | 621 | 11760 | 3.18 | 82.3 | 665 | 11760 | 2.57 | 77.9 | 763 | 11760 | 2.15 | 75.8 | 829 | 11760 | 1.66 | 72.8 | 920 | 11760 | 115,700~ |
| MAW(P)100 | 1/50 | 2.60 | 80.6 | 556 | 11760 | 2.39 | 79.3 | 602 | 11760 | 1.90 | 74.7 | 675 | 11760 | 1.60 | 72.5 | 738 | 11760 | 1.22 | 69.2 | 808 | 11760 | 115,700~ |
| MAW(P)100 | 1/60 | 2.03 | 78.2 | 506 | 11760 | 1.85 | 76.4 | 541 | 11760 | 1.48 | 71.7 | 607 | 11760 | 1.24 | 69.5 | 656 | 11760 | 0.95 | 65.9 | 722 | 11760 | 115,700~ |
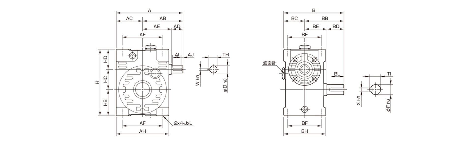
【寸法】MAWモデル(ダイレクト取付タイプ)
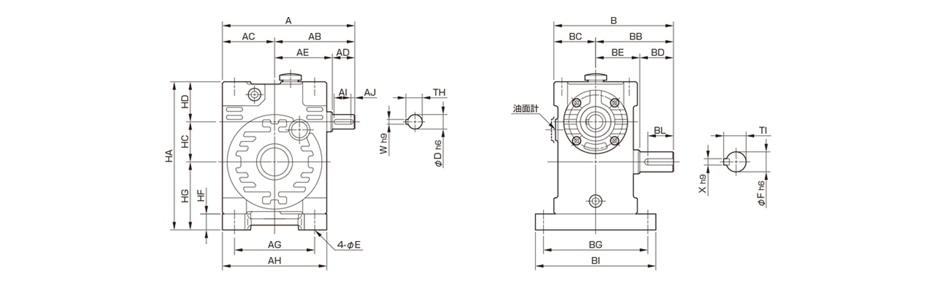
【寸法】MAWPモデル(脚取付タイプ)
単位[mm]
| 型式 | A | AB | AC | AD | AE | AF | AG | AH | B | BB | BC | BD | BE | BF | BG | BH | BI | E | H | HA | HB | HC | HD | HG | HF | J | L | 入力軸 | 出力軸 | MAW質量[kg] | 油量[ℓ] | |||||||
|---|---|---|---|---|---|---|---|---|---|---|---|---|---|---|---|---|---|---|---|---|---|---|---|---|---|---|---|---|---|---|---|---|---|---|---|---|---|---|
| AI | AJ | D | W | TH | BL | F | X | TI | ||||||||||||||||||||||||||||||
| MAW(P)50 | 165 | 100 | 65 | 28 | 72 | 100 | 100 | 130 | 149.5 | 97 | 52.5 | 42 | 55 | 84 | 130 | 105 | 150 | 9 | 165 | 185 | 65 | 50 | 50 | 85 | 20 | M8 | 16 | 21 | 5 | 18 | 6 | 20.5 | 32 | 25 | 8 | 28 | 9 | 0.5 |
| MAW(P)63 | 186 | 113 | 73 | 36 | 77 | 120 | 120 | 146 | 177 | 120 | 57 | 58 | 62 | 90 | 140 | 114 | 164 | 11 | 190 | 210 | 77 | 63 | 50 | 97 | 20 | M10 | 20 | 25 | 5 | 20 | 6 | 22.5 | 46 | 30 | 8 | 33 | 13 | 0.7 |
| MAW(P)80 | 240 | 145 | 95 | 42 | 103 | 150 | 150 | 190 | 197 | 130 | 67 | 58 | 72 | 96 | 160 | 134 | 190 | 13 | 240 | 265 | 96 | 80 | 64 | 121 | 25 | M12 | 24 | 30 | 6 | 25 | 8 | 28 | 45 | 38 | 10 | 41 | 26 | 1.3 |
| MAW(P)100 | 280 | 165 | 115 | 42 | 123 | 190 | 190 | 230 | 242 | 165 | 77 | 82 | 83 | 120 | 180 | 154 | 210 | 13 | 300 | 325 | 120 | 100 | 80 | 145 | 25 | M12 | 24 | 30 | 6 | 28 | 8 | 31 | 63 | 45 | 14 | 48.5 | 40 | 2.5 |