WL2モデル
シグマー 減速機は、平行軸減速機で幅広い減速比率からお選びいただけます。SG-P1シリーズは、最適設計によるケーシングの強度向上、内部ギヤの独自加工技術による強度と静粛性の両立、オイルシールを二重配置することによる長寿命化などの工夫を施しています。脚取り付け形の両軸平行軸です。
【仕様】
| 型式 | 適用モータ出力(4極)[kW] | 減速比呼び | 減速段数 | 実減速比 | 出力軸回転速度[min-1] | 出力軸許容トルク[N・m] | 出力軸許容O.H.L. [N] | 質量[kg] | 価格[円] | ||
|---|---|---|---|---|---|---|---|---|---|---|---|
| 50Hz | 60Hz | 50Hz | 60Hz | ||||||||
| SG-P1-WL2-01-5 | 0.1 | 1/5 | 2 | 1/5.167 | 290.3 | 348.4 | 3.0 | 2.5 | 588 | 2.6 | 23,400 |
| SG-P1-WL2-01-10 | 0.1 | 1/10 | 2 | 1/10.000 | 150.0 | 180.0 | 5.7 | 4.8 | 980 | 2.6 | 23,400 |
| SG-P1-WL2-01-15 | 0.1 | 1/15 | 2 | 1/15.000 | 100.0 | 120.0 | 8.6 | 7.2 | 1176 | 2.6 | 23,400 |
| SG-P1-WL2-01-20 | 0.1 | 1/20 | 2 | 1/19.231 | 78.0 | 93.6 | 11.0 | 9.2 | 1274 | 2.6 | 23,400 |
| SG-P1-WL2-01-25 | 0.1 | 1/25 | 2 | 1/24.091 | 62.3 | 74.7 | 13.8 | 11.5 | 1372 | 2.6 | 23,400 |
| SG-P1-WL2-01-30 | 0.1 | 1/30 | 2 | 1/30.000 | 50.0 | 60.0 | 17.2 | 14.4 | 1470 | 2.6 | 23,400 |
| SG-P1-WL2-01-40 | 0.1 | 1/40 | 2 | 1/40.182 | 37.3 | 44.8 | 23.1 | 19.2 | 1568 | 2.6 | 23,400 |
| SG-P1-WL2-01-50 | 0.1 | 1/50 | 2 | 1/50.556 | 29.7 | 35.6 | 29.0 | 24.2 | 1666 | 2.6 | 23,400 |
| SG-P1-WL2-01-60 | 0.1 | 1/60 | 3 | 1/60.888 | 24.6 | 29.6 | 33.2 | 27.7 | 2156 | 3.8 | 30,900 |
| SG-P1-WL2-01-80 | 0.1 | 1/80 | 3 | 1/79.229 | 18.9 | 22.7 | 43.2 | 36.0 | 2450 | 3.8 | 30,900 |
| SG-P1-WL2-01-100 | 0.1 | 1/100 | 3 | 1/98.333 | 15.3 | 18.3 | 53.6 | 44.7 | 2450 | 3.8 | 33,800 |
| SG-P1-WL2-01-120 | 0.1 | 1/120 | 3 | 1/122.720 | 12.2 | 14.7 | 67.0 | 55.8 | 2450 | 3.8 | 33,800 |
| SG-P1-WL2-01-160 | 0.1 | 1/160 | 3 | 1/162.250 | 9.2 | 11.1 | 88.5 | 73.8 | 2450 | 3.8 | 37,800 |
| SG-P1-WL2-01-200 | 0.1 | 1/200 | 3 | 1/201.780 | 7.4 | 8.9 | 110.1 | 91.7 | 2548 | 3.8 | 37,800 |
| SG-P1-WL2-01-300 | 0.1 | 1/300 | 4 | 1/294.333 | 5.1 | 6.1 | 152.6 | 127.1 | 2740 | 8.4 | 63,600 |
| SG-P1-WL2-01-360 | 0.1 | 1/360 | 4 | 1/377.827 | 4.0 | 4.8 | 195.8 | 163.2 | 2740 | 8.4 | 63,600 |
| SG-P1-WL2-01-450 | 0.1 | 1/450 | 4 | 1/428.885 | 3.5 | 4.2 | 222.3 | 185.2 | 2740 | 8.4 | 63,600 |
| SG-P1-WL2-01-600 | 0.1 | 1/600 | 4 | 1/616.043 | 2.4 | 2.9 | 319.3 | 266.1 | 5090 | 12.4 | 77,500 |
| SG-P1-WL2-01-700 | 0.1 | 1/700 | 4 | 1/714.914 | 2.1 | 2.5 | 370.5 | 308.8 | 5090 | 12.4 | 77,500 |
| SG-P1-WL2-01-900 | 0.1 | 1/900 | 4 | 1/894.403 | 1.7 | 2.0 | 463.6 | 386.3 | 5090 | 12.4 | 77,500 |
| SG-P1-WL2-01-1200 | 0.1 | 1/1200 | 4 | 1/1186.453 | 1.3 | 1.5 | 463.6 | 463.6 | 5090 | 12.4 | 77,500 |
| SG-P1-WL2-02-5 | 0.2 | 1/5 | 2 | 1/5.167 | 290.3 | 348.4 | 5.9 | 4.9 | 588 | 2.6 | 24,900 |
| SG-P1-WL2-02-10 | 0.2 | 1/10 | 2 | 1/10.000 | 150.0 | 180.0 | 11.5 | 9.6 | 980 | 2.6 | 24,900 |
| SG-P1-WL2-02-15 | 0.2 | 1/15 | 2 | 1/15.000 | 100.0 | 120.0 | 17.2 | 14.4 | 1078 | 2.6 | 24,900 |
| SG-P1-WL2-02-20 | 0.2 | 1/20 | 2 | 1/19.231 | 78.0 | 93.6 | 22.1 | 18.4 | 1176 | 2.6 | 24,900 |
| SG-P1-WL2-02-25 | 0.2 | 1/25 | 2 | 1/24.091 | 62.3 | 74.7 | 27.7 | 23.1 | 1274 | 2.6 | 24,900 |
| SG-P1-WL2-02-30 | 0.2 | 1/30 | 2 | 1/30.000 | 50.0 | 60.0 | 34.5 | 28.7 | 1666 | 2.6 | 25,800 |
| SG-P1-WL2-02-40 | 0.2 | 1/40 | 3 | 1/40.692 | 36.9 | 44.2 | 44.4 | 37.0 | 1862 | 3.7 | 27,800 |
| SG-P1-WL2-02-50 | 0.2 | 1/50 | 3 | 1/49.594 | 30.2 | 36.3 | 54.1 | 45.1 | 1960 | 3.7 | 27,800 |
| SG-P1-WL2-02-60 | 0.2 | 1/60 | 3 | 1/59.585 | 25.2 | 30.2 | 65.0 | 54.2 | 2156 | 3.7 | 33,300 |
| SG-P1-WL2-02-80 | 0.2 | 1/80 | 3 | 1/79.535 | 18.9 | 22.6 | 86.8 | 72.3 | 2450 | 3.7 | 33,300 |
| SG-P1-WL2-02-100 | 0.2 | 1/100 | 3 | 1/98.828 | 15.2 | 18.2 | 107.8 | 89.9 | 3038 | 6.8 | 38,900 |
| SG-P1-WL2-02-120 | 0.2 | 1/120 | 3 | 1/117.857 | 12.7 | 15.3 | 128.6 | 107.2 | 3332 | 6.8 | 38,900 |
| SG-P1-WL2-02-160 | 0.2 | 1/160 | 3 | 1/159.375 | 9.4 | 11.3 | 173.9 | 144.9 | 3430 | 6.8 | 43,100 |
| SG-P1-WL2-02-200 | 0.2 | 1/200 | 3 | 1/198.611 | 7.6 | 9.1 | 216.7 | 180.6 | 3430 | 6.8 | 43,100 |
| SG-P1-WL2-02-300 | 0.2 | 1/300 | 4 | 1/286.699 | 5.2 | 6.3 | 297.2 | 247.7 | 5090 | 13.3 | 86,000 |
| SG-P1-WL2-02-360 | 0.2 | 1/360 | 4 | 1/345.666 | 4.3 | 5.2 | 358.3 | 298.6 | 5090 | 13.3 | 86,000 |
| SG-P1-WL2-02-450 | 0.2 | 1/450 | 4 | 1/449.365 | 3.3 | 4.0 | 465.8 | 388.2 | 5090 | 13.3 | 86,000 |
| SG-P1-WL2-02-600 | 0.2 | 1/600 | 4 | 1/625.539 | 2.4 | 2.9 | 648.4 | 540.4 | 7050 | 24.4 | 101,300 |
| SG-P1-WL2-02-700 | 0.2 | 1/700 | 4 | 1/770.859 | 1.9 | 2.3 | 799.1 | 665.9 | 7050 | 24.4 | 101,300 |
| SG-P1-WL2-02-900 | 0.2 | 1/900 | 4 | 1/948.750 | 1.6 | 1.9 | 822.2 | 822.2 | 7050 | 24.4 | 101,300 |
| SG-P1-WL2-02-1200 | 0.2 | 1/1200 | 4 | 1/1243.568 | 1.2 | 1.4 | 822.2 | 822.2 | 7050 | 24.4 | 101,300 |
| SG-P1-WL2-04-5 | 0.4 | 1/5 | 2 | 1/5.067 | 296.0 | 355.2 | 11.6 | 9.7 | 882 | 3.7 | 34,000 |
| SG-P1-WL2-04-10 | 0.4 | 1/10 | 2 | 1/10.000 | 150.0 | 180.0 | 23.0 | 19.1 | 1176 | 3.7 | 34,000 |
| SG-P1-WL2-04-15 | 0.4 | 1/15 | 2 | 1/15.938 | 94.1 | 112.9 | 36.6 | 30.5 | 1372 | 3.7 | 34,000 |
| SG-P1-WL2-04-20 | 0.4 | 1/20 | 2 | 1/20.400 | 73.5 | 88.2 | 46.9 | 39.1 | 1470 | 3.7 | 34,000 |
| SG-P1-WL2-04-25 | 0.4 | 1/25 | 2 | 1/23.139 | 64.8 | 77.8 | 53.2 | 44.3 | 1666 | 3.7 | 34,000 |
| SG-P1-WL2-04-30 | 0.4 | 1/30 | 3 | 1/30.046 | 49.9 | 59.9 | 65.6 | 54.6 | 2548 | 5.9 | 39,500 |
| SG-P1-WL2-04-40 | 0.4 | 1/40 | 3 | 1/39.910 | 37.6 | 45.1 | 87.1 | 72.6 | 2842 | 5.9 | 42,300 |
| SG-P1-WL2-04-50 | 0.4 | 1/50 | 3 | 1/51.231 | 29.3 | 35.1 | 111.8 | 93.2 | 3130 | 5.9 | 42,300 |
| SG-P1-WL2-04-60 | 0.4 | 1/60 | 3 | 1/58.154 | 25.8 | 31.0 | 126.9 | 105.8 | 3430 | 5.9 | 50,800 |
| SG-P1-WL2-04-80 | 0.4 | 1/80 | 3 | 1/79.477 | 18.9 | 22.6 | 173.4 | 144.5 | 3430 | 5.9 | 50,800 |
| SG-P1-WL2-04-100 | 0.4 | 1/100 | 3 | 1/102.640 | 14.6 | 17.5 | 224.0 | 186.7 | 4900 | 11.4 | 60,400 |
| SG-P1-WL2-04-120 | 0.4 | 1/120 | 3 | 1/121.275 | 12.4 | 14.8 | 264.7 | 220.6 | 5880 | 11.4 | 60,400 |
| SG-P1-WL2-04-160 | 0.4 | 1/160 | 3 | 1/160.875 | 9.3 | 11.2 | 351.1 | 292.6 | 5880 | 11.4 | 74,300 |
| SG-P1-WL2-04-200 | 0.4 | 1/200 | 3 | 1/200.475 | 7.5 | 9.0 | 437.5 | 364.6 | 5880 | 11.4 | 74,300 |
| SG-P1-WL2-04-300 | 0.4 | 1/300 | 4 | 1/295.437 | 5.07 | 6.09 | 612.5 | 510.4 | 7050 | 25.7 | 129,700 |
| SG-P1-WL2-04-360 | 0.4 | 1/360 | 4 | 1/367.625 | 4.08 | 4.90 | 762.2 | 635.1 | 7050 | 25.7 | 129,700 |
| SG-P1-WL2-04-450 | 0.4 | 1/450 | 4 | 1/470.751 | 3.19 | 3.82 | 813.3 | 813.3 | 7050 | 25.7 | 129,700 |
| SG-P1-WL2-08-5 | 0.75 | 1/5 | 2 | 1/4.952 | 302.9 | 363.5 | 21.3 | 17.8 | 1274 | 7.0 | 46,000 |
| SG-P1-WL2-08-10 | 0.75 | 1/10 | 2 | 1/10.111 | 148.4 | 178.0 | 43.6 | 36.3 | 1764 | 7.0 | 46,000 |
| SG-P1-WL2-08-15 | 0.75 | 1/15 | 2 | 1/15.333 | 97.8 | 117.4 | 66.0 | 55.0 | 2156 | 7.0 | 46,000 |
| SG-P1-WL2-08-20 | 0.75 | 1/20 | 2 | 1/19.303 | 77.7 | 93.2 | 83.1 | 69.3 | 2352 | 7.0 | 46,000 |
| SG-P1-WL2-08-25 | 0.75 | 1/25 | 2 | 1/24.074 | 62.3 | 74.8 | 103.7 | 86.4 | 2450 | 7.0 | 46,000 |
| SG-P1-WL2-08-30 | 0.75 | 1/30 | 3 | 1/30.058 | 49.9 | 59.9 | 123.0 | 102.5 | 4018 | 11.7 | 53,600 |
| SG-P1-WL2-08-40 | 0.75 | 1/40 | 3 | 1/40.578 | 37.0 | 44.4 | 166.0 | 138.4 | 4214 | 11.7 | 57,100 |
| SG-P1-WL2-08-50 | 0.75 | 1/50 | 3 | 1/49.861 | 30.1 | 36.1 | 204.0 | 170.0 | 4606 | 11.7 | 57,100 |
| SG-P1-WL2-08-60 | 0.75 | 1/60 | 3 | 1/60.116 | 25.0 | 29.9 | 246.0 | 205.0 | 5488 | 11.7 | 68,300 |
| SG-P1-WL2-08-80 | 0.75 | 1/80 | 3 | 1/78.150 | 19.2 | 23.0 | 319.8 | 266.5 | 5880 | 11.7 | 68,300 |
| SG-P1-WL2-08-100 | 0.75 | 1/100 | 3 | 1/99.181 | 15.1 | 18.1 | 405.8 | 338.2 | 6660 | 29.8 | 87,600 |
| SG-P1-WL2-08-120 | 0.75 | 1/120 | 3 | 1/122.222 | 12.3 | 14.7 | 500.1 | 416.8 | 6860 | 29.8 | 87,600 |
| SG-P1-WL2-08-160 | 0.75 | 1/160 | 3 | 1/161.368 | 9.3 | 11.2 | 660.3 | 550.3 | 6950 | 29.8 | 95,900 |
| SG-P1-WL2-08-200 | 0.75 | 1/200 | 3 | 1/197.172 | 7.6 | 9.1 | 806.8 | 672.3 | 7050 | 29.8 | 95,900 |
| SG-P1-WL2-15-5 | 1.5 | 1/5 | 2 | 1/4.875 | 307.7 | 369.2 | 42.0 | 35.0 | 1764 | 15.0 | 67,700 |
| SG-P1-WL2-15-10 | 1.5 | 1/10 | 2 | 1/10.000 | 150.0 | 180.0 | 86.1 | 71.8 | 2450 | 15.0 | 67,700 |
| SG-P1-WL2-15-15 | 1.5 | 1/15 | 2 | 1/14.815 | 101.2 | 121.5 | 127.6 | 106.4 | 2842 | 15.0 | 67,700 |
| SG-P1-WL2-15-20 | 1.5 | 1/20 | 2 | 1/19.259 | 77.9 | 93.5 | 165.9 | 138.3 | 3234 | 15.0 | 67,700 |
| SG-P1-WL2-15-25 | 1.5 | 1/25 | 2 | 1/24.000 | 62.5 | 75.0 | 206.7 | 172.3 | 3822 | 15.0 | 67,700 |
| SG-P1-WL2-15-30 | 1.5 | 1/30 | 3 | 1/29.760 | 50.4 | 60.5 | 243.6 | 203.0 | 5096 | 30.0 | 76,000 |
| SG-P1-WL2-15-40 | 1.5 | 1/40 | 3 | 1/40.347 | 37.2 | 44.6 | 330.2 | 275.2 | 5880 | 30.0 | 89,900 |
| SG-P1-WL2-15-50 | 1.5 | 1/50 | 3 | 1/49.240 | 30.5 | 36.6 | 403.0 | 335.8 | 7056 | 30.0 | 89,900 |
| SG-P1-WL2-15-60 | 1.5 | 1/60 | 3 | 1/61.271 | 24.5 | 29.4 | 501.4 | 147.9 | 7056 | 30.0 | 103,800 |
| SG-P1-WL2-15-80 | 1.5 | 1/80 | 3 | 1/78.459 | 19.1 | 22.9 | 642.1 | 535.1 | 7056 | 30.0 | 103,800 |
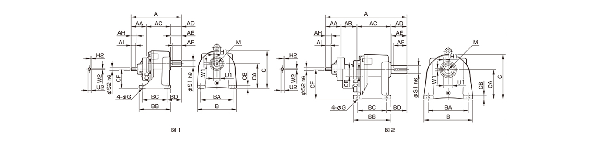
【寸法】
単位[mm]
| 型式 | 減速 比率 |
参照 図形 |
A | AA | AB | AC | AD | AE | AF | AH | AI | B | BA | BB | BC | BD | C | CA | CB | CD | CE | CF | G | M1呼び | S1 | U1 | W1 | H1 | S2 | U2 | W2 | H2 |
|---|---|---|---|---|---|---|---|---|---|---|---|---|---|---|---|---|---|---|---|---|---|---|---|---|---|---|---|---|---|---|---|---|
| SG-P1 -WL2-01 |
1/5~1/50 | 図1 | 192 | 75 | - | 85 | 32 | 30 | 24 | 25 | 20 | 134 | 110 | 66 | 40 | 45 | 129 | 85 | 10 | 16 | - | 69 | 9 | M6x1 深15 |
18 | 20.5 | 6 | 6 | 12 | 13.5 | 4 | 4 |
| SG-P1 -WL2-01 |
1/60~1/200 | 図1 | 219 | 75 | - | 102 | 42 | 40 | 30 | 25 | 20 | 156 | 130 | 90 | 65 | 55 | 137 | 90 | 12 | 20 | - | 70 | 11 | M6x1 深15 |
22 | 24.5 | 6 | 6 | 12 | 13.5 | 4 | 4 |
| SG-P1 -WL2-01 |
1/300~1/450 | 図2 | 309 | 75 | 72 | 115 | 47 | 45 | 36 | 25 | 20 | 174 | 140 | 120 | 90 | 62 | 173.5 | 110 | 15 | 25 | 29 | 114 | 11 | M8x1.25 深20 |
28 | 31 | 8 | 7 | 12 | 13.5 | 4 | 4 |
| SG-P1 -WL2-01 |
1/600~1/1200 | 図2 | 337 | 75 | 72 | 133 | 57 | 55 | 45 | 25 | 20 | 204 | 170 | 164 | 130 | 74 | 197.5 | 130 | 15 | 29 | 29 | 130 | 13 | M10x1.5 深さ25 |
32 | 35 | 10 | 8 | 12 | 13.5 | 4 | 4 |
| SG-P1 -WL2-02 |
1/5~1/30 | 図1 | 192 | 75 | - | 85 | 32 | 30 | 24 | 25 | 20 | 134 | 110 | 66 | 40 | 45 | 129 | 85 | 10 | 16 | - | 69 | 9 | M6x1 深15 |
18 | 20.5 | 6 | 6 | 12 | 13.5 | 4 | 4 |
| SG-P1 -WL2-02 |
1/40~1/80 | 図1 | 219 | 75 | - | 102 | 42 | 40 | 30 | 25 | 20 | 156 | 130 | 90 | 65 | 55 | 137 | 90 | 12 | 20 | - | 70 | 11 | M6x1 深15 |
22 | 24.5 | 6 | 6 | 12 | 13.5 | 4 | 4 |
| SG-P1 -WL2-02 |
1/100~1/200 | 図1 | 230 | 75 | - | 108 | 47 | 45 | 36 | 25 | 20 | 174 | 140 | 120 | 90 | 62 | 166 | 110 | 15 | 25 | - | 85 | 11 | M8x1.25 深20 |
28 | 31 | 8 | 7 | 12 | 13.5 | 4 | 4 |
| SG-P1 -WL2-02 |
1/300~1/450 | 図2 | 337 | 75 | 72 | 133 | 57 | 55 | 45 | 25 | 20 | 204 | 170 | 164 | 130 | 74 | 197.5 | 130 | 15 | 29 | 29 | 130 | 13 | M10x1.5 深さ25 |
32 | 35 | 10 | 8 | 12 | 13.5 | 4 | 4 |
| SG-P1 -WL2-02 |
1/600~1/1200 | 図2 | 401 | 75 | 72 | 169 | 85 | 82 | 70 | 25 | 20 | 256 | 210 | 196 | 150 | 108 | 235 | 155 | 20 | 35 | 29 | 149 | 15 | M10x1.5 深さ25 |
42 | 45 | 12 | 8 | 12 | 13.5 | 4 | 4 |
| SG-P1 -WL2-04 |
1/5~1/25 | 図1 | 224 | 80 | - | 102 | 42 | 40 | 30 | 30 | 24 | 156 | 130 | 90 | 65 | 55 | 137 | 90 | 12 | 20 | - | 70 | 11 | M6x1 深15 |
22 | 24.5 | 6 | 6 | 15 | 17 | 5 | 5 |
| SG-P1 -WL2-04 |
1/30~1/80 | 図1 | 235 | 80 | - | 108 | 47 | 45 | 36 | 30 | 24 | 174 | 140 | 120 | 90 | 62 | 166 | 110 | 15 | 25 | - | 85 | 11 | M8x1.25 深20 |
28 | 31 | 8 | 7 | 15 | 17 | 5 | 5 |
| SG-P1 -WL2-04 |
1/100~1/200 | 図1 | 263 | 80 | - | 126 | 57 | 55 | 45 | 30 | 24 | 204 | 170 | 164 | 130 | 74 | 197.5 | 130 | 15 | 29 | - | 101 | 13 | M10x1.5 深さ25 |
32 | 35 | 10 | 8 | 15 | 17 | 5 | 5 |
| SG-P1 -WL2-04 |
1/300~1/450 | 図2 | 426.5 | 80 | 84.5 | 177 | 85 | 82 | 70 | 30 | 24 | 256 | 210 | 196 | 150 | 108 | 235 | 155 | 20 | 35 | 29 | 158 | 15 | M10x1.5 深さ25 |
42 | 45 | 12 | 8 | 15 | 17 | 5 | 5 |
| SG-P1 -WL2-08 |
1/5~1/25 | 図1 | 265 | 103 | - | 115 | 47 | 45 | 36 | 35 | 29 | 174 | 140 | 120 | 90 | 62 | 166 | 110 | 15 | 25 | - | 85 | 11 | M8x1.25 深20 |
28 | 31 | 8 | 7 | 20 | 22 | 5 | 5 |
| SG-P1 -WL2-08 |
1/30~1/80 | 図1 | 293 | 103 | - | 133 | 57 | 55 | 45 | 35 | 29 | 204 | 170 | 164 | 130 | 74 | 197.5 | 130 | 15 | 29 | - | 101 | 13 | M10x1.5 深さ25 |
32 | 35 | 10 | 8 | 20 | 22 | 5 | 5 |
| SG-P1 -WL2-08 |
1/100~1/200 | 図1 | 357 | 103 | - | 169 | 85 | 82 | 70 | 35 | 29 | 256 | 210 | 196 | 150 | 108 | 235 | 155 | 20 | 35 | - | 120 | 15 | M10x1.5 深さ25 |
42 | 45 | 12 | 8 | 20 | 22 | 5 | 5 |
| SG-P1 -WL2-15 |
1/5~1/25 | 図1 | 338 | 139.5 | - | 141.5 | 57 | 55 | 45 | 36 | 28 | 204 | 170 | 164 | 130 | 74 | 197.5 | 130 | 15 | 29 | - | 101 | 13 | M10x1.5 深さ25 |
32 | 35 | 10 | 8 | 22 | 24.5 | 6 | 6 |
| SG-P1 -WL2-15 |
1/30~1/80 | 図1 | 402 | 139.5 | - | 177.5 | 85 | 82 | 70 | 36 | 28 | 256 | 210 | 196 | 150 | 108 | 235 | 155 | 20 | 35 | - | 120 | 15 | M10x1.5 深さ25 |
42 | 45 | 12 | 8 | 22 | 24.5 | 6 | 6 |