TMFCB2モデル
電磁クラッチ・電磁ブレーキユニットを搭載した、モータ出力0.2kW~0.74kW(4極)のフランジ付け形の平行軸ギヤードモータです。最適設計によるケーシングの強度向上、内部ギヤの独自加工技術による強度と静粛性の両立、モータのアルミフレーム採用による軽量化など、さまざまな工夫を施しています。
【仕様1】
| 型式 | モータ出力[kW] | 減速比呼び | 減速段数 | 実減速比 | 出力軸回転速度[min-1] | 出力軸許容トルク[N・m] | 出力軸許容O.H.L. [N] | 質量[kg] | 価格[円] | ||
|---|---|---|---|---|---|---|---|---|---|---|---|
| 50Hz | 60Hz | 50Hz | 60Hz | ||||||||
| SG-P1-TMFCB2-02-5 | 0.2 | 1/5 | 2 | 1/5.167 | 290.3 | 348.4 | 5.9 | 4.9 | 588 | 10.0 | 159,100 |
| SG-P1-TMFCB2-02-10 | 0.2 | 1/10 | 2 | 1/10.000 | 150.0 | 180.0 | 11.5 | 9.6 | 980 | 10.0 | 159,100 |
| SG-P1-TMFCB2-02-15 | 0.2 | 1/15 | 2 | 1/15.000 | 100.0 | 120.0 | 17.2 | 14.4 | 1078 | 10.0 | 159,100 |
| SG-P1-TMFCB2-02-20 | 0.2 | 1/20 | 2 | 1/19.231 | 78.0 | 93.6 | 22.1 | 18.4 | 1176 | 10.0 | 159,100 |
| SG-P1-TMFCB2-02-25 | 0.2 | 1/25 | 2 | 1/24.091 | 62.3 | 74.7 | 27.7 | 23.1 | 1274 | 10.0 | 159,100 |
| SG-P1-TMFCB2-02-30 | 0.2 | 1/30 | 2 | 1/30.000 | 50.0 | 60.0 | 34.5 | 28.7 | 1666 | 10.0 | 161,900 |
| SG-P1-TMFCB2-02-40 | 0.2 | 1/40 | 3 | 1/40.692 | 36.9 | 44.2 | 44.4 | 37.0 | 1862 | 11.0 | 164,800 |
| SG-P1-TMFCB2-02-50 | 0.2 | 1/50 | 3 | 1/49.594 | 30.2 | 36.3 | 54.1 | 45.1 | 1960 | 11.0 | 164,800 |
| SG-P1-TMFCB2-02-60 | 0.2 | 1/60 | 3 | 1/59.585 | 25.2 | 30.2 | 65.0 | 54.2 | 2156 | 11.0 | 171,800 |
| SG-P1-TMFCB2-02-80 | 0.2 | 1/80 | 3 | 1/79.535 | 18.9 | 22.6 | 86.8 | 72.3 | 2450 | 11.0 | 171,800 |
| SG-P1-TMFCB2-02-100 | 0.2 | 1/100 | 3 | 1/98.828 | 15.2 | 18.2 | 107.8 | 89.9 | 3038 | 14.2 | 184,200 |
| SG-P1-TMFCB2-02-120 | 0.2 | 1/120 | 3 | 1/117.857 | 12.7 | 15.3 | 128.6 | 107.2 | 3332 | 14.2 | 184,200 |
| SG-P1-TMFCB2-02-160 | 0.2 | 1/160 | 3 | 1/159.375 | 9.4 | 11.3 | 173.9 | 144.9 | 3430 | 14.2 | 194,100 |
| SG-P1-TMFCB2-02-200 | 0.2 | 1/200 | 3 | 1/198.611 | 7.6 | 9.1 | 216.7 | 180.6 | 3430 | 14.2 | 194,100 |
| SG-P1-TMFCB2-04-5 | 0.4 | 1/5 | 2 | 1/5.067 | 296.0 | 355.2 | 11.6 | 9.7 | 882 | 12.2 | 175,700 |
| SG-P1-TMFCB2-04-10 | 0.4 | 1/10 | 2 | 1/10.000 | 150.0 | 180.0 | 23.0 | 19.1 | 1176 | 12.2 | 175,700 |
| SG-P1-TMFCB2-04-15 | 0.4 | 1/15 | 2 | 1/15.938 | 94.1 | 112.9 | 36.6 | 30.5 | 1372 | 12.2 | 175,700 |
| SG-P1-TMFCB2-04-20 | 0.4 | 1/20 | 2 | 1/20.400 | 73.5 | 88.2 | 46.9 | 39.1 | 1470 | 12.2 | 175,700 |
| SG-P1-TMFCB2-04-25 | 0.4 | 1/25 | 2 | 1/23.139 | 64.8 | 77.8 | 53.2 | 44.3 | 1666 | 12.2 | 175,700 |
| SG-P1-TMFCB2-04-30 | 0.4 | 1/30 | 3 | 1/30.046 | 49.9 | 59.9 | 65.6 | 54.6 | 2548 | 15.3 | 181,400 |
| SG-P1-TMFCB2-04-40 | 0.4 | 1/40 | 3 | 1/39.910 | 37.6 | 45.1 | 87.1 | 72.6 | 2842 | 15.3 | 182,600 |
| SG-P1-TMFCB2-04-50 | 0.4 | 1/50 | 3 | 1/51.231 | 29.3 | 35.1 | 111.8 | 93.2 | 3130 | 15.3 | 182,600 |
| SG-P1-TMFCB2-04-60 | 0.4 | 1/60 | 3 | 1/58.154 | 25.8 | 31.0 | 126.9 | 105.8 | 3430 | 15.3 | 191,100 |
| SG-P1-TMFCB2-04-80 | 0.4 | 1/80 | 3 | 1/79.477 | 18.9 | 22.6 | 173.4 | 144.5 | 3430 | 15.3 | 191,100 |
| SG-P1-TMFCB2-04-100 | 0.4 | 1/100 | 3 | 1/102.640 | 14.6 | 17.5 | 224.0 | 186.7 | 4900 | 19.7 | 203,700 |
| SG-P1-TMFCB2-04-120 | 0.4 | 1/120 | 3 | 1/121.275 | 12.4 | 14.8 | 264.7 | 220.6 | 5880 | 19.7 | 203,700 |
| SG-P1-TMFCB2-04-160 | 0.4 | 1/160 | 3 | 1/160.875 | 9.3 | 11.2 | 351.1 | 292.6 | 5880 | 19.7 | 216,300 |
| SG-P1-TMFCB2-04-200 | 0.4 | 1/200 | 3 | 1/200.475 | 7.5 | 9.0 | 437.5 | 364.6 | 5880 | 19.7 | 216,300 |
| SG-P1-TMFCB2-07-5 | 0.74 | 1/5 | 2 | 1/4.952 | 302.9 | 363.5 | 21.3 | 17.8 | 1274 | 21.5 | 239,200 |
| SG-P1-TMFCB2-07-10 | 0.74 | 1/10 | 2 | 1/10.111 | 148.4 | 178.0 | 43.6 | 36.3 | 1764 | 21.5 | 239,200 |
| SG-P1-TMFCB2-07-15 | 0.74 | 1/15 | 2 | 1/15.333 | 97.8 | 117.4 | 66.0 | 55.0 | 2156 | 21.5 | 239,200 |
| SG-P1-TMFCB2-07-20 | 0.74 | 1/20 | 2 | 1/19.303 | 77.7 | 93.2 | 83.1 | 69.3 | 2352 | 21.5 | 239,200 |
| SG-P1-TMFCB2-07-25 | 0.74 | 1/25 | 2 | 1/24.074 | 62.3 | 74.8 | 103.7 | 86.4 | 2450 | 21.5 | 239,200 |
| SG-P1-TMFCB2-07-30 | 0.74 | 1/30 | 3 | 1/30.058 | 49.9 | 59.9 | 123.0 | 102.5 | 4018 | 29.6 | 244,800 |
| SG-P1-TMFCB2-07-40 | 0.74 | 1/40 | 3 | 1/40.578 | 37.0 | 44.4 | 166.0 | 138.4 | 4214 | 29.6 | 247,500 |
| SG-P1-TMFCB2-07-50 | 0.74 | 1/50 | 3 | 1/49.861 | 30.1 | 36.1 | 204.0 | 170.0 | 4606 | 29.6 | 247,500 |
| SG-P1-TMFCB2-07-60 | 0.74 | 1/60 | 3 | 1/60.116 | 25.0 | 29.9 | 246.0 | 205.0 | 5488 | 29.6 | 260,200 |
| SG-P1-TMFCB2-07-80 | 0.74 | 1/80 | 3 | 1/78.150 | 19.2 | 23.0 | 319.8 | 266.5 | 5880 | 29.6 | 260,200 |
| SG-P1-TMFCB2-07-100 | 0.74 | 1/100 | 3 | 1/99.181 | 15.1 | 18.1 | 405.8 | 338.2 | 6660 | 43.5 | 275,700 |
| SG-P1-TMFCB2-07-120 | 0.74 | 1/120 | 3 | 1/122.222 | 12.3 | 14.7 | 500.1 | 416.8 | 6860 | 43.5 | 275,700 |
| SG-P1-TMFCB2-07-160 | 0.74 | 1/160 | 3 | 1/161.368 | 9.3 | 11.2 | 660.3 | 550.3 | 6950 | 43.5 | 289,600 |
| SG-P1-TMFCB2-07-200 | 0.74 | 1/200 | 3 | 1/197.172 | 7.6 | 9.1 | 806.8 | 672.3 | 7050 | 43.5 | 289,600 |
【仕様2】
| 型式 | モータ | クラッチ・ブレーキ (励磁作動形) | |||||||||||
|---|---|---|---|---|---|---|---|---|---|---|---|---|---|
| モータ出力[kW] | 極数 | 電源 電圧[V]/周波数[Hz] | 保護冷却方式 | 耐熱クラス | 効率クラス | 部 | 動摩擦トルク[N・m] | 定格電圧[V] | 消費電力[W] | 電流(於20℃)[A] | 総摩擦仕事[J] | 許容仕事量[J/min] | |
| SG-P1-TMFCB2-02 | 0.2 | 4極 | 三相 200/50・60 220/60 | 全閉自冷 | E | IE1 | クラッチ | 3.5 | DC 90±10% | 11 | 0.12 | 7.2×107 | 2450 |
| 0.2 | 4極 | 三相 200/50・60 220/60 | 全閉自冷 | E | IE1 | ブレーキ | 2.0 | DC 90±10% | 11 | 0.12 | 7.2×107 | 2450 | |
| SG-P1-TMFCB2-04 | 0.4 | 4極 | 三相 200/50・60 220/60 | 全閉外扇 | E | IE1 | クラッチ | 7.0 | DC 90±10% | 15 | 0.17 | 12×107 | 3430 |
| 0.4 | 4極 | 三相 200/50・60 220/60 | 全閉外扇 | E | IE1 | ブレーキ | 3.5 | DC 90±10% | 11 | 0.12 | 7.2×107 | 2450 | |
| SG-P1-TMFCB2-07 | 0.74 | 4極 | 三相 200/50・60 220/60 | 全閉外扇 | E | IE1 | クラッチ | 14.0 | DC 90±10% | 20 | 0.22 | 26×107 | 4410 |
| 0.74 | 4極 | 三相 200/50・60 220/60 | 全閉外扇 | E | IE1 | ブレーキ | 7.0 | DC 90±10% | 15 | 0.17 | 12×107 | 3430 | |
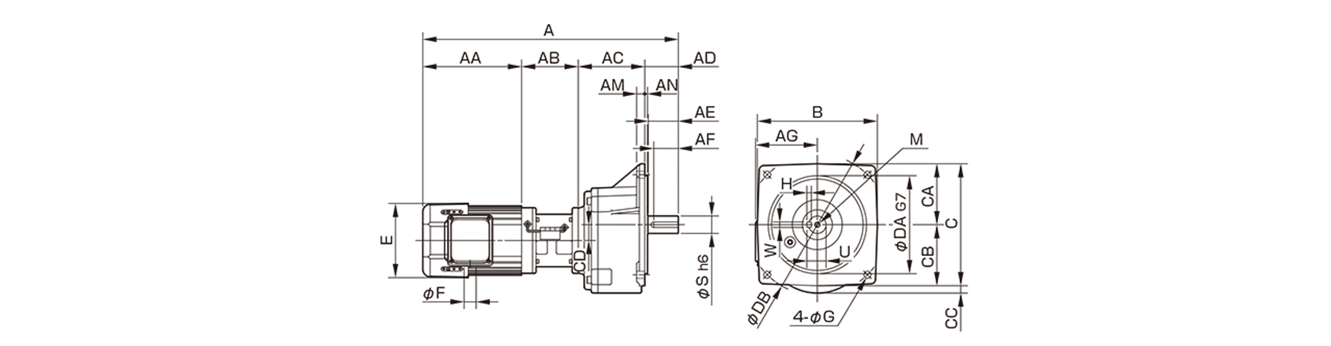
【寸法】
単位[mm]
| 型式 | 減速 比率 |
A | AA | AB | AC | AD | AE | AF | AG | AM | AN | B | C | CA | CB | CC | CD | DA | DB | E | F | G | M呼び | S | U | W | H |
|---|---|---|---|---|---|---|---|---|---|---|---|---|---|---|---|---|---|---|---|---|---|---|---|---|---|---|---|
| SG-P1 -TMFCB2-02 |
1/5~1/30 | 356 | 140.5 | 98.5 | 82 | 35 | 30 | 24 | 113 | 10 | 3 | 155 | 155 | 77.5 | 77.5 | 2.7 | 16 | 145 | 170 | 118 | 22 | 11 | M6x1 深15 |
18 | 20.5 | 6 | 6 |
| SG-P1 -TMFCB2-02 |
1/40~1/80 | 383 | 140.5 | 98.5 | 98 | 46 | 40 | 30 | 113 | 12 | 4 | 164 | 164 | 82 | 82 | 5 | 20 | 148 | 185 | 118 | 22 | 11 | M6x1 深15 |
22 | 24.5 | 6 | 6 |
| SG-P1 -TMFCB2-02 |
1/100~1/200 | 394 | 140.5 | 98.5 | 104 | 51 | 45 | 36 | 113 | 15 | 5 | 190 | 190 | 95 | 95 | 11 | 25 | 170 | 215 | 118 | 22 | 11 | M8x1.25 深20 |
28 | 31 | 8 | 7 |
| SG-P1 -TMFCB2-04 |
1/5~1/25 | 428 | 180.5 | 103.5 | 98 | 46 | 40 | 30 | - | 12 | 4 | 164 | 164 | 82 | 82 | 6 | 20 | 148 | 185 | 136 | 22 | 11 | M6x1 深15 |
22 | 24.5 | 6 | 6 |
| SG-P1 -TMFCB2-04 |
1/30~1/80 | 439 | 180.5 | 103.5 | 104 | 51 | 45 | 36 | 113 | 15 | 5 | 190 | 190 | 95 | 95 | 11 | 25 | 170 | 215 | 136 | 22 | 11 | M8x1.25 深20 |
28 | 31 | 8 | 7 |
| SG-P1 -TMFCB2-04 |
1/100~1/200 | 467 | 180.5 | 103.5 | 122 | 61 | 55 | 45 | 113 | 15 | 5 | 220 | 224 | 112 | 112 | 13.5 | 29 | 180 | 260 | 136 | 22 | 13 | M10x1.5 深さ25 |
32 | 35 | 10 | 8 |
| SG-P1 -TMFCB2-07 |
1/5~1/25 | 483 | 199 | 122 | 111 | 51 | 45 | 36 | 132 | 15 | 5 | 190 | 190 | 95 | 95 | 11 | 25 | 170 | 215 | 158 | 22 | 11 | M8x1.25 深20 |
28 | 31 | 8 | 7 |
| SG-P1 -TMFCB2-07 |
1/30~1/80 | 511 | 199 | 122 | 129 | 61 | 55 | 45 | 132 | 15 | 5 | 220 | 224 | 112 | 112 | 13.5 | 29 | 180 | 250 | 158 | 22 | 13 | M10x1.5 深さ25 |
32 | 35 | 10 | 8 |
| SG-P1 -TMFCB2-07 |
1/100~1/200 | 575 | 199 | 122 | 165 | 89 | 82 | 70 | - | 17 | 5 | 290 | 299 | 145 | 154 | - | 35 | 240 | 330 | 158 | 22 | 15 | M10x1.5 深さ25 |
42 | 45 | 12 | 8 |