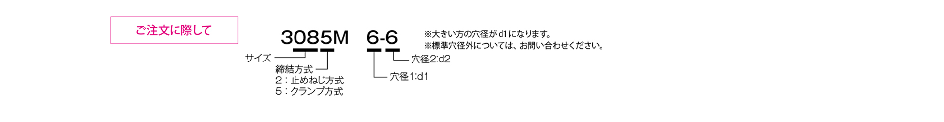
3000モデル

スプリング構造の弾性を利用した金属性のカップリングで、円柱にらせん状のスリット加工を施すことでスプリング特性を持たせているため、フレキシブル性が高く、偏心、偏角といった大きな軸心違いを吸収することが可能です。材質にステンレスを採用しています。止めねじとクランプ方式が選べます。

【仕様】止ねじタイプ

型式 トルク 許容誤差 最高回転速度[min-1 ねじりばね定数[N・m/rad] 慣性モーメント[kg ・m2 質量[kg] 価格[円] 購入
常用[N ・m] 最大[N ・m] 偏心[mm] 偏角[°] 軸方向[mm]
3042M 0.4 0.8 0.25 5 ± 0.25 25000 11.5 2.95 × 10^-7 0.012 14,780 購入
3082M 1.3 2.6 0.25 5 ± 0.25 25000 22.0 2.01 × 10^-6 0.034 14,780 購入
3002M 1.9 3.8 0.25 5 ± 0.25 25000 31.8 1.03 × 10^-5 0.101 14,780 購入
3012M 2.5 5.0 0.25 5 ± 0.25 25000 52.1 1.97 × 10^-5 0.154 14,780 購入
  • 正逆回転使用時は、常用トルク値が1/2になります。
  • 最高回転速度は動バランスを考慮しておりません。
  • 慣性モーメントおよび質量は、最大穴径時の値となります。

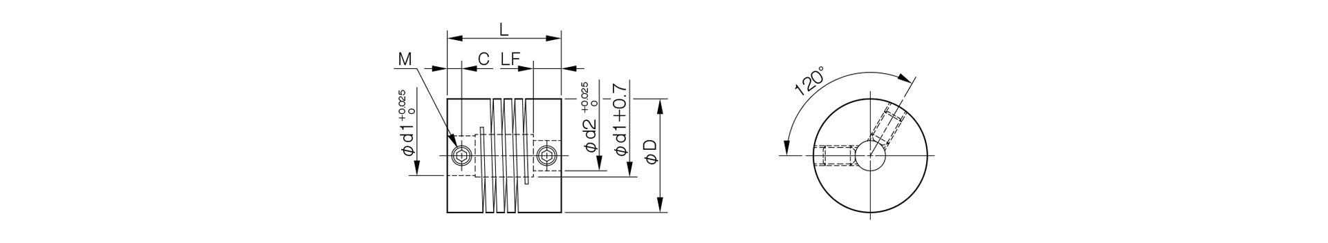
【寸法】止ねじタイプ

三木プーリのヘリカル3000モデル(止ねじ仕様)コイルばね・スリットカップリング寸法図 取付寸法および軸径寸法を示す寸法図
単位 [mm]
型式 最大穴径 D L LF C M 締め付けトルク[N・m] CADファイルNo.
3042M 3.17 12.7 14.2 3.2 1.8 M2 0.09 3XX2M1
3082M 6.35 19.1 19.1 4.6 2.2 M3 0.7 3XX2M2
3002M 10 25.4 31.8 7.9 3.8 M5 3.6 3XX2M3
3012M 12.7 28.6 38.1 11.4 5.1 M5 3.6 3XX2M4
  • 3042M穴径φ2の場合、止めねじサイズはM1.6、締め付けトルク0.04N・m。
  • 3082M穴径φ3の場合、止めねじサイズはM2、締め付けトルク0.09N・m。
三木プーリのヘリカル 3000モデル(止ねじ仕様)コイルばね・スリットカップリング ご注文時の型式構成説明図

【仕様】クランプ締結タイプ

型式 トルク 許容誤差 最高回転速度[min-1 ねじりばね定数[N・m/rad] 慣性モーメント[kg ・m2 質量[kg] 価格[円] 購入
常用[N ・m] 最大[N ・m] 偏心[mm] 偏角[°] 軸方向[mm]
3045M 0.4 0.8 0.25 5 ± 0.25 10000 11.5 3.97 × 10−7 0.015 17,370 購入
3085M 1.3 2.6 0.25 5 ± 0.25 10000 22.0 2.41 × 10−6 0.039 17,370 購入
3005M 1.9 3.8 0.25 5 ± 0.25 10000 31.8 1.03 × 10−5 0.101 17,370 購入
3015M 2.5 5.0 0.25 5 ± 0.25 10000 52.1 1.97 × 10−5 0.134 17,370 購入
  • 正逆回転使用時は、常用トルク値が1/2になります。
  • 最高回転速度は動バランスを考慮しておりません。
  • 慣性モーメントおよび質量は、最大穴径時の値となります。

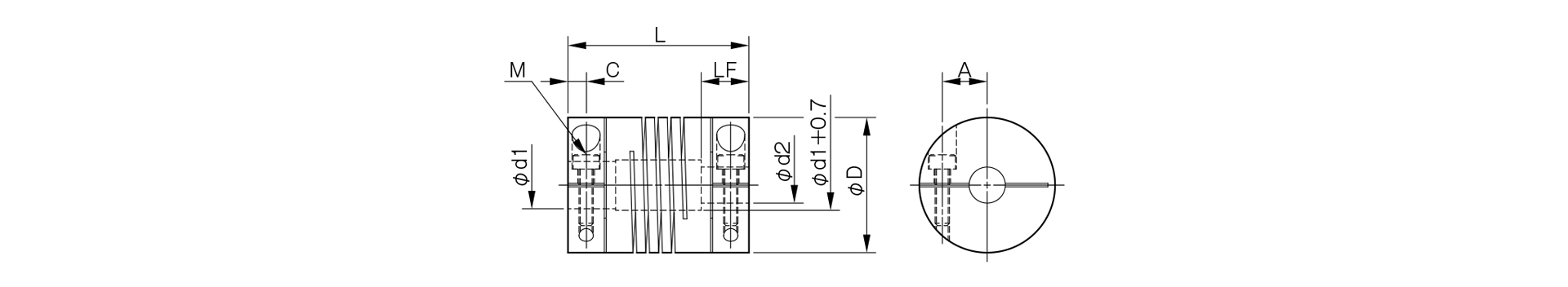
【寸法】クランプ締結タイプ

三木プーリのヘリカル3000モデル(止ねじ仕様)コイルばね・スリットカップリング寸法図 取付寸法および軸径寸法を示す寸法図
単位 [mm]
型式 最大穴径 D L LF A C M 締め付けトルク[N・m] CADファイルNo.
3045M 3.17 12.7 19.1 4.9 3.6 2.3 M1.6 0.25 3XX5M1
3085M 6.35 19.1 22.9 6.5 5.6 3.1 M2.5 1.0 3XX5M2
3005M 10 25.4 31.8 7.9 7.9 3.8 M3 1.5 3XX5M3
3015M 12.7 28.6 38.1 11.4 9.5 3.8 M3 1.5 3XX5M4
  • 相手取り付け軸の寸法許容差はh7級となります。

【標準穴径】

型式 標準穴径[mm]
d1 3 3 4 4 5 5 6 6 6 6.35 6.35 6.35 7 8 8 8 8 9.5 9.525 9.525 10 10 10 10 10 10 11 11 12 12 12 12 12
d2 2 3 3 4 4 5 4 5 6 5 6 6.35 7 6 6.35 7 8 8 8 9.525 6 6.35 8 9.5 9.525 10 10 11 8 9.5 9.525 10 12
3042M, 3045M
3082M, 3085M
3002M, 3005M
3012M, 3015M
三木プーリのヘリカル 3000モデル(クランプ締結仕様)コイルばね・スリットカップリング ご注文時の型式構成説明図