ARM・ACRMモデル
スプリング構造の弾性を利用した金属性のカップリングで、円柱にらせん状のスリット加工を施すことでスプリング特性を持たせているため、フレキシブル性が高く、偏心、偏角といった大きな軸心違いを吸収することが可能です。材質にアルミ合金を採用しています。止めねじとクランプ方式が選べます。
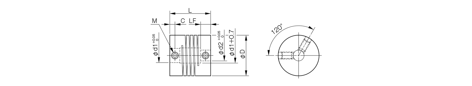
【仕様】止ねじタイプ
- 正逆回転使用時は、常用トルク値が1/2になります。
- 最高回転速度は動バランスを考慮しておりません。
- 慣性モーメントおよび質量は、最大穴径時の値となります。
【寸法】止ねじタイプ
単位 [mm]
| 型式 | 最大穴径 | D | L | LF | C | M | 締め付けトルク[N・m] | CADファイルNo. |
|---|---|---|---|---|---|---|---|---|
| ARM-050 | 3.17 | 12.7 | 12.7 | 3.2 | 1.6 | M2 | 0.09 | ARM1 |
| ARM-075 | 6.35 | 19.1 | 19.1 | 4.6 | 2.4 | M3 | 0.7 | ARM2 |
| ARM-100 | 10 | 25.4 | 25.4 | 6.6 | 3.8 | M5 | 3.6 | ARM3 |
| ARM-112 | 12.7 | 28.6 | 28.6 | 7 | 3.6 | M5 | 3.6 | ARM4 |
- ARM-050穴径φ2の場合は、止めねじサイズはM1.6、締め付けトルク0.04N・m。
- ARM-075穴径φ3の場合は、止めねじサイズはM2、締め付けトルク0.09N・m。
【標準穴径】
| 型式 | 標準穴径[mm] | |||||||||||||||||||||||||||||||||
|---|---|---|---|---|---|---|---|---|---|---|---|---|---|---|---|---|---|---|---|---|---|---|---|---|---|---|---|---|---|---|---|---|---|---|
| d1 | 3 | 3 | 4 | 4 | 5 | 5 | 6 | 6 | 6 | 6.35 | 6.35 | 6.35 | 7 | 8 | 8 | 8 | 8 | 9.5 | 9.525 | 9.525 | 10 | 10 | 10 | 10 | 10 | 10 | 11 | 11 | 12 | 12 | 12 | 12 | 12 | |
| d2 | 2 | 3 | 3 | 4 | 4 | 5 | 4 | 5 | 6 | 5 | 6 | 6.35 | 7 | 6 | 6.35 | 7 | 8 | 8 | 8 | 9.525 | 6 | 6.35 | 8 | 9.5 | 9.525 | 10 | 10 | 11 | 8 | 9.5 | 9.525 | 10 | 12 | |
| ARM-050 | ● | ● | ||||||||||||||||||||||||||||||||
| ARM-075 | ● | ● | ● | ● | ● | ● | ● | ● | ● | ● | ● | |||||||||||||||||||||||
| ARM-100 | ● | ● | ● | ● | ● | ● | ● | ● | ● | ● | ● | ● | ● | ● | ● | ● | ||||||||||||||||||
| ARM-112 | ● | ● | ● | ● | ● | ● | ● | ● | ● | ● | ● | ● | ● | ● | ● | ● | ||||||||||||||||||
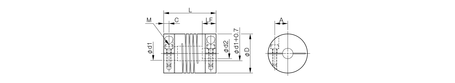
【仕様】クランプ締結タイプ
- 正逆回転使用時は、常用トルク値が1/2になります。
- 最高回転速度は動バランスを考慮しておりません。
- 慣性モーメントおよび質量は、最大穴径時の値となります。
【寸法】クランプ締結タイプ
単位 [mm]
| 型式 | 最大穴径 | D | L | LF | A | C | M | 締め付けトルク[N・m] |
|---|---|---|---|---|---|---|---|---|
| ACRM-050 | 3.17 | 12.7 | 19.1 | 4.9 | 3.6 | 2.3 | M1.6 | 0.25 |
| ACRM-075 | 6.35 | 19.1 | 22.9 | 6.5 | 5.6 | 3.1 | M2.5 | 1.0 |
| ACRM-100 | 10 | 25.4 | 31.8 | 7.9 | 7.9 | 3.8 | M3 | 1.5 |
| ACRM-112 | 12.7 | 28.6 | 38.1 | 11.4 | 9.5 | 3.8 | M3 | 1.5 |
- 相手取り付け軸の寸法許容差はh7級となります。
【標準穴径】
| 型式 | 標準穴径[mm] | |||||||||||||||||||||||||||||||||
|---|---|---|---|---|---|---|---|---|---|---|---|---|---|---|---|---|---|---|---|---|---|---|---|---|---|---|---|---|---|---|---|---|---|---|
| d1 | 3 | 3 | 4 | 4 | 5 | 5 | 6 | 6 | 6 | 6.35 | 6.35 | 6.35 | 7 | 8 | 8 | 8 | 8 | 9.5 | 9.525 | 9.525 | 10 | 10 | 10 | 10 | 10 | 10 | 11 | 11 | 12 | 12 | 12 | 12 | 12 | |
| d2 | 2 | 3 | 3 | 4 | 4 | 5 | 4 | 5 | 6 | 5 | 6 | 6.35 | 7 | 6 | 6.35 | 7 | 8 | 8 | 8 | 9.525 | 6 | 6.35 | 8 | 9.5 | 9.525 | 10 | 10 | 11 | 8 | 9.5 | 9.525 | 10 | 12 | |
| ACRM-050 | ● | ● | ||||||||||||||||||||||||||||||||
| ACRM-075 | ● | ● | ● | ● | ● | ● | ● | ● | ● | ● | ● | |||||||||||||||||||||||
| ACRM-100 | ● | ● | ● | ● | ● | ● | ● | ● | ● | ● | ● | ● | ● | ● | ● | ● | ||||||||||||||||||
| ACRM-112 | ● | ● | ● | ● | ● | ● | ● | ● | ● | ● | ● | ● | ● | ● | ● | ● | ||||||||||||||||||