BSZモデル
コイルへの通電で作動する励磁作動形ブレーキで、励磁ブレーキの111(12)タイプをベースに一体構造設計したモデルです。アーマチュア2型を用いているので、軸方向寸法が短く薄型・コンパクトです。一体構造ですから隙間調整や同心度、偏心調整などわずらわしい取り付け時間を大幅に短縮することができます。
【仕様】
| 型式 | サイズ | 動摩擦トルクTd[N・m] | 静摩擦トルクTs[N・m] | コイル(at20℃) | 耐熱クラス | リード線 | 最高回転速度[min-1] | アーマチュア慣性モーメントJ[kg・m2] | 空隙再調整までの総仕事ET[J] | アーマチュア吸引時間ta[s] | トルク立上り時間tp[s] | トルク消滅時間td[s] | 使用ベアリング | 質量[kg] | ||||
|---|---|---|---|---|---|---|---|---|---|---|---|---|---|---|---|---|---|---|
| 電圧[V] | 容量[W] | 電流[A] | 抵抗[Ω] | ULスタイル | サイズ | |||||||||||||
| BSZ-05-12 | 05 | 2.4 | 2.4 | DC24 | 10 | 0.42 | 57 | B | UL3398 | AWG22 | 1800 | 1.46×10-5 | 9×106 | 0.020 | 0.030 | 0.010 | 6902ZZ | 0.25 |
| BSZ-06-12 | 06 | 5 | 5.5 | DC24 | 11 | 0.46 | 52 | B | UL3398 | AWG22 | 1800 | 5.77×10-5 | 29×106 | 0.017 | 0.033 | 0.010 | 6904ZZ | 0.36 |
| BSZ-08-12 | 08 | 10 | 11 | DC24 | 15 | 0.63 | 38 | B | UL3398 | AWG18 | 1800 | 1.63×10-4 | 60×106 | 0.020 | 0.052 | 0.015 | 6905ZZ | 0.67 |
- 動摩擦トルクTd は、相対速度100min-1 時の値です。また、初期トルク特性により、ならし運転が必要となる場合があります。
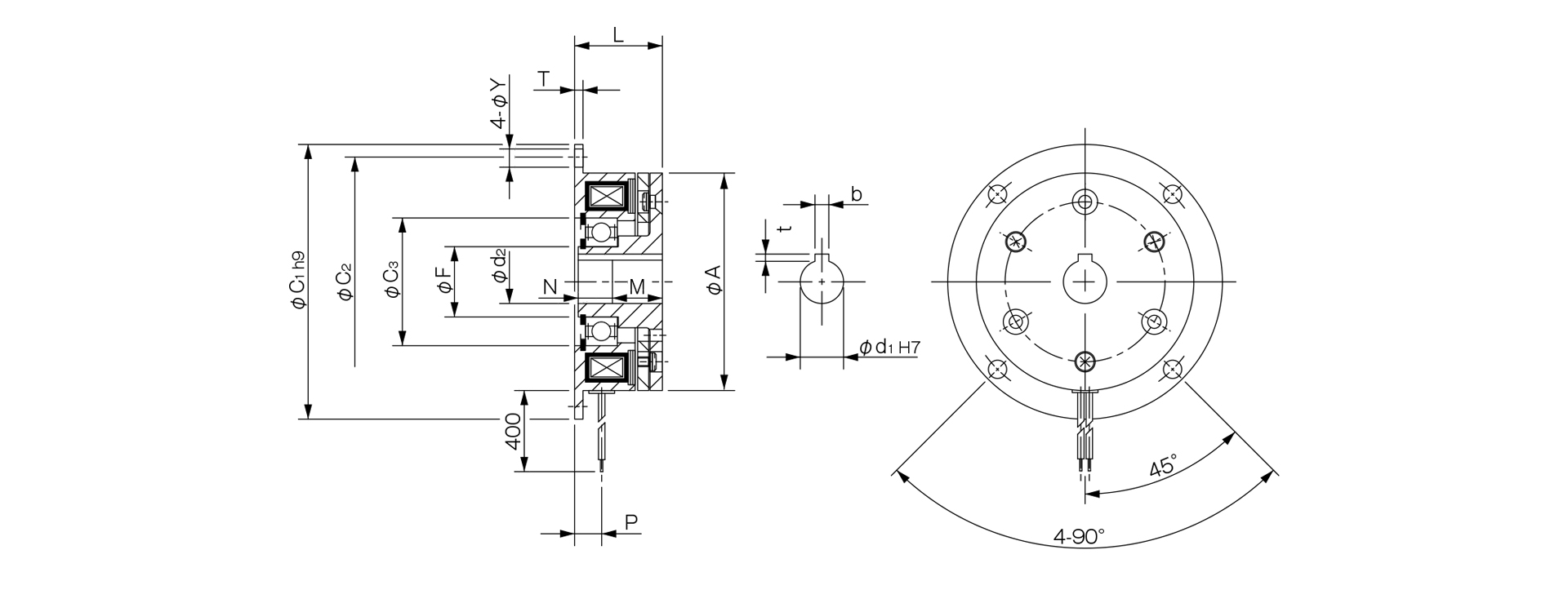
【寸法】
単位 [mm]
| サイズ | 径方向寸法 | 軸方向寸法 | 軸穴寸法 | ||||||||||||
|---|---|---|---|---|---|---|---|---|---|---|---|---|---|---|---|
| A | C1 | C2 | C3 | F | L | M | N | P | T | Y | d1H7 | d2 | bH9 | t | |
| 05 | 50 | 65 | 58 | 28 | 15 | 28.3 | 18 | 9.8 | 8.2 | 2 | 3.4 | 10 | 10.2 | 3+0.0300 | 1.2+0.30 |
| 06 | 63 | 80 | 72 | 37 | 20 | 25.5 | 15 | 10 | 7.3 | 2 | 5 | 12 | 12.2 | 4+0.0300 | 1.8+0.30 |
| 08 | 80 | 100 | 90 | 42 | 25 | 28.5 | 20 | 8 | 8.3 | 2.6 | 6 | 15 | 15.2 | 5+0.0300 | 2.3+0.30 |
- 取り付け方法などに関しては、設計上の確認事項でご確認ください。