102(13・15・11)タイプ
コイルへの通電で作動する励磁作動形クラッチで、マイクロサイズと呼ばれる小型のラインアップです。スペースを有効に利用できるフランジ取り付け形で、取り付け形状の異なる三種類のアーマチュアアッセンブリがありますので、取り付け条件に応じて選ぶことができます。
【仕様】ダイレクト取り付け用
| 型式 | サイズ | 動摩擦トルクTd[N・m] | コイル(at20℃) | リード線 | 耐熱クラス | 最高回転速度[min-1] | 回転部慣性モーメント J | 許容連結仕事Eeaℓ[J] | 空隙再調整までの総仕事ET[J] | アーマチュア吸引時間ta[s] | トルク立上り時間tp[s] | トルク消滅時間td[s] | 質量[kg] | |||||
|---|---|---|---|---|---|---|---|---|---|---|---|---|---|---|---|---|---|---|
| 電圧[V] | 容量[W] | 電流[A] | 抵抗[Ω] | ULスタイル | サイズ | アーマチュア[kg・m2] | ロータ[kg・m2] | |||||||||||
| 102-02-13 | 2 | 0.4 | DC24 | 6 | 0.25 | 96 | UL3398 | AWG26 | B | 10000 | 6.75×10-7 | 2.45×10-6 | 1500 | 2×106 | 0.009 | 0.019 | 0.017 | 0.075 |
| 102-02-15 | 2 | 0.4 | DC24 | 6 | 0.25 | 96 | UL3398 | AWG26 | B | 500 | 1.00×10-6 | 2.45×10-6 | 1500 | 2×106 | 0.009 | 0.019 | 0.017 | 0.081 |
| 102-02-11 | 2 | 0.4 | DC24 | 6 | 0.25 | 96 | UL3398 | AWG26 | B | 10000 | 1.00×10-6 | 2.45×10-6 | 1500 | 2×106 | 0.009 | 0.019 | 0.017 | 0.079 |
| 102-03-13 | 3 | 0.6 | DC24 | 6 | 0.25 | 96 | UL3398 | AWG26 | B | 10000 | 1.30×10-6 | 3.25×10-6 | 2300 | 3×106 | 0.009 | 0.022 | 0.02 | 0.096 |
| 102-03-15 | 3 | 0.6 | DC24 | 6 | 0.25 | 96 | UL3398 | AWG26 | B | 500 | 1.95×10-6 | 3.25×10-6 | 2300 | 3×106 | 0.009 | 0.022 | 0.02 | 0.105 |
| 102-03-11 | 3 | 0.6 | DC24 | 6 | 0.25 | 96 | UL3398 | AWG26 | B | 10000 | 1.95×10-6 | 3.25×10-6 | 2300 | 3×106 | 0.009 | 0.022 | 0.02 | 0.103 |
| 102-04-13 | 4 | 1.2 | DC24 | 8 | 0.33 | 72 | UL3398 | AWG26 | B | 10000 | 4.38×10-6 | 1.41×10-5 | 4500 | 6×106 | 0.011 | 0.028 | 0.03 | 0.178 |
| 102-04-15 | 4 | 1.2 | DC24 | 8 | 0.33 | 72 | UL3398 | AWG26 | B | 500 | 6.15×10-6 | 1.41×10-5 | 4500 | 6×106 | 0.011 | 0.028 | 0.03 | 0.195 |
| 102-04-11 | 4 | 1.2 | DC24 | 8 | 0.33 | 72 | UL3398 | AWG26 | B | 10000 | 6.15×10-6 | 1.41×10-5 | 4500 | 6×106 | 0.011 | 0.028 | 0.03 | 0.191 |
| 102-05-13 | 5 | 2.4 | DC24 | 10 | 0.42 | 58 | UL3398 | AWG22 | B | 10000 | 9.08×10-6 | 3.15×10-5 | 9000 | 9×106 | 0.012 | 0.031 | 0.04 | 0.31 |
| 102-05-15 | 5 | 2.4 | DC24 | 10 | 0.42 | 58 | UL3398 | AWG22 | B | 500 | 1.38×10-5 | 3.15×10-5 | 9000 | 9×106 | 0.012 | 0.031 | 0.04 | 0.335 |
| 102-05-11 | 5 | 2.4 | DC24 | 10 | 0.42 | 58 | UL3398 | AWG22 | B | 10000 | 1.38×10-5 | 3.15×10-5 | 9000 | 9×106 | 0.012 | 0.031 | 0.04 | 0.325 |
- 動摩擦トルクTdは、相対速度100min-1時の値です。また、初期トルク特性により、ならし運転が必要となる場合があります。
- 電源電圧変動は、コイル電圧の±10%以内に抑えてください。また、通電率が80%を超えないようにご注意ください。
- 回転部慣性モーメントおよび質量は、最大穴径時の値となります。
【寸法】ダイレクト取り付け用
単位 [mm]
| サイズ | 径方向寸法 | 軸方向寸法 | CADファイルNo. | ||||||||||||||||||||
|---|---|---|---|---|---|---|---|---|---|---|---|---|---|---|---|---|---|---|---|---|---|---|---|
| A1 | A2 | A3 | A4 | C1 | C2 | C3 | C4 | C5 | S | V1 | V2 | V3 | Z | H | J | K | L | P | M | a | X | ||
| 02 | 31 | 28 | 19.5 | 10.7 | 39 | 33.5 | 11.4 | 11 | 8 | - | 2-2.1 | 2-5.3 | 2-3.7 | 4-90° | 18 | 16.5 | 1.5 | 20.4 | 4.9 | 1.1 | 0.1 | 0.8 | 102-131 |
| 03 | 34 | 32 | 23 | 12.5 | 45 | 38 | 13.6 | 13 | 10 | 33 | 3-2.6 | 3-6 | 3-4.5 | 6-60° | 22.2 | 20.2 | 2 | 24.5 | 6.7 | 1.3 | 0.15 | 1.2 | 102-132 |
| 04 | 43 | 40 | 30 | 18.5 | 54 | 47 | 20 | 19 | 15.5 | 41 | 3-3.1 | 3-6 | 3-5 | 6-60° | 25.4 | 23.4 | 2 | 28.1 | 7.2 | 1.3 | 0.15 | 1.6 | 102-133 |
| 05 | 54 | 50 | 38 | 25.5 | 65 | 58 | 27.2 | 26 | 22 | 51 | 3-3.1 | 3-6.5 | 3-6 | 6-60° | 28.1 | 26.1 | 2 | 31.3 | 8.2 | 1.5 | 0.2 | 1.5 | 102-134 |
単位 [mm]
| サイズ | 軸穴寸法 | ||||
|---|---|---|---|---|---|
| d1 H7 | JIS規格対応 | JIS旧規格対応 | |||
| d1 H7 | b P9 | t | b E9 | t | |
| 02 | 5 | - | - | - | - |
| 03 | 6 | 2-0.006-0.031 | 0.8+0.30 | - | - |
| 04 | 8 | 2-0.006-0.031 | 0.8+0.30 | - | - |
| 10 | 3-0.006-0.031 | 1.2+0.30 | 4+0.050+0.020 | 1.5+0.50 | |
| 05 | 10 | 3-0.006-0.031 | 1.2+0.30 | 4+0.050+0.020 | 1.5+0.50 |
| 15 | 5-0.012-0.042 | 2+0.50 | 5+0.050+0.020 | 2+0.50 | |
- サイズ02 は丸形フランジです。
- サイズ02 のロータにはキー溝がありません。軸へは圧入などで固定してください。
- 取り付け方法などに関しては、設計上の確認事項でご確認ください。
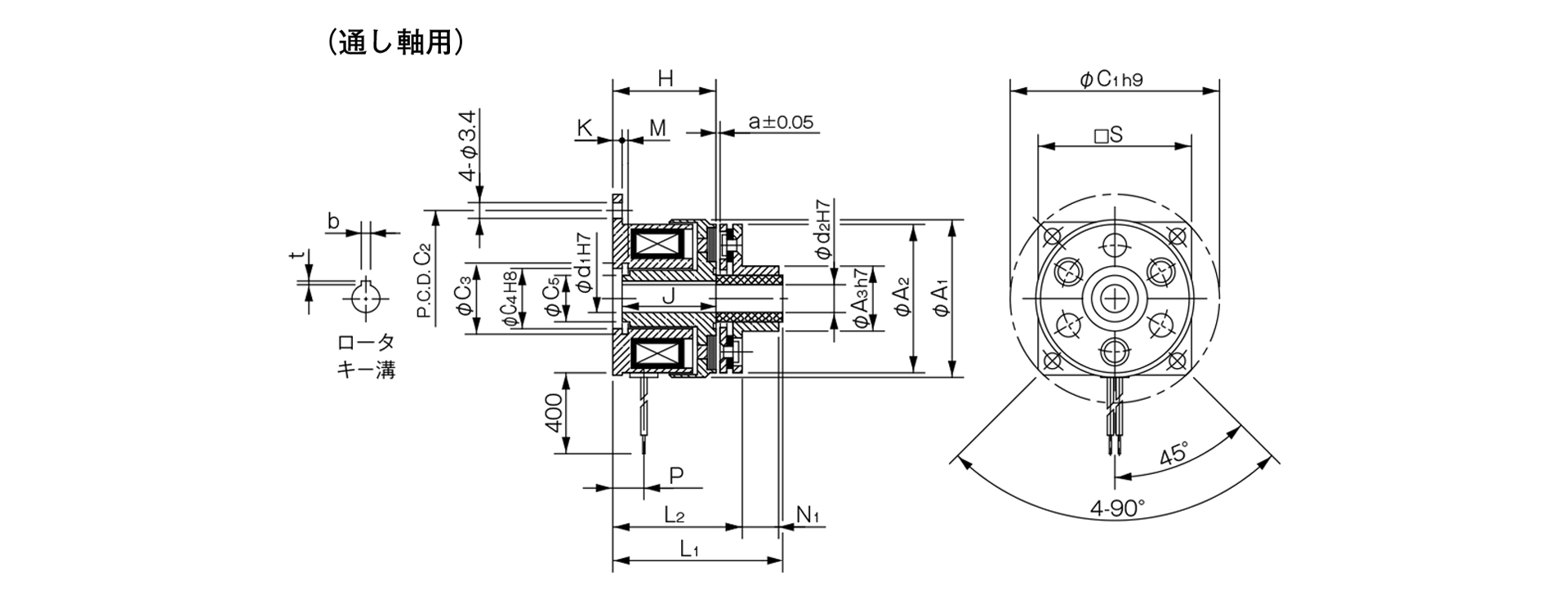
【寸法】通し軸用
単位 [mm]
| サイズ | 径方向寸法 | 軸方向寸法 | CADファイルNo. | ||||||||||||||||
|---|---|---|---|---|---|---|---|---|---|---|---|---|---|---|---|---|---|---|---|
| A1 | A2 | A3 | C1 | C2 | C3 | C4 | C5 | S | H | J | K | L1 | L2 | M | P | N1 | a | ||
| 02 | 31 | 28 | 13 | 39 | 33.5 | 11.4 | 11 | 8 | - | 18 | 16.5 | 1.5 | 27.5 | 22.4 | 1.1 | 4.9 | 4.8 | 0.1 | 102-151 |
| 03 | 34 | 32 | 14 | 45 | 38 | 13.6 | 13 | 10 | 33 | 22.2 | 20.2 | 2 | 34.5 | 26.5 | 1.3 | 6.7 | 7.8 | 0.15 | 102-152 |
| 04 | 43 | 40 | 18 | 54 | 47 | 20 | 19 | 15.5 | 41 | 25.4 | 23.4 | 2 | 40.2 | 30.8 | 1.3 | 7.2 | 9.1 | 0.15 | 102-153 |
| 05 | 54 | 50 | 28 | 65 | 58 | 27.2 | 26 | 22 | 51 | 28.1 | 26.1 | 2 | 43.3 | 34.3 | 1.5 | 8.2 | 8.8 | 0.2 | 102-154 |
単位 [mm]
| サイズ | 軸穴寸法 | |||||
|---|---|---|---|---|---|---|
| d1 H7 | d2 H7 | JIS規格対応 | JIS旧規格対応 | |||
| d1 H7 | b P9 | t | b E9 | t | ||
| 02 | 5 | 5 | - | - | - | - |
| 03 | 6 | 6 | 2-0.006-0.031 | 0.8+0.30 | - | - |
| 04 | 8 | 8 | 2-0.006-0.031 | 0.8+0.30 | - | - |
| 10 | 10 | 3-0.006-0.031 | 1.2+0.30 | 4+0.050+0.020 | 1.5+0.50 | |
| 05 | 10 | 10 | 3-0.006-0.031 | 1.2+0.30 | 4+0.050+0.020 | 1.5+0.50 |
| 15 | 15 | 5-0.012-0.042 | 2+0.50 | 5+0.050+0.020 | 2+0.50 | |
- サイズ02 は丸形フランジです。
- サイズ02 のロータにはキー溝がありません。軸へは圧入などで固定してください。
- 取り付け方法などに関しては、設計上の確認事項でご確認ください。
- アーマチュア5 型の穴d2 はストレート穴です。
【寸法】突き合わせ軸用
単位 [mm]
| サイズ | 径方向寸法 | 軸方向寸法 | CADファイルNo. | ||||||||||||||||||
|---|---|---|---|---|---|---|---|---|---|---|---|---|---|---|---|---|---|---|---|---|---|
| A1 | A2 | A3 | C1 | C2 | C3 | C4 | C5 | S | m | H | J | K | L1 | L2 | M | P | U | T | a | ||
| 02 | 31 | 28 | 9.5 | 39 | 33.5 | 11.4 | 11 | 8 | - | M3 | 18 | 16.5 | 1.5 | 27.4 | 22.4 | 1.1 | 4.9 | 7 | 2.5 | 0.1 | 102-111 |
| 03 | 34 | 32 | 12 | 45 | 38 | 13.6 | 13 | 10 | 33 | 2-M3 | 22.2 | 20.2 | 2 | 34.5 | 26.5 | 1.3 | 6.7 | 10 | 4 | 0.15 | 102-112 |
| 04 | 43 | 40 | 17 | 54 | 47 | 20 | 19 | 15.5 | 41 | 2-M3 | 25.4 | 23.4 | 2 | 40.1 | 30.8 | 1.3 | 7.2 | 12 | 5 | 0.15 | 102-113 |
| 05 | 54 | 50 | 24 | 65 | 58 | 27.2 | 26 | 22 | 51 | 2-M4 | 28.1 | 26.1 | 2 | 43.3 | 34.3 | 1.5 | 8.2 | 12 | 5 | 0.2 | 102-114 |
単位 [mm]
| サイズ | 軸穴寸法 | |||||
|---|---|---|---|---|---|---|
| d1 H7 | d2 H7 | JIS規格対応 | JIS旧規格対応 | |||
| d1 H7 | b P9 | t | b E9 | t | ||
| 02 | 5 | 5 | - | - | - | - |
| 03 | 6 | 6 | 2-0.006-0.031 | 0.8+0.30 | - | - |
| 04 | 8 | 8 | 2-0.006-0.031 | 0.8+0.30 | - | - |
| 10 | 10 | 3-0.006-0.031 | 1.2+0.30 | 4+0.050+0.020 | 1.5+0.50 | |
| 05 | 10 | 10 | 3-0.006-0.031 | 1.2+0.30 | 4+0.050+0.020 | 1.5+0.50 |
| 15 | 15 | 5-0.012-0.042 | 2+0.50 | 5+0.050+0.020 | 2+0.50 | |
- サイズ02 は丸形フランジです。
- サイズ02 のロータにはキー溝がありません。軸へは圧入などで固定してください。
- 取り付け方法などに関しては、設計上の確認事項でご確認ください。 アーマチュア5 型の穴d2 はストレート穴です。